GM Service Manual Online
For 1990-2009 cars only
Figure 1:

Power, Ground, Indicators, Sensors, and Switches


Object Number: 1892782  Size: FS
Master Electrical Component List
SIR System Description and Operation
Control Module References
Deployment Loops
Figure 2:

Deployment Loops


Object Number: 1892783  Size: FS
Master Electrical Component List
SIR System Description and Operation
Control Module References
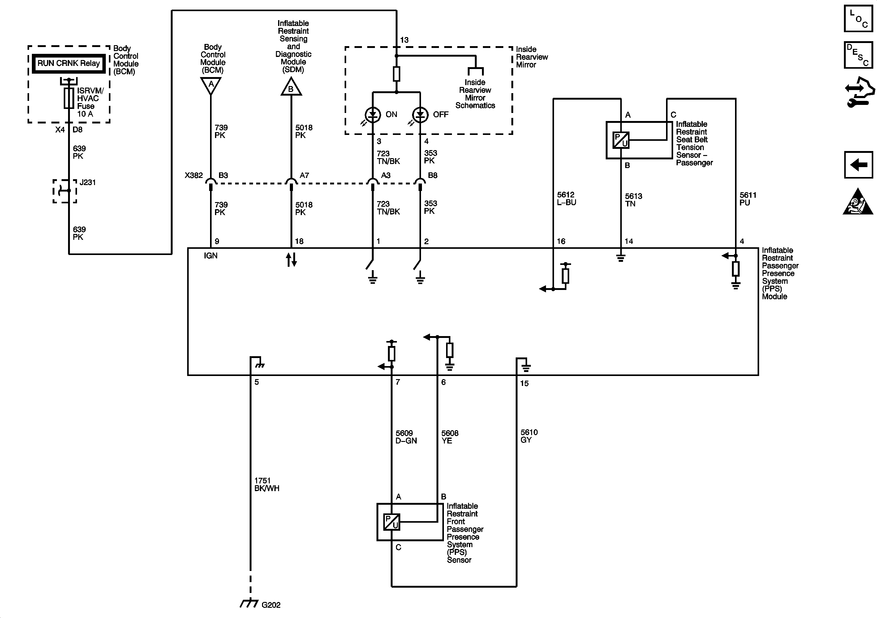
Passenger Presence System (PPS)
Power, Ground, Indicator, Sensors, and Switches
Figure 3:

Passenger Presence System (PPS)


Object Number: 1892784  Size: FS
Master Electrical Component List
SIR System Description and Operation
Control Module References
Deployment Loops