GM Service Manual Online
For 1990-2009 cars only
Figure 1:

G101


Object Number: 1892550  Size: FS
Master Electrical Component List
Control Module References
G102
Figure 2:

G102


Object Number: 1892552  Size: FS
Master Electrical Component List
Control Module References
G104, G106, and G303
G101
Figure 3:

G104, G106, and G303


Object Number: 1892555  Size: FS
Master Electrical Component List
Control Module References
G105, and G107
G102
Figure 4:

G105 and G107


Object Number: 1892557  Size: FS
Master Electrical Component List
Control Module References
G201
G104, G106, and G303
Figure 5:

G201


Object Number: 1892558  Size: FS
Master Electrical Component List
Control Module References
G202 (1 of 2)
G105, and G107
Figure 6:

G202 (1 of 2)


Object Number: 1892560  Size: FS
Master Electrical Component List
Control Module References
G202 (2 of 2)
G201
Figure 7:

G202 (2 of 2)


Object Number: 1892561  Size: FS
Master Electrical Component List
Control Module References
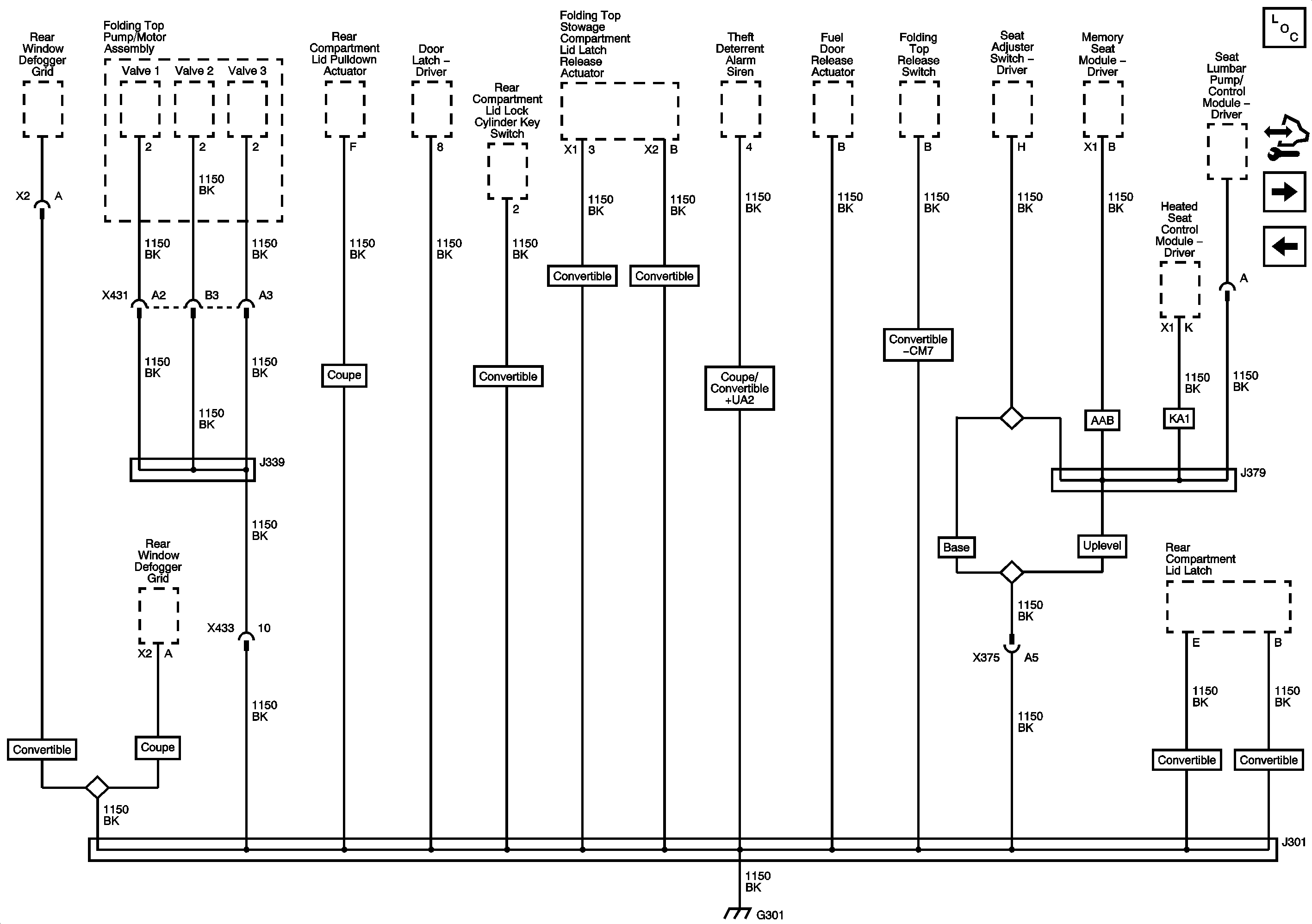
G301
G202 (1 of 2)
Figure 8:

G301


Object Number: 1892563  Size: FS
Master Electrical Component List
Control Module References
G302, G401, and G402
G202 (2 of 2)
Figure 9:

G302, G401, and G402


Object Number: 1892564  Size: FS
Master Electrical Component List
Control Module References
G301