GM Service Manual Online
For 1990-2009 cars only
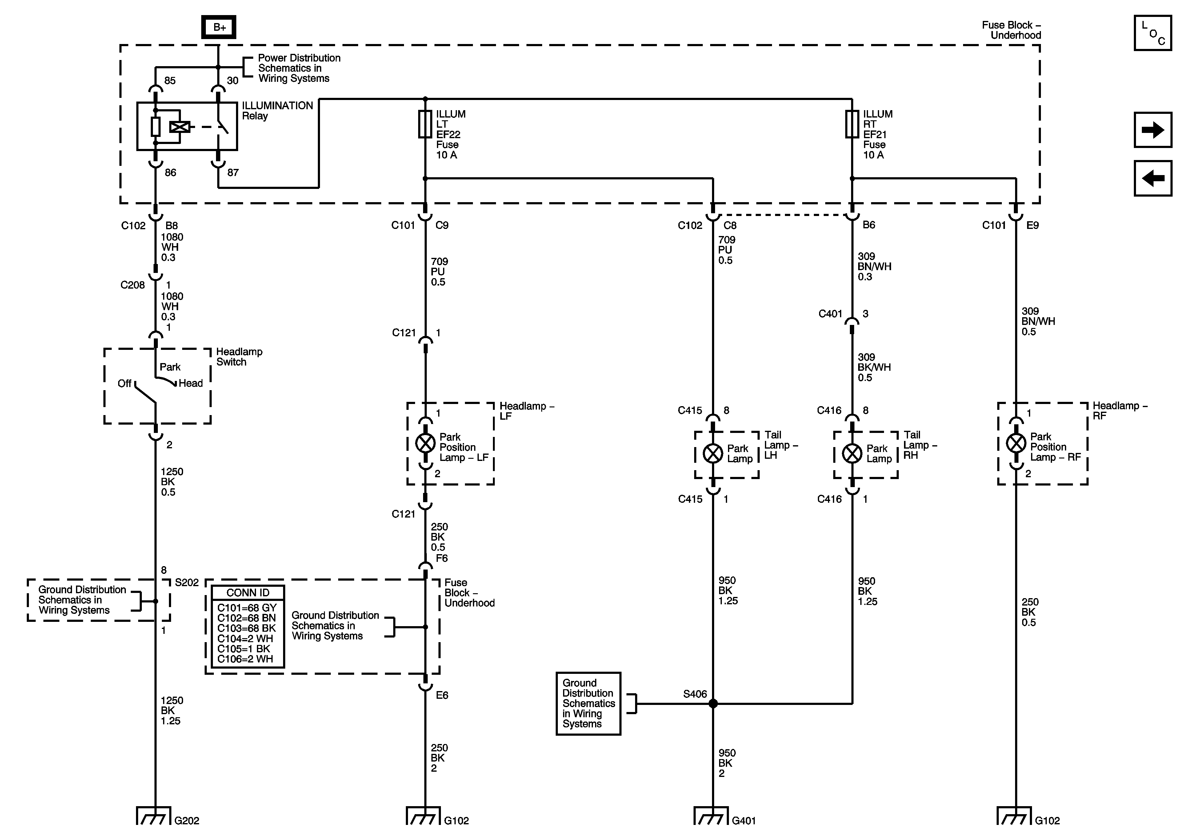
Figure 1:

Park Lamps - North America


Object Number: 1257170  Size: FS
Master Electrical Component List
Park Lamps - Except North America
ABS, BCM BATT, ILLUM RT, ILLUM LT Fuses
G202, SP202
Turn and Hazard Lamps - North America
G303
Turn and Hazard Lamps - North America
G102
G202, SP202
G102
G303
G401, S406, S902
G102
Figure 2:

Park Lamps - Except North America


Object Number: 1461114  Size: FS
Master Electrical Component List
Turn and Hazard Lamps - North America
Park Lamps - North America
ABS, BCM BATT, ILLUM RT, ILLUM LT Fuses
G202, SP202
Turn and Hazard Lamps - North America
G102
G401, S406, S902
G202, SP202
G102
G401, S406, S902
G102
Figure 3:

Turn and Hazard Lamps - North America


Object Number: 1257176  Size: FS
Master Electrical Component List
Turn and Hazard Lamps - Except North America
Park Lamps - Except North America
Clock (North America)
G201, G202, SP203
G201, G202, SP203
G101
G201, G202, SP203
G101
G101
G201, G202, SP203
G101
G401, S406, S902
G201, G202, SP203
G102
G101
Figure 4:

Turn and Hazard Lamps - Except North America


Object Number: 1461116  Size: FS
Master Electrical Component List
Battery Saver Relay - Except North America
Turn and Hazard Lamps - North America
ABS, BCM BATT, ILLUM RT, ILLUM LT Fuses
ILLUM RT Fuse, SP 204
Clock (North America)
G201, G202, SP203
G201, G202, SP203
G101
G202, SP201
G201, G202, SP203
G101
G401, S406, S902
G202, SP201
G102
Figure 5:

Battery Saver Relay - Except North America


Object Number: 1685660  Size: FS
Master Electrical Component List
ABS, BCM BATT, ILLUM RT, ILLUM LT Fuses
Park Lamps - North America
INT LTS, FRT DEFOG Fuses
INT LTS, FRT DEFOG Fuses
INT LTS, FRT DEFOG Fuses
INT LTS, FRT DEFOG Fuses
Stop Lamps
Turn and Hazard Lamps - Except North America
G202, SP202
G202, SP202
Figure 6:

Stop Lamps


Object Number: 1685661  Size: FS
Master Electrical Component List
Backup Lamps
Battery Saver Relay - Except North America
STOP LAMPS, HI BEAM PASSING, ECM Fuses
G401, S406, S902
G303
G401, S406, S902
Figure 7:

Backup Lamps


Object Number: 1461117  Size: FS
Master Electrical Component List
Stop Lamps
IGN 1, Fuse, Ignition Switch, I/P Fuse Block, - LTR, HTD SEAT, CLK, RADIO, AIR BAG, BCK/UP, CRUISE, ECM Fuses
G303
G401, S406, S902
G303
G401, S406, S902
Inside Rearview Mirror Schematics