GM Service Manual Online
For 1990-2009 cars only

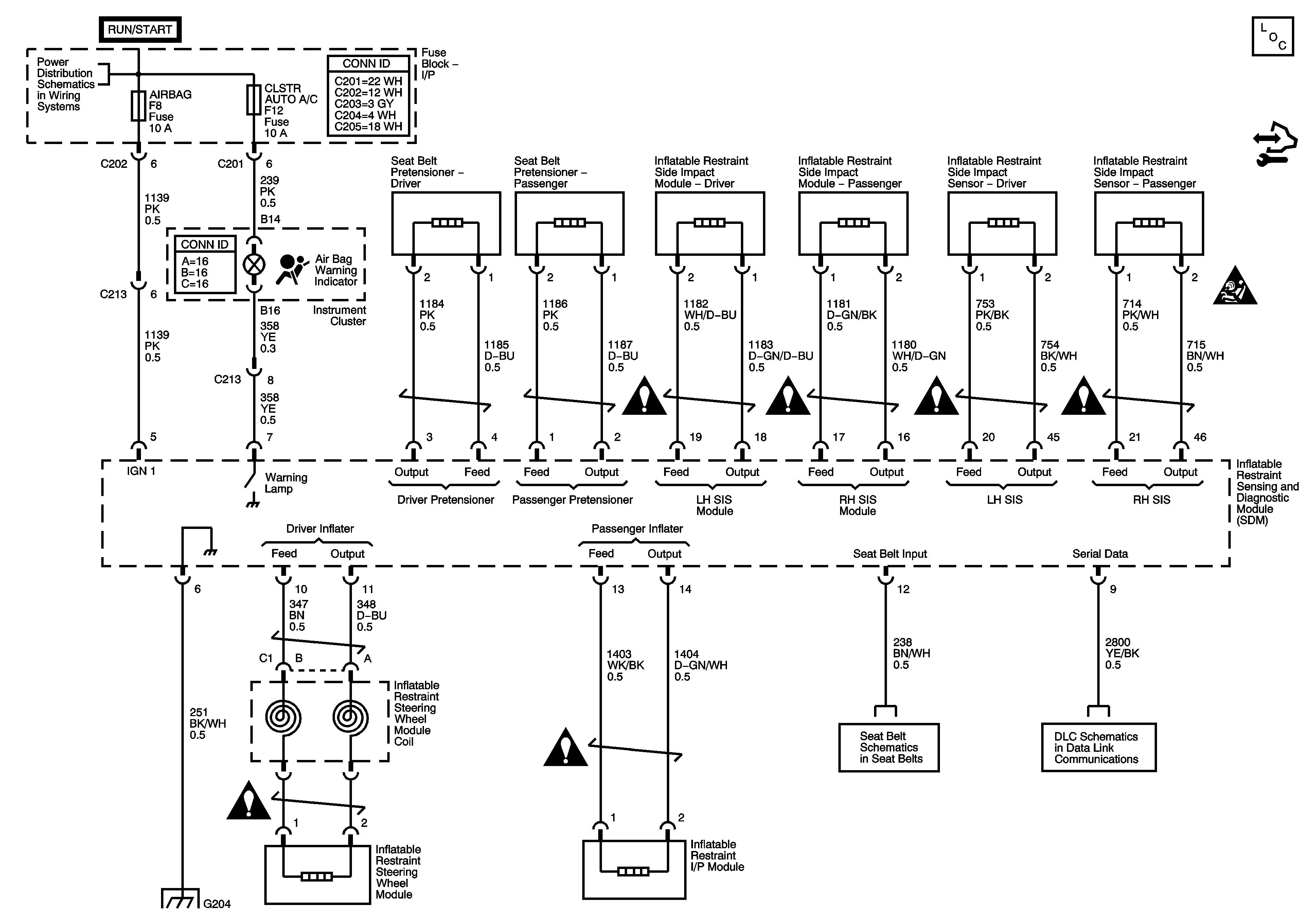
SIR Schematics North America

Figure 1:

Power, Ground, Impact Sensors, Passenger Presence System


Object Number: 1685687  Size: FS
Master Electrical Component List
Airbag and Pretensioner Deployment Loops
SIR Schematic Icons
IGN 1, Fuse, Ignition Switch, I/P Fuse Block, - LTR, HTD SEAT, CLK, RADIO, AIR BAG, BCK/UP, CRUISE, ECM Fuses
DLC Schematics
G202, SP202
G204
G202, SP202
G301
G204
G103 and G104 (2.0L ITMS-6F)
Figure 2:

Airbag and Pretensioner Deployment Loops


Object Number: 1685688  Size: FS
Master Electrical Component List
Power, Ground, Impact Sensors, Passenger Presence System
SIR Schematic Icons
SIR Schematic Icons

SIR Schematics Except North America


Object Number: 1685689  Size: FS
Master Electrical Component List
IGN 1, Fuse, Ignition Switch, I/P Fuse Block, - LTR, HTD SEAT, CLK, RADIO, AIR BAG, BCK/UP, CRUISE, ECM Fuses
Seat Belt Schematics
DLC Schematics
G204