GM Service Manual Online
For 1990-2009 cars only
Makes
🢒
Chevrolet
🢒
2005
🢒
Epica
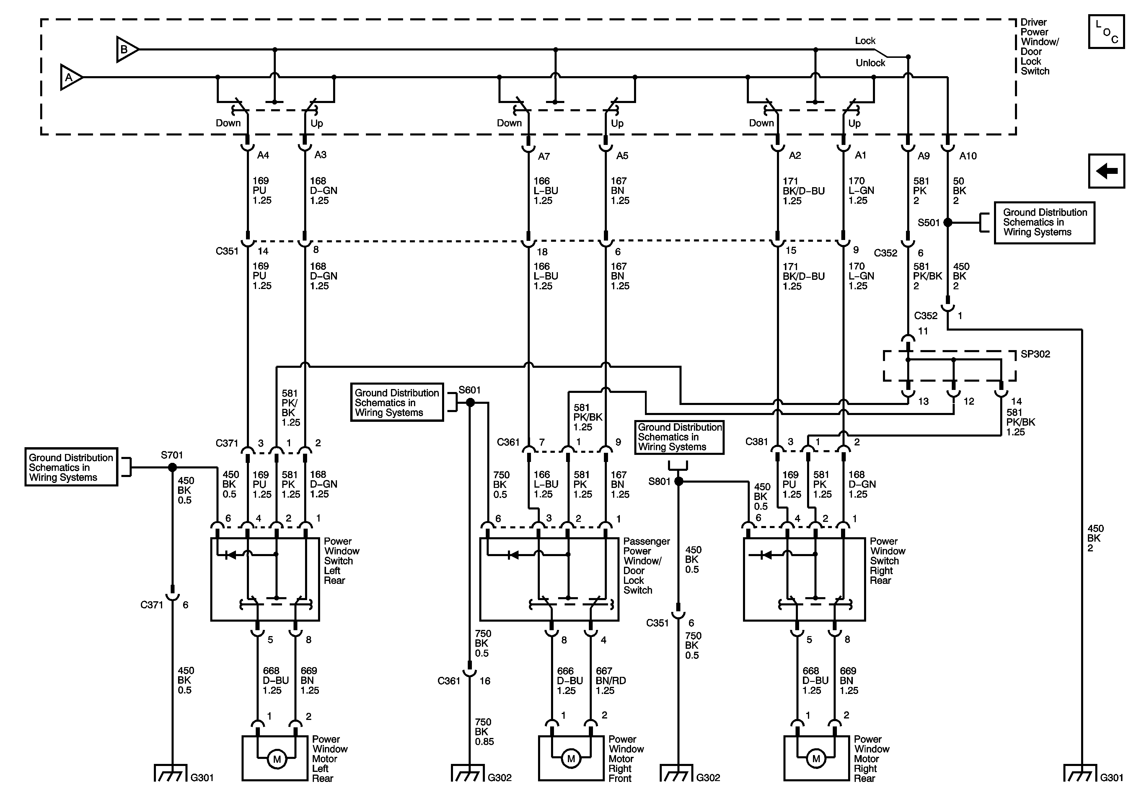
🢒 Power Window Schematics (2 of 2)
Power Window Schematics (2 of 2)
Power Window Schematics (2 of 2)
Master Electrical Component List
Power Window Schematics (1 of 2)
G301
G302
G302
G301
G301
G302
G302
G301