GM Service Manual Online
For 1990-2009 cars only
Makes
🢒
Chevrolet
🢒
2007
🢒
Epica
🢒
Seats
🢒
Power Seats
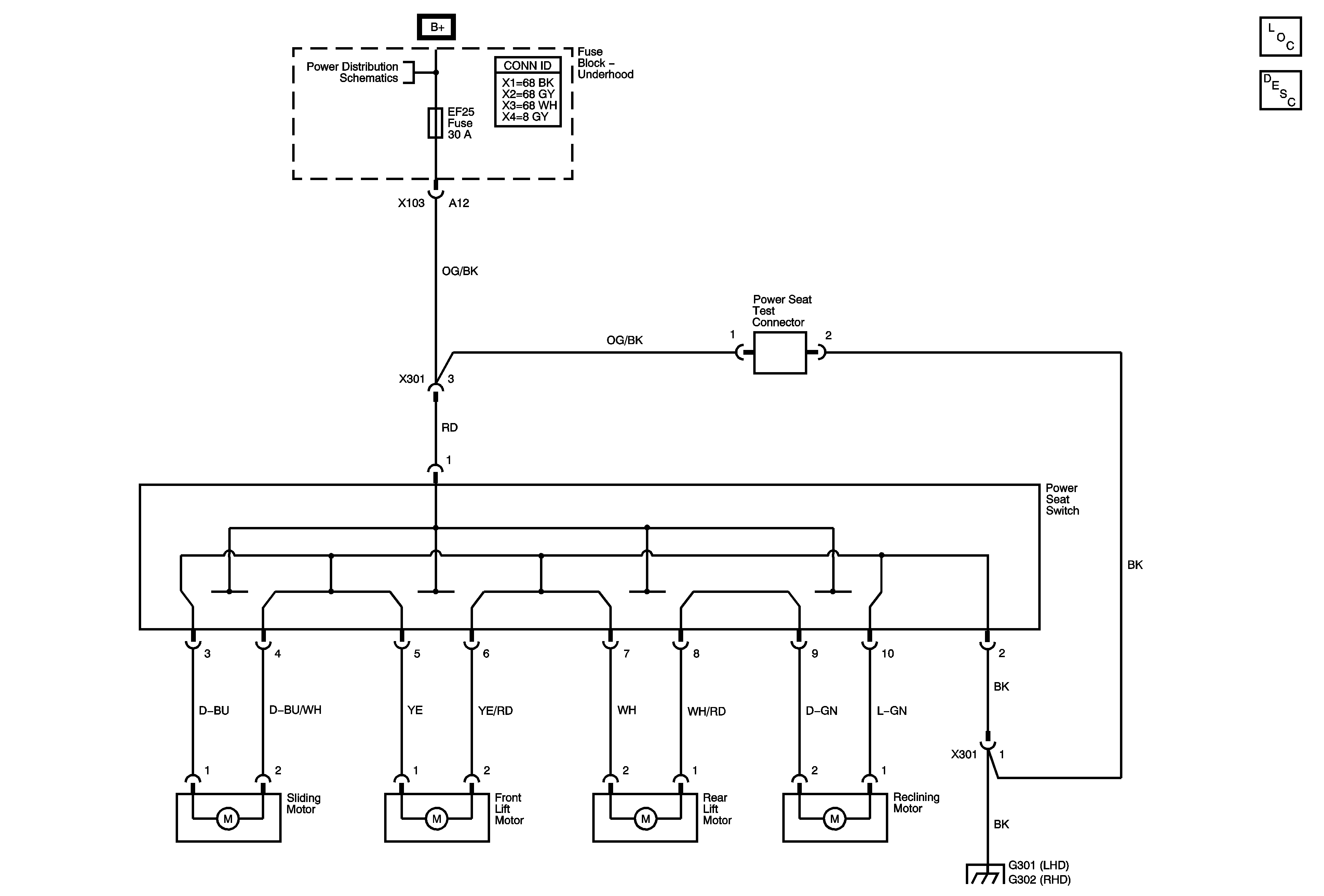
🢒 Driver Seat Schematics
Master Electrical Component List
Seat Belt System Description and Operation
Alternator, EF1, EF3, EF5, EF18, EF19, EF27, EF30, EF33 Fuses
G301
G302