GM Service Manual Online
For 1990-2009 cars only
Makes
🢒
Chevrolet
🢒
2007
🢒
Epica
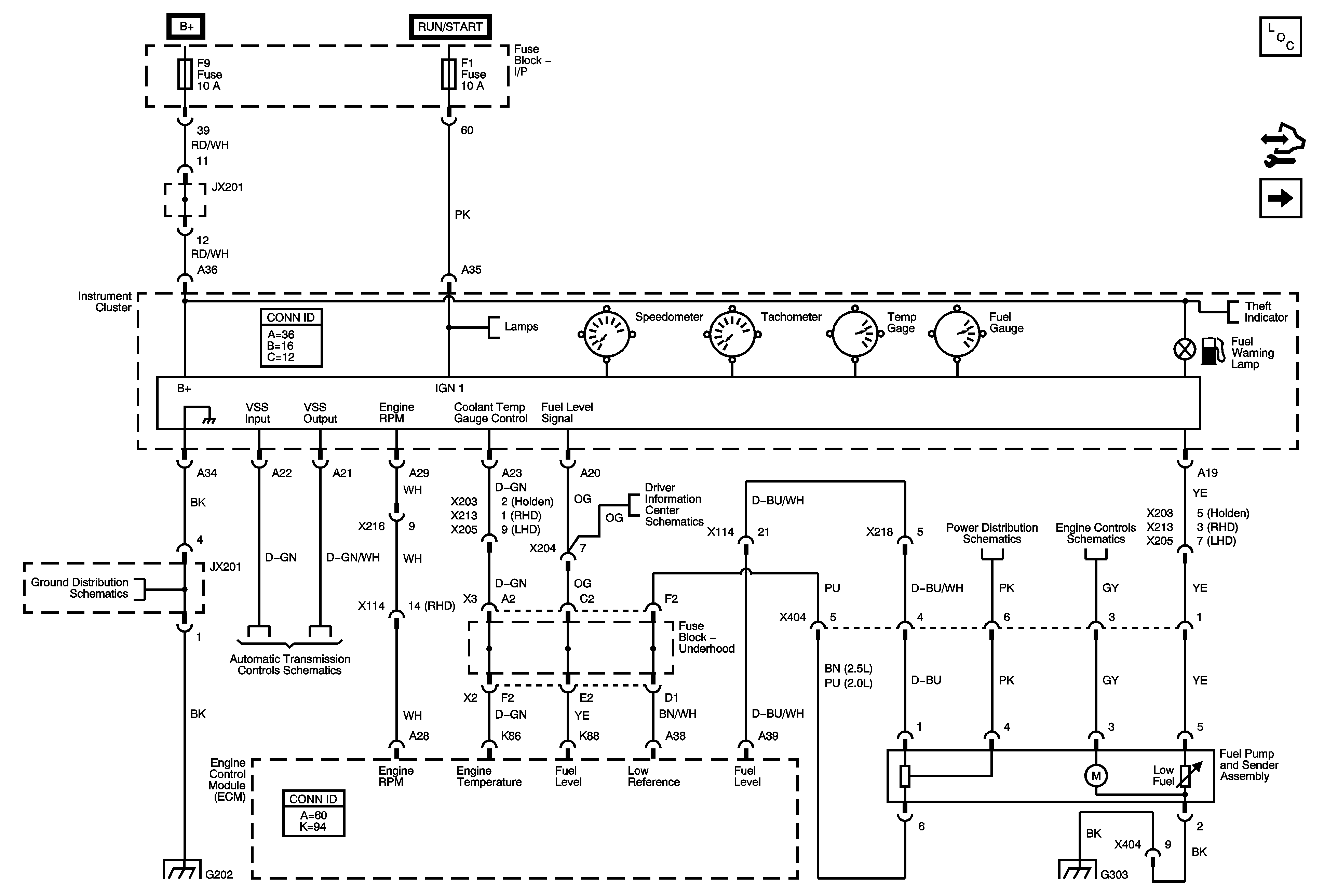
🢒 Power, Ground and Gages
Power, Ground and Gages
Power, Ground, and Gages
Master Electrical Component List
Control Module References
Gages Power and Ground - Diesel
G101, G106, G107
Driver Information Center
Alternator, EF1, EF3, EF5, EF18, EF19, EF27, EF30, EF33 Fuses
Engine Control Module, Power and Ground, Serial Data, Malfunction Indicator Lamp
Transmission Control Module (TCM) Power, Ground, Serial Data, Hold Mode Indicator Control
G202 (1 of 2)
G303