GM Service Manual Online
For 1990-2009 cars only

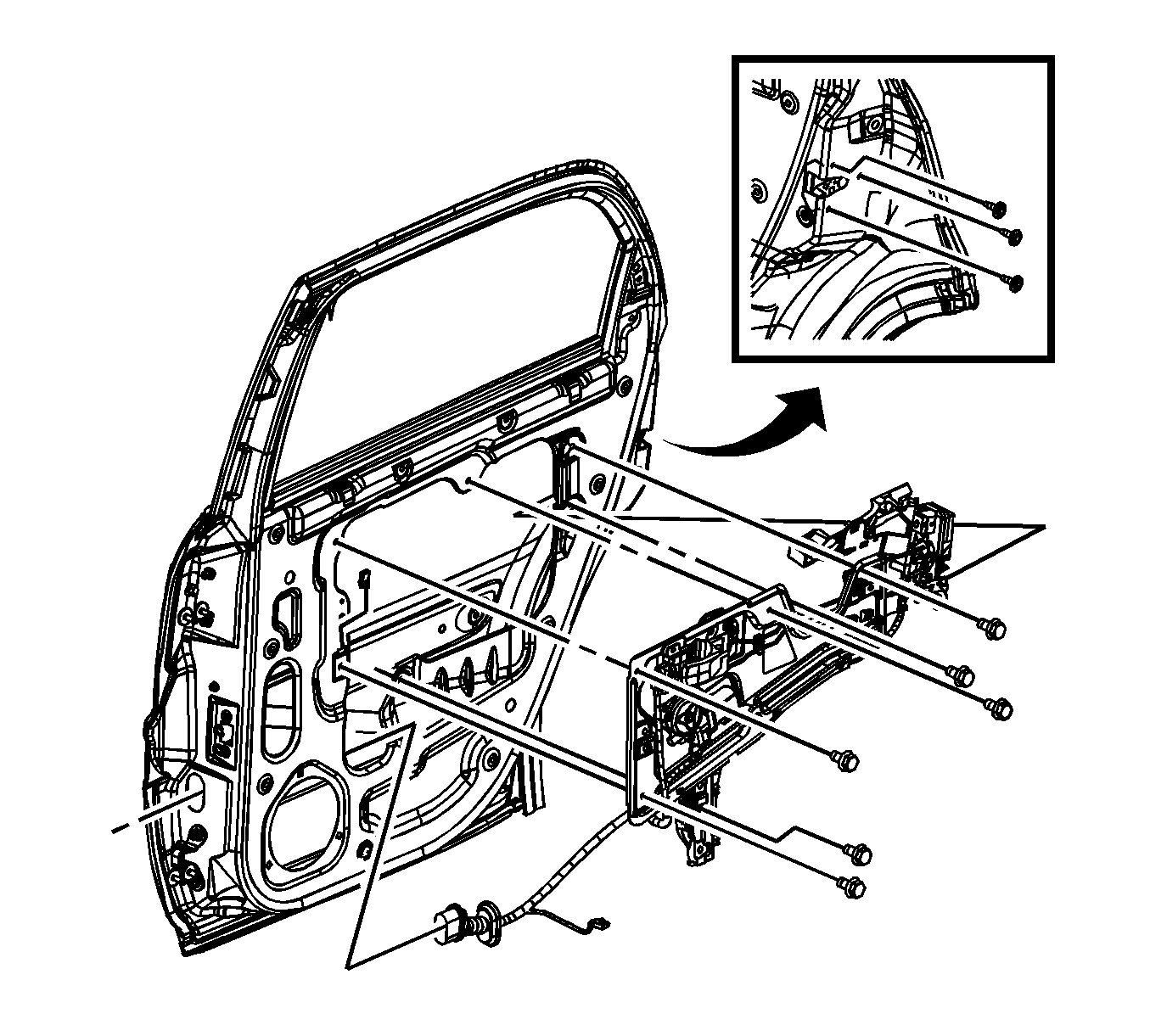
Removal Procedure


    Object Number: 1378605  Size: SH
  1. Remove the rear door window regulator module. Refer to Rear Side Door Window Regulator Replacement .
  2. Disconnect the outside handle rod from the latch.

  3. Object Number: 1383008  Size: SH
  4. Remove the outside handle bracket.
  5. Disconnect the latch electrical connector.

  6. Object Number: 1383040  Size: SH
  7. Disconnect the latch arm from the window regulator module by depressing the tab and sliding rearward.
  8. Disconnect the inside handle rod and lock button rod by twisting the latch.

  9. Object Number: 1383034  Size: SH
  10. Remove the latch from the latch arm by twisting.

Installation Procedure


    Object Number: 1383034  Size: SH
  1. Install the latch to the latch arm by twisting.
  2. Connect the inside handle rod and lock button rod by aligning the rods with clips and twisting the latch.

  3. Object Number: 1383040  Size: SH
  4. Connect the latch arm to the window regulator module by depressing the table and sliding rearward.
  5. Connect the latch electrical connector.

  6. Object Number: 1383008  Size: SH
  7. Install the outside handle bracket.
  8. Connect the outside handle rod to the latch.

  9. Object Number: 1378605  Size: SH
  10. Install the rear door window regulator module. Refer to Rear Side Door Window Regulator Replacement .