GM Service Manual Online
For 1990-2009 cars only
Figure 1:

Radio w/UW6


Object Number: 1810835  Size: FS
Master Electrical Component List
Radio/Audio System Description and Operation
Control Module References
Radio w/U65 - 1 of 2
AMP, BCM, CHMSL/DM/LAMP, HVAC/RFA and RDO Fuse
Low Speed GMLAN
OnStar Schematics
G201
Figure 2:

Radio w/U65 -- 1 of 2


Object Number: 1810858  Size: FS
Master Electrical Component List
Radio/Audio System Description and Operation
Control Module References
Radio w/U65 - 2 of 2
Radio w/UW6
AMP, BCM, CHMSL/DM/LAMP, HVAC/RFA and RDO Fuse
Serial Data, Traction Switch, and Instrument Panel
Low Speed GMLAN
OnStar Schematics
Power, Ground, and Video Signals
G403
G201
Figure 3:

Radio w/U65 -- 2 of 2


Object Number: 1810912  Size: FS
Master Electrical Component List
Radio/Audio System Description and Operation
Control Module References
Digital Radio Receiver (U2K)
Radio w/U65 - 1 of 2
Figure 4:

Digital Radio Receiver (U2K)


Object Number: 1810921  Size: FS
Master Electrical Component List
Radio/Audio System Description and Operation
Control Module References
Steering Wheel Controls (UK3)
Radio w/U65 - 2 of 2
BATT 1, CNSTR VENT, CLSTR, HVAC BLWR, INFOTMNT, INT LAMP, ONSTAR, REAR DEFOG and RVC Fuses
BATT 1, CNSTR VENT, CLSTR, HVAC BLWR, INFOTMNT, INT LAMP, ONSTAR, REAR DEFOG and RVC Fuses
G311
Low Speed GMLAN
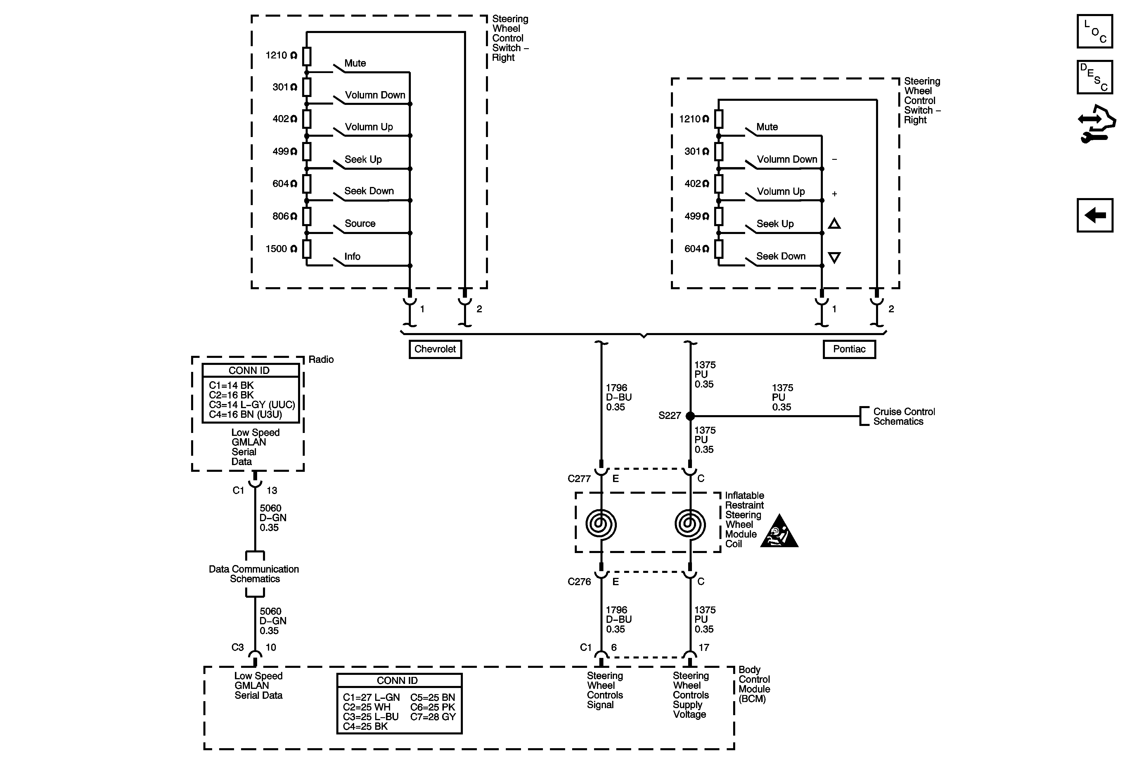
Figure 5:

Steering Wheel Controls (UK3)


Object Number: 1810947  Size: FS
Master Electrical Component List
Radio/Audio System Description and Operation
Control Module References
Digital Radio Receiver (U2K)
Cruise Control Schematics
Low Speed GMLAN