GM Service Manual Online
For 1990-2009 cars only
Makes
🢒
Chevrolet
🢒
2007
🢒
Equinox
🢒
Diagnostic Navigation
🢒
Vehicle Diagnostic Information
🢒 HVAC Schematics
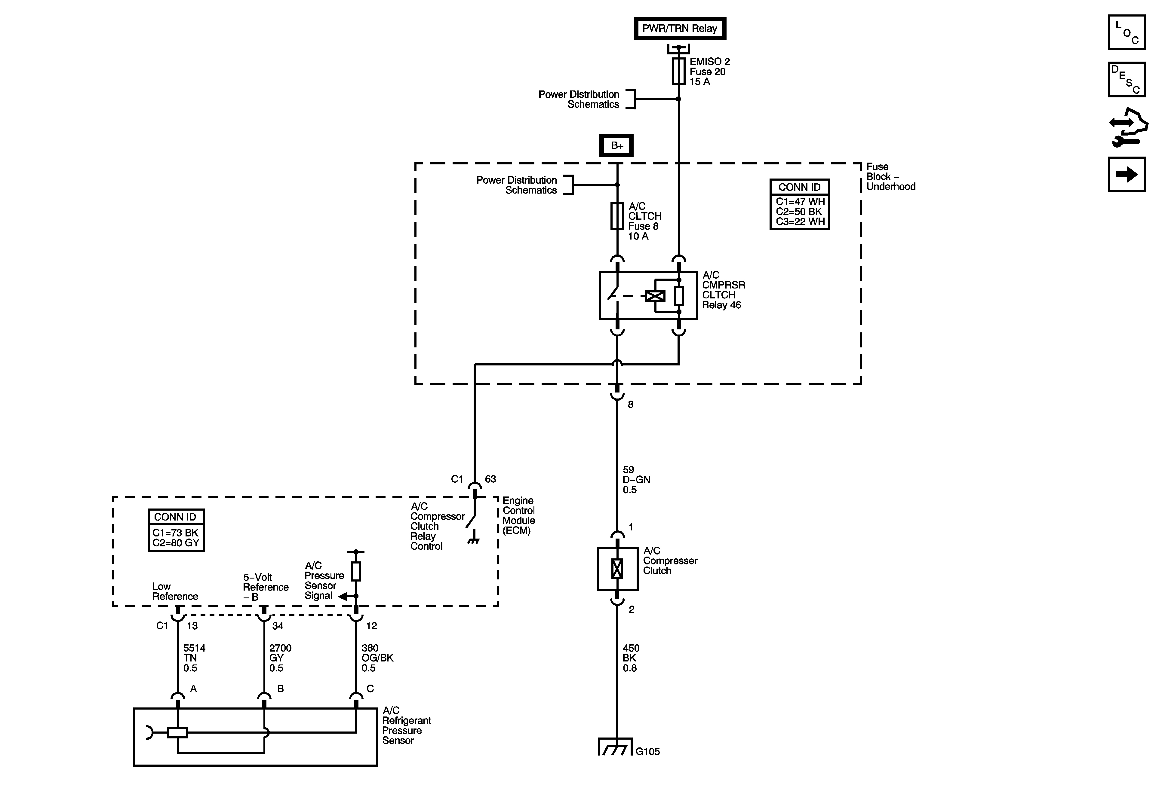
Figure
1:
A/C Compressor Controls
Master Electrical Component List
Air Temperature Description and Operation
Control Module References
Sensors and Blower Motor
B+ BUS - 1 of 2
B+ BUS - 1 of 2
B+ BUS - 1 of 2
G103, G105, G111
Figure
2:
Sensors and Blower Motor
Master Electrical Component List
Air Delivery Description and Operation
Control Module References
Actuators
A/C Compressor Controls
AMP, BCM, CHMSL/DM/LAMP, HVAC/RFA and RDO Fuse
Low Speed GMLAN
Release Systems Schematics
G203, G205, G207
G201
Figure
3:
Actuators
Master Electrical Component List
Air Delivery Description and Operation
Control Module References
Sensors and Blower Motor