GM Service Manual Online
For 1990-2009 cars only

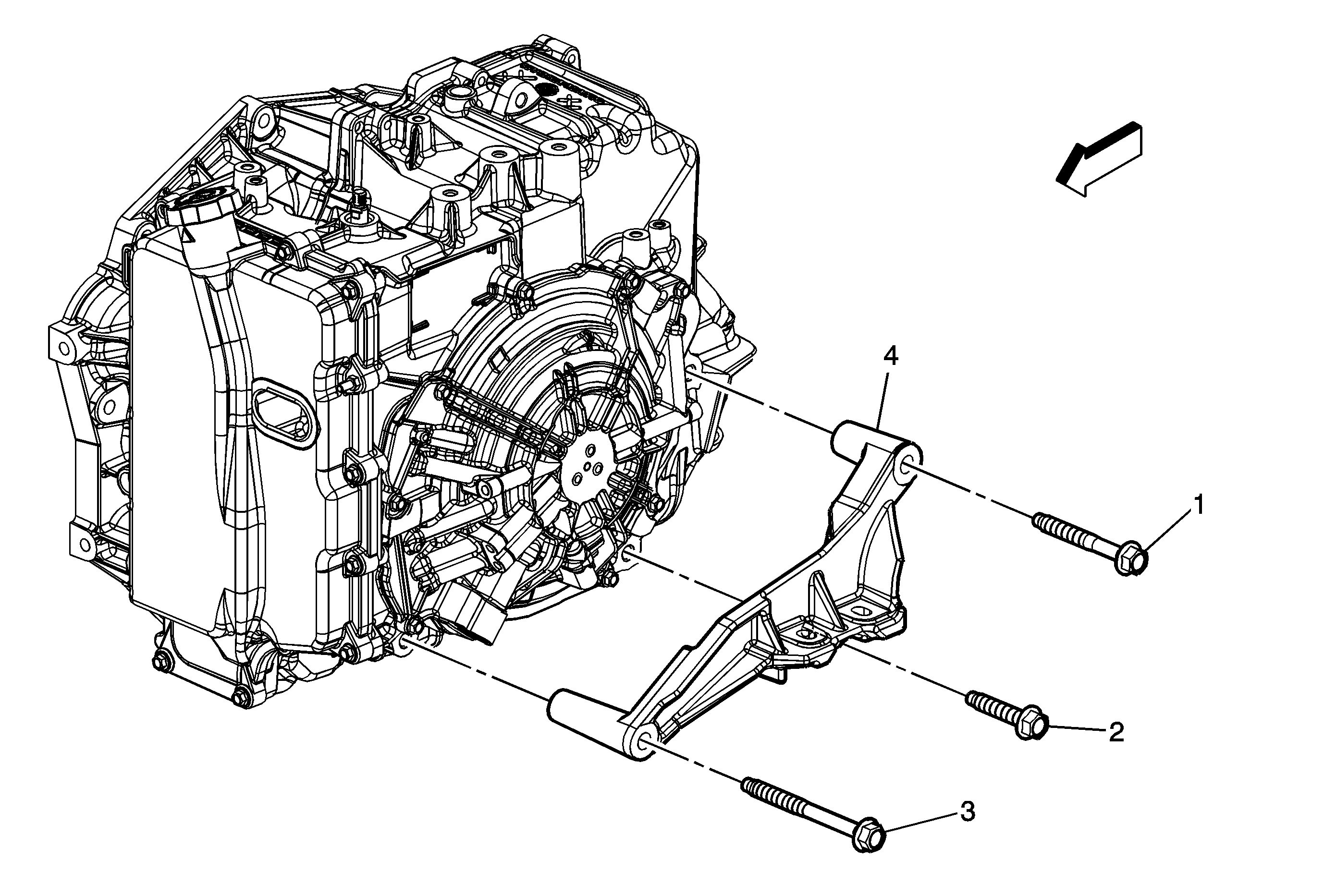
Object Number: 1954358  Size: MF

Callout

Component Name

Preliminary Procedures

Remove the left transmission mount. Refer to Transmission Mount Replacement - Left Side.

1

Transmission Mount Bracket Bolt

Caution: Refer to Fastener Caution in the Preface section.

Tighten
110 N·m (81 lb ft)

2

Transmission Mount Bracket Bolt

Tighten
110 N·m (81 lb ft)

3

Transmission Mount Bracket Bolt

Tighten
110 N·m (81 lb ft)

4

Transmission Mount Bracket