GM Service Manual Online
For 1990-2009 cars only
Figure 1:

PWR, GND and DLC 5.0L/5.7L


Object Number: 44681  Size: FS
Engine Controls Components
Information Sensors 5.7L, 7.4L
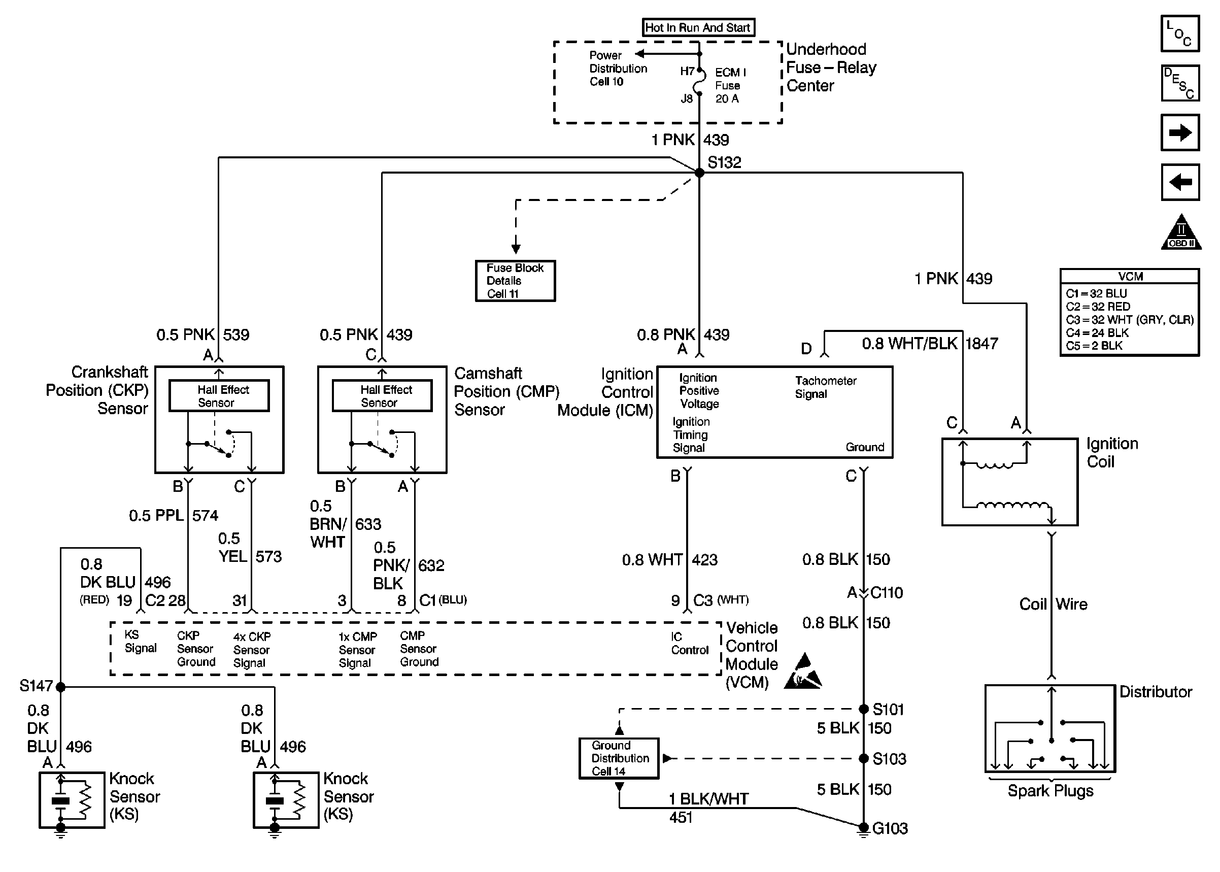
Ignition Controls 5.0L/5.7L
OBD II Symbol Description Notice
Figure 2:

Ignition Controls 5.0L/5.7L


Object Number: 44682  Size: FS
Engine Controls Components
Information Sensors 5.7L, 7.4L
Fuel Pump Controls 5.0L/5.7L
PWR, GND and DLC 5.0L/5.7L
OBD II Symbol Description Notice
Figure 3:

Fuel Pump Controls 5.0L/5.7L


Object Number: 44684  Size: FS
Engine Controls Components
Information Sensors 5.7L, 7.4L
Fuel Injector Controls 5.0L/5.7L
Ignition Controls 5.0L/5.7L
OBD II Symbol Description Notice
Figure 4:

Fuel Injector Controls 5.0L/5.7L


Object Number: 44686  Size: FS
Engine Controls Components
Information Sensors 5.7L, 7.4L
Sensor Controls 5.0L/5.7L
Fuel Pump Controls 5.0L/5.7L
OBD II Symbol Description Notice
Figure 5:

Sensor Controls 5.0L/5.7L


Object Number: 44687  Size: FS
Engine Controls Components
Information Sensors 5.7L, 7.4L
EGR and EVAP Controls 5.0L/5.7L
Fuel Injector Controls 5.0L/5.7L
OBD II Symbol Description Notice
EGR and EVAP Controls 5.0L/5.7L
EGR and EVAP Controls 5.0L/5.7L
Switch, Sensor and GND Controls
Sensor, Solenoid and GND Controls
Figure 6:

EGR and EVAP Controls 5.0L/5.7L


Object Number: 44688  Size: FS
Engine Controls Components
Information Sensors 5.7L, 7.4L
Oxygen Sensor Controls 5.0L
Sensor Controls 5.0L/5.7L
OBD II Symbol Description Notice
Sensor Controls 5.0L/5.7L
Sensor Controls 5.0L/5.7L
Figure 7:

Oxygen Sensor Controls 5.0L


Object Number: 44689  Size: FS
Engine Controls Components
Information Sensors 5.7L, 7.4L
Oxygen Sensor Controls 5.7L
EGR and EVAP Controls 5.0L/5.7L
OBD II Symbol Description Notice
Figure 8:

Oxygen Sensor Controls 5.7L


Object Number: 44691  Size: FS
Engine Controls Components
Information Sensors 5.7L, 7.4L
VSS and Cruise Controls 5.0L/5.7L
Oxygen Sensor Controls 5.0L
OBD II Symbol Description Notice
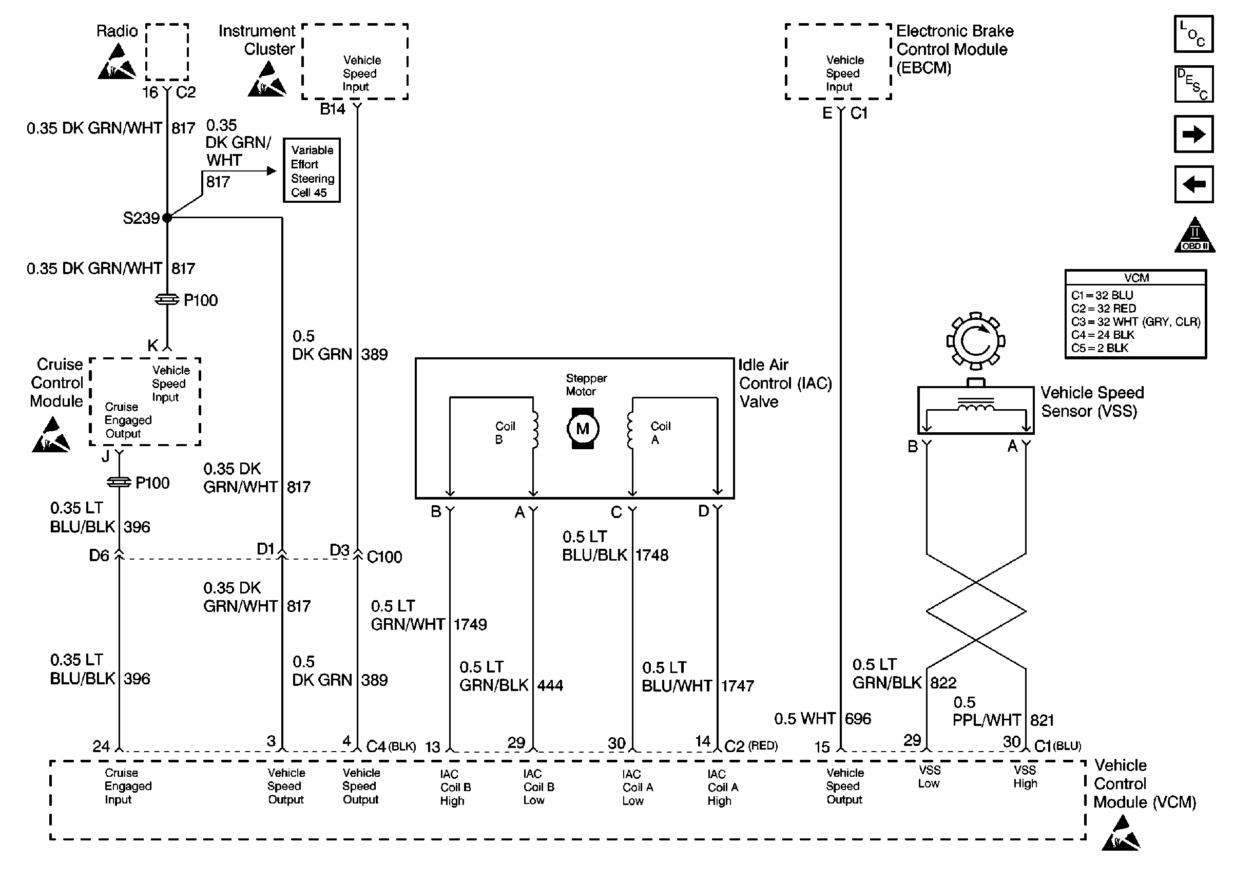
Figure 9:

VSS and Cruise Controls 5.0L/5.7L


Object Number: 44692  Size: FS
Engine Controls Components
Information Sensors 5.7L, 7.4L
4L60-E Solenoid Controls 5.0L/5.7L
Oxygen Sensor Controls 5.7L
OBD II Symbol Description Notice
Figure 10:

4L60-E Solenoid Controls 5.0L/5.7L


Object Number: 44693  Size: FS
Engine Controls Components
Information Sensors 5.7L, 7.4L
4L60-E Transmission Switch Controls 5.0L/5.7L
VSS and Cruise Controls 5.0L/5.7L
OBD II Symbol Description Notice
Figure 11:

4L60-E Transmission Switch Controls 5.0L/5.7L


Object Number: 44694  Size: FS
Engine Controls Components
Information Sensors 5.7L, 7.4L
4L80-E Transmission Solenoid Controls 5.0L/5.7L
4L60-E Solenoid Controls 5.0L/5.7L
OBD II Symbol Description Notice
Sensor Controls 5.0L/5.7L
Figure 12:

4L80-E Transmission Solenoid Controls 5.0L/5.7L


Object Number: 44696  Size: FS
Engine Controls Components
Information Sensors 5.7L, 7.4L
4L80-E Transmission Switch Controls 5.0L/5.7L
4L60-E Transmission Switch Controls 5.0L/5.7L
OBD II Symbol Description Notice
Figure 13:

4L80-E Transmission Switch Controls 5.0L/5.7L


Object Number: 44698  Size: FS
Engine Controls Components
Information Sensors 5.7L, 7.4L
A/C Controls 5.0L/5.7L
4L80-E Transmission Solenoid Controls 5.0L/5.7L
OBD II Symbol Description Notice
Sensor Controls 5.0L/5.7L
Figure 14:

A/C Controls 5.0L/5.7L


Object Number: 44699  Size: FS
Engine Controls Components
Information Sensors 5.7L, 7.4L
PWR, GND and DLC 7.4L
4L80-E Transmission Switch Controls 5.0L/5.7L
OBD II Symbol Description Notice
Figure 15:

PWR, GND and DLC 7.4L


Object Number: 44700  Size: FS
Engine Controls Components
Information Sensors 5.7L, 7.4L
Ignition Controls 7.4L
A/C Controls 5.0L/5.7L
OBD II Symbol Description Notice
Figure 16:

Ignition Controls 7.4L


Object Number: 44701  Size: FS
Engine Controls Components
Information Sensors 5.7L, 7.4L
Fuel Pump Controls 7.4L
PWR, GND and DLC 7.4L
OBD II Symbol Description Notice
Figure 17:

Fuel Pump Controls 7.4L


Object Number: 44702  Size: FS
Engine Controls Components
Information Sensors 5.7L, 7.4L
Fuel Injector Controls 7.4L
Ignition Controls 7.4L
OBD II Symbol Description Notice
Figure 18:

Fuel Injector Controls 7.4L


Object Number: 44703  Size: FS
Engine Controls Components
Information Sensors 5.7L, 7.4L
Sensor Controls 7.4L
Fuel Pump Controls 7.4L
OBD II Symbol Description Notice
Figure 19:

Sensor Controls 7.4L


Object Number: 44705  Size: FS
Engine Controls Components
Information Sensors 5.7L, 7.4L
EGR and EVAP Controls 7.4L
Fuel Injector Controls 7.4L
OBD II Symbol Description Notice
EGR and EVAP Controls 7.4L
EGR and EVAP Controls 7.4L
Sensor, Solenoid and GND Controls
Figure 20:

EGR and EVAP Controls 7.4L


Object Number: 44706  Size: FS
Engine Controls Components
Information Sensors 5.7L, 7.4L
Oxygen Sensor Controls 7.4L
Sensor Controls 7.4L
OBD II Symbol Description Notice
Sensor Controls 7.4L
Sensor Controls 7.4L
Figure 21:

Oxygen Sensor Controls 7.4L


Object Number: 44707  Size: FS
Engine Controls Components
Information Sensors 5.7L, 7.4L
Vehicle Speed Sensor and Cruise Control 7.4L
EGR and EVAP Controls 7.4L
OBD II Symbol Description Notice
Figure 22:

Vehicle Speed Sensor and Cruise Control 7.4L


Object Number: 44708  Size: FS
Engine Controls Components
Information Sensors 5.7L, 7.4L
Secondary AIR Controls 7.4L
Oxygen Sensor Controls 7.4L
OBD II Symbol Description Notice
Figure 23:

Secondary AIR Controls 7.4L


Object Number: 44709  Size: FS
Engine Controls Components
Information Sensors 5.7L, 7.4L
4L80-E Transmission Solenoid Controls 7.4L
Vehicle Speed Sensor and Cruise Control 7.4L
OBD II Symbol Description Notice
Figure 24:

4L80-E Transmission Solenoid Controls 7.4L


Object Number: 44711  Size: FS
Engine Controls Components
Information Sensors 5.7L, 7.4L
4L80-E Transmission Switch Controls 7.4L
Secondary AIR Controls 7.4L
OBD II Symbol Description Notice
Figure 25:

4L80-E Transmission Switch Controls 7.4L


Object Number: 44712  Size: FS
Engine Controls Components
Information Sensors 5.7L, 7.4L
A/C Controls 7.4L
4L80-E Transmission Solenoid Controls 7.4L
OBD II Symbol Description Notice
Sensor Controls 7.4L
Figure 26:

A/C Controls 7.4L


Object Number: 44715  Size: FS
Engine Controls Components
Information Sensors 5.7L, 7.4L
4L80-E Transmission Switch Controls 7.4L
OBD II Symbol Description Notice