GM Service Manual Online
For 1990-2009 cars only
Figure 1:

Battery, Auxiliary Battery, and Underhood Fuse/Relay Center


Object Number: 555885  Size: FS
Power and Grounding Components
LIGHTING and BATT Fuses
RADIO-I, AUX-A, and AUX-B Fuses, Upfitter Provision Relay, G201, andG106
Figure 2:

LIGHTING and BATT Fuses


Object Number: 555943  Size: FS
Power and Grounding Components
IGN A, IGN B Fuses, and Ignition Switch
Battery, Auxiliary Battery, and Underhood Fuse/Relay Center
Battery, Auxiliary Battery, and Underhood Fuse/Relay Center
Figure 3:

IGN A, IGN B Fuses, and Ignition Switch


Object Number: 555949  Size: FS
Power and Grounding Components
ABS, BLOWER, AIR and RR BLOWER Fuses
LIGHTING and BATT Fuses
Battery, Auxiliary Battery, and Underhood Fuse/Relay Center
Figure 4:

ABS, BLOWER, AIR and RR BLOWER Fuses


Object Number: 555953  Size: FS
Power and Grounding Components
ECM B, HORN, and A/C Fuses
IGN A, IGN B Fuses, and Ignition Switch
Battery, Auxiliary Battery, and Underhood Fuse/Relay Center
Handling ESD Sensitive Parts Notice
Figure 5:

ECM B, HORN, and A/C Fuses


Object Number: 555957  Size: FS
Power and Grounding Components
ENG 1 Fuse (4.3L, 5.0L, and 5.7L)
ABS, BLOWER, AIR and RR BLOWER Fuses
Battery, Auxiliary Battery, and Underhood Fuse/Relay Center
Handling ESD Sensitive Parts Notice
Handling ESD Sensitive Parts Notice
Figure 6:

ENG 1 Fuse (4.3L, 5.0L, and 5.7L)


Object Number: 555960  Size: FS
Power and Grounding Components
ENG 1 Fuse (6.5L and 7.4L)
ECM B, HORN, and A/C Fuses
IGN A, IGN B Fuses, and Ignition Switch
Figure 7:

ENG 1 Fuse (6.5L and 7.4L)


Object Number: 555962  Size: FS
Power and Grounding Components
ECM 1 and IGN E Fuses (4.3L)
ENG 1 Fuse (4.3L, 5.0L, and 5.7L)
IGN A, IGN B Fuses, and Ignition Switch
Figure 8:

ECM 1 and IGN E Fuses (4.3L)


Object Number: 555971  Size: FS
Power and Grounding Components
ECM 1 and IGN E Fuses (5.0L and 5.7L)
ENG 1 Fuse (6.5L and 7.4L)
Handling ESD Sensitive Parts Notice
Handling ESD Sensitive Parts Notice
IGN A, IGN B Fuses, and Ignition Switch
Figure 9:

ECM 1 and IGN E Fuses (5.0L and 5.7L)


Object Number: 555974  Size: FS
Power and Grounding Components
ECM 1 and IGN E Fuses (6.5L)
ECM 1 and IGN E Fuses (4.3L)
IGN A, IGN B Fuses, and Ignition Switch
Handling ESD Sensitive Parts Notice
Handling ESD Sensitive Parts Notice
Figure 10:

ECM 1 and IGN E Fuses (6.5L)


Object Number: 555978  Size: FS
Power and Grounding Components
ECM-I and IGN E Fuses (7.4L)
ECM 1 and IGN E Fuses (5.0L and 5.7L)
IGN A, IGN B Fuses, and Ignition Switch
Handling ESD Sensitive Parts Notice
Figure 11:

ECM-I and IGN E Fuses (7.4L)


Object Number: 555982  Size: FS
Power and Grounding Components
LH HDLP, LH HIBM, RH HDLP, and RH HIBM Fuses
ECM 1 and IGN E Fuses (6.5L)
IGN A, IGN B Fuses, and Ignition Switch
Handling ESD Sensitive Parts Notice
Handling ESD Sensitive Parts Notice
Figure 12:

LH HDLP, LH HIBM, RH HDLP, and RH HIBM Fuses


Object Number: 555990  Size: FS
Power and Grounding Components
PWR WDO, HTD MIR, RR DEFOG, and HAZARD Fuses
ECM-I and IGN E Fuses (7.4L)
Figure 13:

PWR WDO, HTD MIR, RR DEFOG, and HAZARD Fuses


Object Number: 555996  Size: FS
Power and Grounding Components
PWR ACCY Fuse
LH HDLP, LH HIBM, RH HDLP, and RH HIBM Fuses
IGN A, IGN B Fuses, and Ignition Switch
LIGHTING and BATT Fuses
LIGHTING and BATT Fuses
LIGHTING and BATT Fuses
Handling ESD Sensitive Parts Notice
Figure 14:

PWR ACCY Fuse


Object Number: 555998  Size: FS
Power and Grounding Components
STOP, PWR AUX, CIG LTR, and RADIO B Fuses
PWR WDO, HTD MIR, RR DEFOG, and HAZARD Fuses
LIGHTING and BATT Fuses
Handling ESD Sensitive Parts Notice
Handling ESD Sensitive Parts Notice
Handling ESD Sensitive Parts Notice
Figure 15:

STOP, PWR AUX, CIG LTR, and RADIO B Fuses


Object Number: 556002  Size: FS
Power and Grounding Components
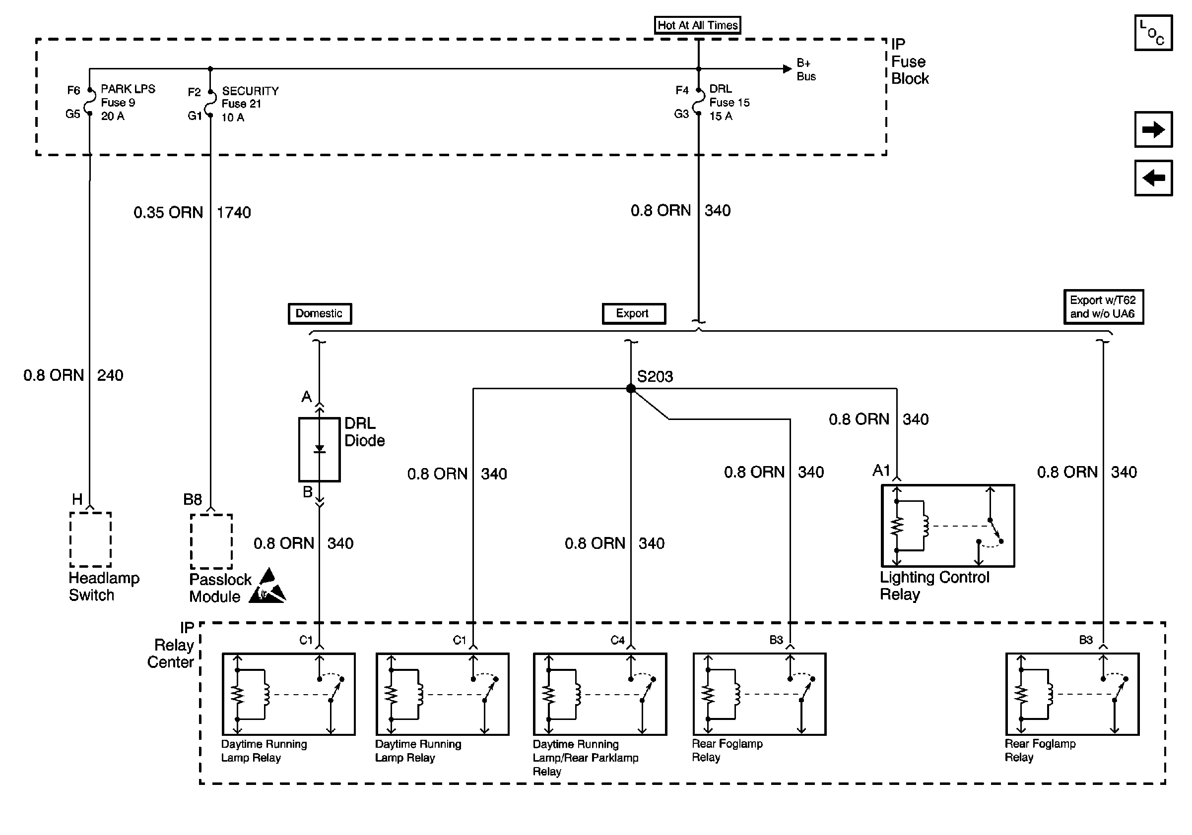
PARK LPS, SECURITY STRG, and DRL Fuses
PWR ACCY Fuse
LIGHTING and BATT Fuses
Handling ESD Sensitive Parts Notice
Figure 16:

PARK LPS, SECURITY STRG, and DRL Fuses


Object Number: 556005  Size: FS
Power and Grounding Components
CTSY, AIR BAGS, and TURN B/U Fuses
STOP, PWR AUX, CIG LTR, and RADIO B Fuses
LIGHTING and BATT Fuses
Handling ESD Sensitive Parts Notice
Figure 17:

CTSY, AIR BAGS, and TURN B/U Fuses


Object Number: 556007  Size: FS
Power and Grounding Components
RADIO 1, WIPER, TRANS, and CRANK Fuses
PARK LPS, SECURITY STRG, and DRL Fuses
LIGHTING and BATT Fuses
IGN A, IGN B Fuses, and Ignition Switch
SIR Handling Caution
Figure 18:

RADIO 1, WIPER, TRANS, and CRANK Fuses


Object Number: 556010  Size: FS
Power and Grounding Components
GAUGES Fuse
CTSY, AIR BAGS, and TURN B/U Fuses
IGN A, IGN B Fuses, and Ignition Switch
IGN A, IGN B Fuses, and Ignition Switch
Handling ESD Sensitive Parts Notice
Handling ESD Sensitive Parts Notice
Figure 19:

GAUGES Fuse


Object Number: 556014  Size: FS
Power and Grounding Components
CRUISE, HTR A/C, and BRAKE Fuses
RADIO 1, WIPER, TRANS, and CRANK Fuses
IGN A, IGN B Fuses, and Ignition Switch
Handling ESD Sensitive Parts Notice
Handling ESD Sensitive Parts Notice
Handling ESD Sensitive Parts Notice
Handling ESD Sensitive Parts Notice
Handling ESD Sensitive Parts Notice
Handling ESD Sensitive Parts Notice
Handling ESD Sensitive Parts Notice
Handling ESD Sensitive Parts Notice
Handling ESD Sensitive Parts Notice
Figure 20:

CRUISE, HTR A/C, and BRAKE Fuses


Object Number: 556017  Size: FS
Power and Grounding Components
RR HVAC Fuse
GAUGES Fuse
Handling ESD Sensitive Parts Notice
Handling ESD Sensitive Parts Notice
Handling ESD Sensitive Parts Notice
Handling ESD Sensitive Parts Notice
IGN A, IGN B Fuses, and Ignition Switch
Figure 21:

RR HVAC Fuse


Object Number: 556019  Size: FS
Power and Grounding Components
ILLUM Fuse and Headlamp Switch
CRUISE, HTR A/C, and BRAKE Fuses
IGN A, IGN B Fuses, and Ignition Switch
Handling ESD Sensitive Parts Notice
Handling ESD Sensitive Parts Notice
Handling ESD Sensitive Parts Notice
Handling ESD Sensitive Parts Notice
Figure 22:

ILLUM Fuse and Headlamp Switch


Object Number: 556023  Size: FS
Power and Grounding Components
RR HVAC Fuse
Handling ESD Sensitive Parts Notice
Handling ESD Sensitive Parts Notice
Handling ESD Sensitive Parts Notice
Handling ESD Sensitive Parts Notice