GM Service Manual Online
For 1990-2009 cars only
Makes
🢒
Chevrolet
🢒
2000
🢒
Express
🢒
Body and Accessories
🢒
Lighting Systems
🢒 Backup Lamp Schematics
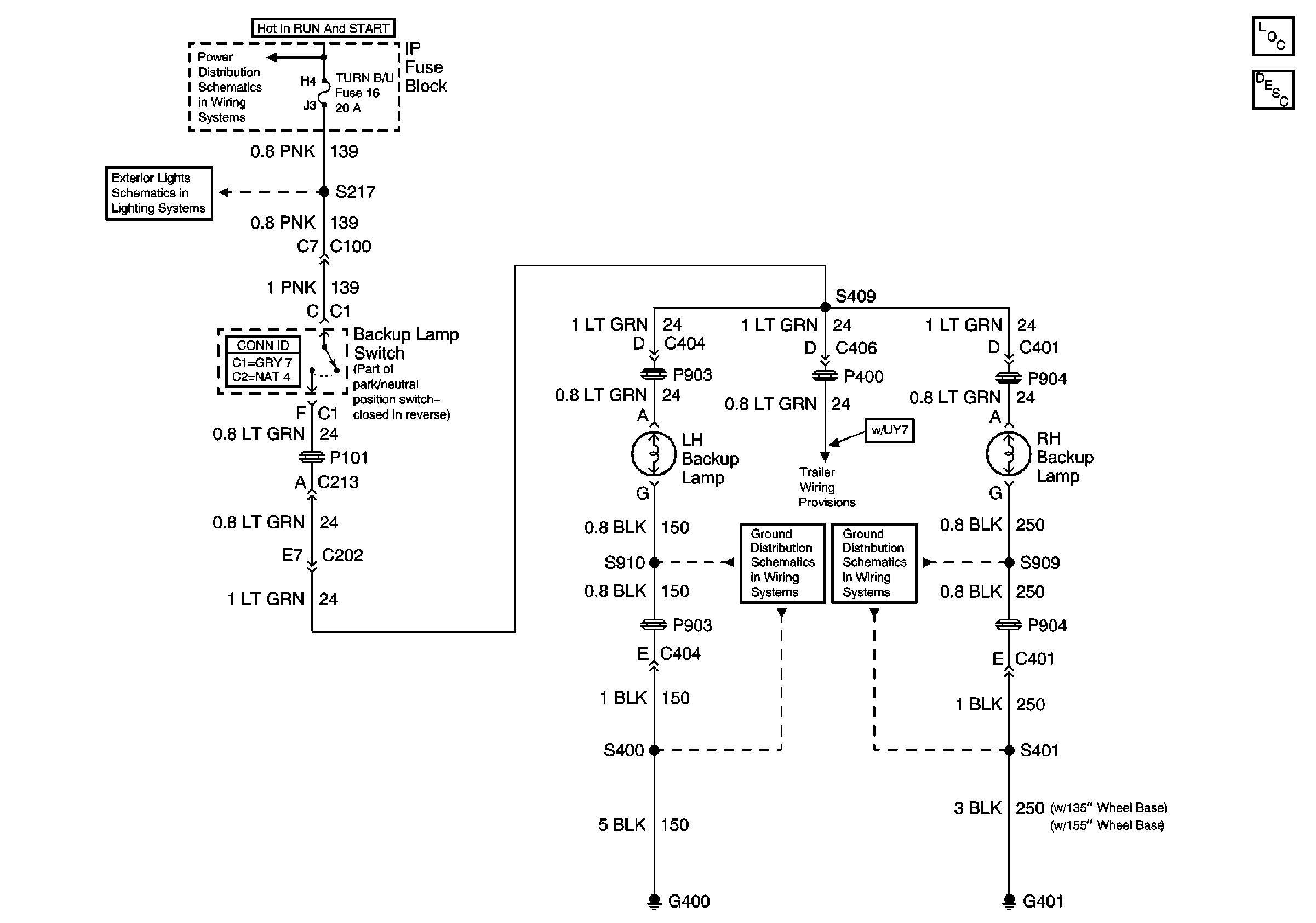
Backup Lamp Schematics Domestic
Lighting Systems Components
Backup Lamp Circuit Description Domestic
IGN A, IGN B Fuses, and Ignition Switch
PARK LPS, TURN B/U, HAZARD, STOP Fuses
G400
G401
Backup Lamp Schematics Export
Lighting Systems Components
Backup Lamp Circuit Description Export
IGN A, IGN B Fuses, and Ignition Switch
PARK LPS, TURN B/U, HAZARD, and STOP Fuses
G401