GM Service Manual Online
For 1990-2009 cars only
Makes
🢒
Chevrolet
🢒
2000
🢒
Express
🢒
Body and Accessories
🢒
Lighting Systems
🢒 Interior Lights Dimming Schematics
Figure
1:
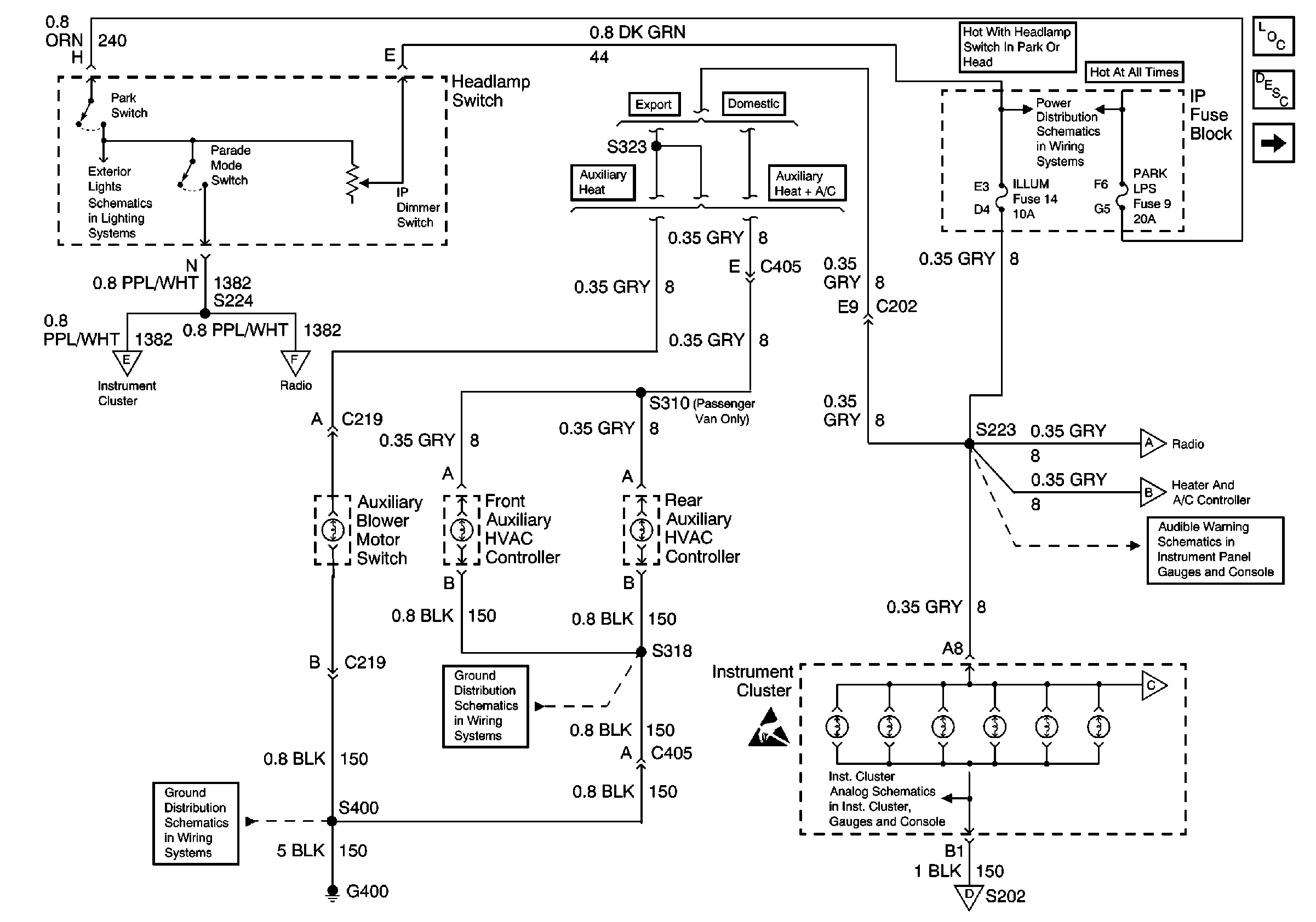
ILLUM and PARK LPS Fuses
Lighting Systems Components
Interior Lights Dimming Circuit Description
IP Illumination
PARK LPS, TURN B/U, HAZARD, STOP Fuses
IP Illumination
IP Illumination
IP Illumination
IP Illumination
GAUGES, ILLUM, HAZARD, PARK LPS Fuses; Multi-Function Alarm Module; Left Front Door Jamb Switch; G201
G400
G400
Handling ESD Sensitive Parts Notice
IP Illumination
IP Illumination
Headlamp Switch, Instrument Cluster, Park/Neutral Position Switch
LIGHTING and BATT Fuses
Figure
2:
IP Illumination
Lighting Systems Components
Interior Lights Dimming Circuit Description
ILLUM and PARK LPS Fuses
IGN A, IGN B Fuses, and Ignition Switch
RADIO 1, WIPER, TRANS, and CRANK Fuses
GAUGES Fuse, Engine Coolant Temperature Gauge Sensor, G101
ILLUM and PARK LPS Fuses
ILLUM and PARK LPS Fuses
IGN A, IGN B Fuses, and Ignition Switch
RADIO 1, WIPER, TRANS, and CRANK Fuses
ILLUM and PARK LPS Fuses
Handling ESD Sensitive Parts Notice
ILLUM and PARK LPS Fuses
Handling ESD Sensitive Parts Notice
G101 (Gasoline Engines)
G101 (Diesel Engine)
G201
Components through S202 and S205 to G201