GM Service Manual Online
For 1990-2009 cars only
Makes
🢒
Chevrolet
🢒
2000
🢒
Express
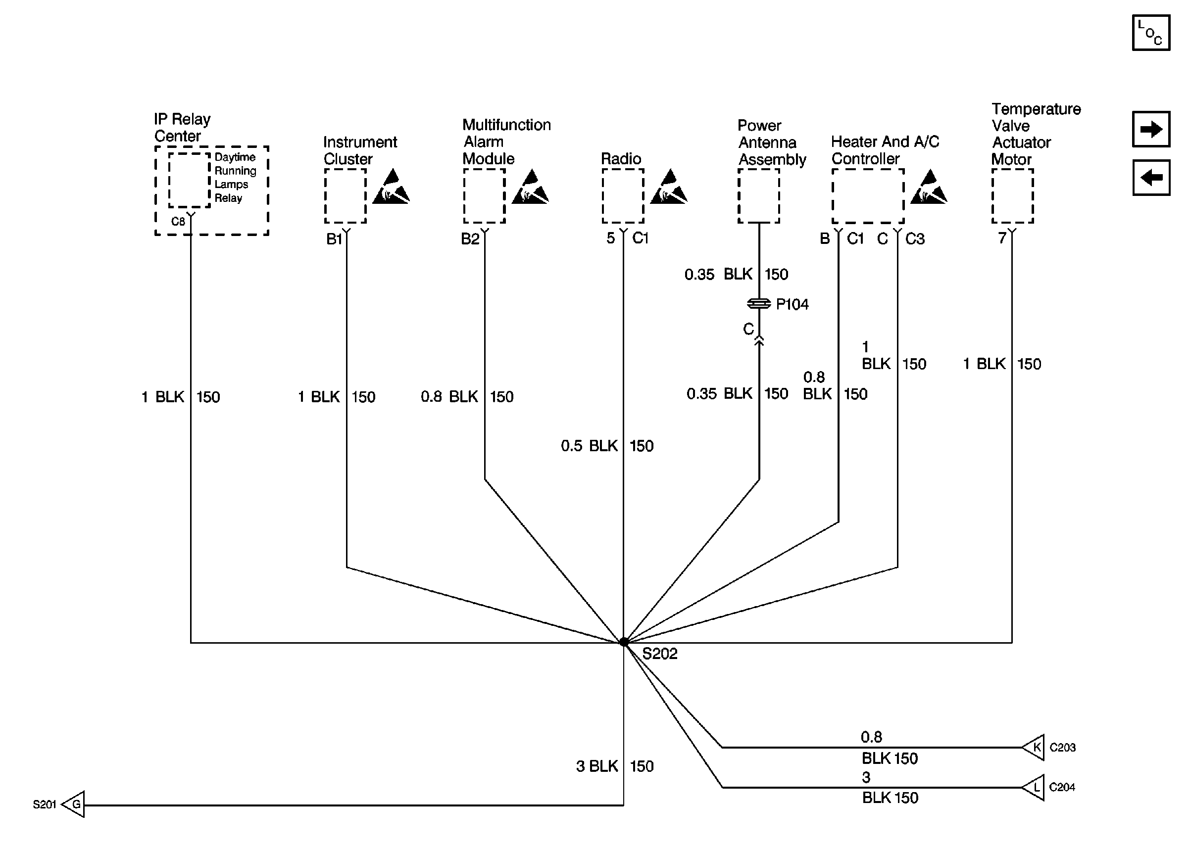
🢒 Cell 14: S202 (G200)
Cell 14: S202 (G200)
Cell 14: S202 (G200)
Power and Grounding Components
Cell 14: G202; C203, C204 (G200)
Cell 14: S601, P600, C212 (G200)
Cell 14: G201
Cell 14: G202; C203, C204 (G200)
Cell 14: G202; C203, C204 (G200)
Handling ESD Sensitive Parts Notice
Handling ESD Sensitive Parts Notice
Handling ESD Sensitive Parts Notice
Handling ESD Sensitive Parts Notice