GM Service Manual Online
For 1990-2009 cars only
Makes
🢒
Chevrolet
🢒
2000
🢒
Express
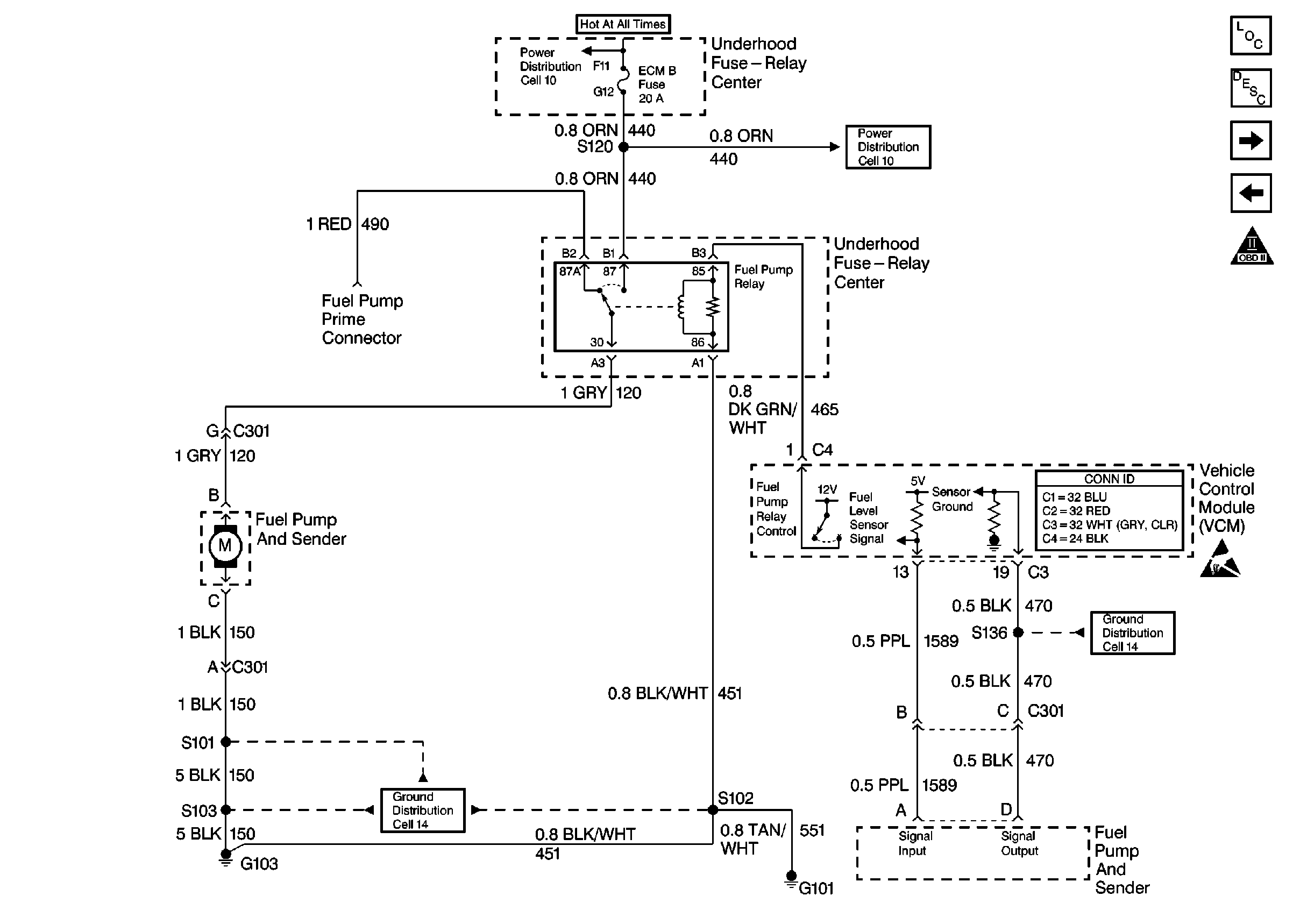
🢒 Cell 23: Fuel Pump Controls
Cell 23: Fuel Pump Controls
Cell 23: Fuel Pump Controls
Engine Controls Components
Information Sensors/Switches Description
Cell 23: Fuel Injector Controls
Cell 23: Ignition Controls
OBD II Symbol Description Notice
Cell 10: Battery, AUX A, AUX B, BLOWER, IGN-B, IGN-A, ABS, BATT, LIGHTING, ECM-B, HORN, and A/C Fuses, Inline Fuse 30 A (Gasoline Engines)
Cell 11: ECM-B, HORN, A/C Fuses
Cell 14: G103 (7.4L)
Cell 23: Sensor Controls
VCM Connector End Views
Handling ESD Sensitive Parts Notice