GM Service Manual Online
For 1990-2009 cars only

HVAC Schematics Blower Controls with B3D, C36 and C42

Figure 1:

BLOWER and HTR-A/C Fuses, Heater and A/C Controller, Blower Motor, G103


Object Number: 767450  Size: FS
Master Electrical Component List
Air Delivery Description and Operation
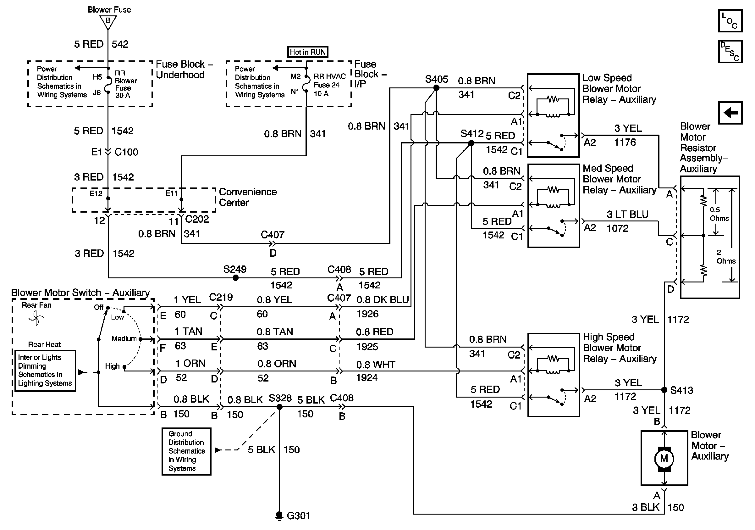
RR BLOWER and RR HVAC Fuses, Auxiliary Blower Motor, G400
Ignition A, Ignition B Fuses, and Ignition Switch
Battery, Auxiliary Battery, and Underhood Fuse/Relay Center
RR BLOWER and RR HVAC Fuses, Auxiliary Blower Motor, G400
RR BLOWER and RR HVAC Fuses, Auxiliary Blower Motor, G301, School Bus(B3D)
HTR-A/C Fuse, Front Heater and A/C Controller, G201
G103 (8.1L Engine)
G103 (4.3L, 5.0L, and 5.7L Engines)
Cruise, Heater A/C, and Brake Fuses
HTR-A/C Fuse, A/C Compressor High Pressure Cutoff Switch, A/C CompresSor Low Pressure Cutout Switch (Diesel), G201
Components through S152 to G103 (Gasoline Engines)
G101 (6.5L Diesel Engine)
Figure 2:

RR BLOWER and RR HVAC Fuses, Auxiliary Blower Motor, G400


Object Number: 650552  Size: FS
Master Electrical Component List
Air Delivery Description and Operation
RR BLOWER and RR HVAC Fuses, Auxiliary Blower Motor, G301, School Bus(B3D)
BLOWER and HTR-A/C Fuses, Heater and A/C Controller, Blower Motor,G103
BLOWER and HTR-A/C Fuses, Heater and A/C Controller, Blower Motor,G103
Ignition A, Ignition B Fuses, and Ignition Switch
ABS, Blower, AIR and Rear Blower Fuses
ILLUM and PARK LPS Fuses
G400
Figure 3:

RR BLOWER and RR HVAC Fuses, Auxiliary Blower Motor, G301, School Bus (B3D)


Object Number: 650554  Size: FS
Master Electrical Component List
Air Delivery Description and Operation
RR BLOWER and RR HVAC Fuses, Auxiliary Blower Motor, G400
BLOWER and HTR-A/C Fuses, Heater and A/C Controller, Blower Motor,G103
Ignition A, Ignition B Fuses, and Ignition Switch
ABS, Blower, AIR and Rear Blower Fuses
ILLUM and PARK LPS Fuses
G202, G203 and G301

HVAC Schematics Blower Controls with C60 and C69

Figure 1:

BLOWER and HTR-A/C Fuses, Blower Controls, Blower Motor, G103


Object Number: 767456  Size: FS
Master Electrical Component List
Air Delivery Description and Operation
Front and Rear Auxiliary HVAC Control Modules (Passenger)
Battery, Auxiliary Battery, and Underhood Fuse/Relay Center
Ignition A, Ignition B Fuses, and Ignition Switch
Cruise, Heater A/C, and Brake Fuses
HTR-A/C Fuse, Front Heater and A/C Controller, G201
RR BLOWER and RR HVAC Fuses, Auxiliary Blower Motor, G400
HTR-A/C Fuse, A/C Compressor High Pressure Cutoff Switch, A/C CompresSor Low Pressure Cutout Switch (Diesel), G201
Components through S152 to G103 (Gasoline Engines)
G103 (6.5L Diesel Engine)
G103 (8.1L Engine)
G103 (4.3L, 5.0L, and 5.7L Engines)
Figure 2:

Front and Rear Auxiliary HVAC Control Modules (Passenger)


Object Number: 650556  Size: FS
Master Electrical Component List
Air Delivery Description and Operation
Front Auxiliary HVAC Control Module (Cargo)
BLOWER and HTR-A/C Fuses, Blower Controls, Blower Motor, G103
RR BLOWER and RR HVAC Fuses, Auxiliary Blower Motor, G400
ILLUM and PARK LPS Fuses
RR HVAC Fuse, Front and Rear Auxiliary HVAC Control Modules, Heater and A/C Control Logic Module (Passenger)
G400
RR HVAC Fuse, Front and Rear Auxiliary HVAC Control Modules, Heater and A/C Control Logic Module (Passenger)
ILLUM and PARK LPS Fuses
Figure 3:

Front Auxiliary HVAC Control Module (Cargo)


Object Number: 650557  Size: FS
Master Electrical Component List
Air Delivery Description and Operation
RR BLOWER and RR HVAC Fuses, Auxiliary Blower Motor, G400
Front and Rear Auxiliary HVAC Control Modules (Passenger)
ILLUM and PARK LPS Fuses
G400
RR BLOWER and RR HVAC Fuses, Auxiliary Blower Motor, G400
Figure 4:

RR BLOWER and RR HVAC Fuses, Auxiliary Blower Motor, G400


Object Number: 650558  Size: FS
Master Electrical Component List
Air Delivery Description and Operation
Front Auxiliary HVAC Control Module (Cargo)
BLOWER and HTR-A/C Fuses, Blower Controls, Blower Motor, G103
Ignition A, Ignition B Fuses, and Ignition Switch
Rear HVAC Fuse
Rear HVAC Fuse
Front and Rear Auxiliary HVAC Control Modules (Passenger)
Front Auxiliary HVAC Control Module (Cargo)
Front and Rear Auxiliary HVAC Control Modules (Passenger)
Front Auxiliary HVAC Control Module (Cargo)
Front and Rear Auxiliary HVAC Control Modules (Passenger)
Front Auxiliary HVAC Control Module (Cargo)
Front and Rear Auxiliary HVAC Control Modules (Passenger)
Front Auxiliary HVAC Control Module (Cargo)
G400
G400

HVAC Schematics Compressor Controls

Figure 1:

HTR-A/C Fuse, A/C Compressor High Pressure Cutoff Switch, A/C Compressor Low Pressure Cutout Switch (Diesel), G201


Object Number: 767464  Size: FS
Master Electrical Component List
Air Delivery Description and Operation
A/C Fuses; ECM-B, IGN-E, Compressor Clutch, A/C Compressor Low PressurE Cutout Switch, G101, G103 (Gasoline Engines)
Ignition A, Ignition B Fuses, and Ignition Switch
Cruise, Heater A/C, and Brake Fuses
BLOWER and HTR-A/C Fuses, Heater and A/C Controller, Blower Motor,G103
HTR-A/C Fuse, Front Heater and A/C Controller, G201
IP Illumination
Components through S202 and S205 to G201
G201
A/C Fuses; ECM-B, IGN-E, Compressor Clutch, A/C Compressor Low PressurE Cutout Switch, G101, G103 (Gasoline Engines)
A/C Fuses; ECM-B, IGN-E, Compressor Clutch, G101, G103 (6.5L Diesel)
Figure 2:

A/C Fuses; ECM-B, IGN-E, Compressor Clutch, A/C Compressor Low Pressure Cutout Switch, G101, G103 (Gasoline Engines)


Object Number: 767467  Size: FS
Master Electrical Component List
Air Delivery Description and Operation
A/C Fuses; ECM-B, IGN-E, Compressor Clutch, G101, G103 (6.5L Diesel)
HTR-A/C Fuse, A/C Compressor High Pressure Cutoff Switch, A/C CompresSor Low Pressure Cutout Switch (Diesel), G201
Battery, Auxiliary Battery, and Underhood Fuse/Relay Center
Ignition A, Ignition B Fuses, and Ignition Switch
Battery, Auxiliary Battery, and Underhood Fuse/Relay Center
ECM B, Horn, and A/C Fuses
HTR-A/C Fuse, A/C Compressor High Pressure Cutoff Switch, A/C CompresSor Low Pressure Cutout Switch (Diesel), G201
G101 (Gasoline Engines)
Components through S152 to G103 (Gasoline Engines)
G103 (8.1L Engine)
G103 (4.3L, 5.0L, and 5.7L Engines)
Figure 3:

A/C Fuses; ECM-B, IGN-E, Compressor Clutch, G101, G103 (6.5L Diesel)


Object Number: 767468  Size: FS
Master Electrical Component List
Air Delivery Description and Operation
A/C Fuses; ECM-B, IGN-E, Compressor Clutch, A/C Compressor Low PressurE Cutout Switch, G101, G103 (Gasoline Engines)
Battery, Auxiliary Battery, and Underhood Fuse/Relay Center
Ignition A, Ignition B Fuses, and Ignition Switch
Battery, Auxiliary Battery, and Underhood Fuse/Relay Center
ECM B, Horn, and A/C Fuses
HTR-A/C Fuse, A/C Compressor High Pressure Cutoff Switch, A/C CompresSor Low Pressure Cutout Switch (Diesel), G201
G101 (6.5L Diesel Engine)
G103 (6.5L Diesel Engine)

HVAC Schematics Air Delivery/Temperature Controls

Figure 1:

AIR Delivery and Vacuum System


Object Number: 650576  Size: FS
Master Electrical Component List
Air Delivery Description and Operation
HTR-A/C Fuse, Front Heater and A/C Controller, G201
Figure 2:

HTR-A/C Fuse, Front Heater and A/C Controller, G201


Object Number: 650577  Size: FS
Master Electrical Component List
Air Temperature Description and Operation
RR HVAC Fuse, Front and Rear Auxiliary HVAC Control Modules, Heater and A/C Control Logic Module (Passenger)
AIR Delivery and Vacuum System
Ignition A, Ignition B Fuses, and Ignition Switch
Cruise, Heater A/C, and Brake Fuses
BLOWER and HTR-A/C Fuses, Blower Controls, Blower Motor, G103
BLOWER and HTR-A/C Fuses, Heater and A/C Controller, Blower Motor,G103
HTR-A/C Fuse, A/C Compressor High Pressure Cutoff Switch, A/C CompresSor Low Pressure Cutout Switch (Diesel), G201
Components through S202 and S205 to G201
G201
Figure 3:

RR HVAC Fuse, Front and Rear Auxiliary HVAC Control Modules, Heater and A/C Control Logic Module (Passenger)


Object Number: 650580  Size: FS
Master Electrical Component List
Air Temperature Description and Operation
RR HVAC Fuse, Front Auxiliary HVAC Control Module (Cargo)
HTR-A/C Fuse, Front Heater and A/C Controller, G201
Ignition A, Ignition B Fuses, and Ignition Switch
Front and Rear Auxiliary HVAC Control Modules (Passenger)
ILLUM and PARK LPS Fuses
Front and Rear Auxiliary HVAC Control Modules (Passenger)
Rear Auxiliary Mode Valve and Seal Assembly, Rear Auxiliary TemperAture Valve Assembly, G400
ILLUM and PARK LPS Fuses
Rear Auxiliary Mode Valve and Seal Assembly, Rear Auxiliary TemperAture Valve Assembly, G400
Figure 4:

RR HVAC Fuse, Front Auxiliary HVAC Control Module (Cargo)


Object Number: 650583  Size: FS
Master Electrical Component List
Air Temperature Description and Operation
Rear Auxiliary Mode Valve and Seal Assembly, Rear Auxiliary TemperAture Valve Assembly, G400
RR HVAC Fuse, Front and Rear Auxiliary HVAC Control Modules, Heater and A/C Control Logic Module (Passenger)
Ignition A, Ignition B Fuses, and Ignition Switch
Rear Auxiliary Mode Valve and Seal Assembly, Rear Auxiliary TemperAture Valve Assembly, G400
Rear Auxiliary Mode Valve and Seal Assembly, Rear Auxiliary TemperAture Valve Assembly, G400
ILLUM and PARK LPS Fuses
Figure 5:

Rear Auxiliary Mode Valve and Seal Assembly, Rear Auxiliary Temperature Valve Assembly, G400


Object Number: 650584  Size: FS
Master Electrical Component List
Air Temperature Description and Operation
RR HVAC Fuse, Front Auxiliary HVAC Control Module (Cargo)
RR HVAC Fuse, Front and Rear Auxiliary HVAC Control Modules, Heater and A/C Control Logic Module (Passenger)
RR HVAC Fuse, Front Auxiliary HVAC Control Module (Cargo)
RR HVAC Fuse, Front and Rear Auxiliary HVAC Control Modules, Heater and A/C Control Logic Module (Passenger)
RR HVAC Fuse, Front Auxiliary HVAC Control Module (Cargo)
RR HVAC Fuse, Front and Rear Auxiliary HVAC Control Modules, Heater and A/C Control Logic Module (Passenger)
RR HVAC Fuse, Front Auxiliary HVAC Control Module (Cargo)
RR HVAC Fuse, Front and Rear Auxiliary HVAC Control Modules, Heater and A/C Control Logic Module (Passenger)
RR HVAC Fuse, Front Auxiliary HVAC Control Module (Cargo)
G400
Rear HVAC Fuse