GM Service Manual Online
For 1990-2009 cars only
Figure 1:

PWR ACCY, GAUGES, and PARK LPS Fuses


Object Number: 662280  Size: FS
Master Electrical Component List
Interior Lighting Systems Description and Operation
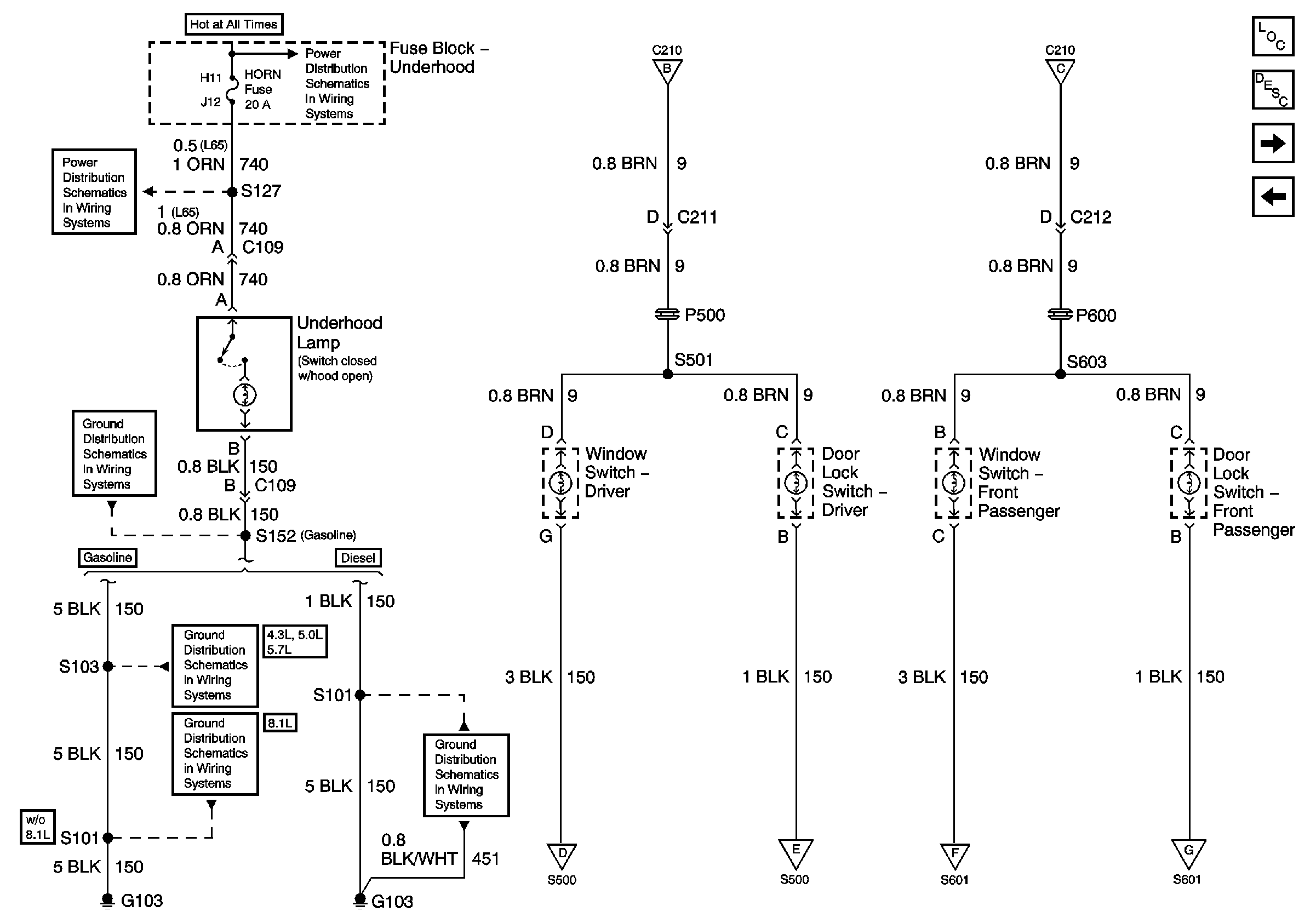
Underhood Lamp, Power Window and Lock Switch Illumination
Ignition A, Ignition B Fuses, and Ignition Switch
Lighting and Battery Fuses
Power Accessory Fuse
Gauges Fuse
ILLUM and PARK LPS Fuses
G201
PARK LPS, TURN B/U, HAZARD, STOP Fuses
Sunshade, Ashtray, and IP Compartment Lamps
Underhood Lamp, Power Window and Lock Switch Illumination
Underhood Lamp, Power Window and Lock Switch Illumination
Figure 2:

Underhood Lamp, Power Window and Lock Switch Illumination


Object Number: 662282  Size: FS
Master Electrical Component List
Interior Lighting Systems Description and Operation
CTSY Fuse
PWR ACCY, GAUGES, and PARK LPS Fuses
ECM B, Horn, and A/C Fuses
Battery, Auxiliary Battery, and Underhood Fuse/Relay Center
PWR ACCY, GAUGES, and PARK LPS Fuses
PWR ACCY, GAUGES, and PARK LPS Fuses
Components through S152 to G103 (Gasoline Engines)
G103 (4.3L, 5.0L, and 5.7L Engines)
G103 (8.1L Engine)
G103 (6.5L Diesel Engine)
Door Jamb Switches
Door Jamb Switches
Door Jamb Switches
Door Jamb Switches
Figure 3:

CTSY Fuse


Object Number: 662285  Size: FS
Master Electrical Component List
Interior Lighting Systems Description and Operation
Dome and Reading Lamps with Y91
Underhood Lamp, Power Window and Lock Switch Illumination
Courtesy, Air Bags, and Turn Backup Fuses
Lighting and Battery Fuses
Sunshade, Ashtray, and IP Compartment Lamps
CTSY Fuse, G200, G201
Sunshade, Ashtray, and IP Compartment Lamps
G201
Door Jamb Switches
Sunshade, Ashtray, and IP Compartment Lamps
Sunshade, Ashtray, and IP Compartment Lamps
Figure 4:

Dome and Reading Lamps with Y91


Object Number: 762266  Size: FS
Circuit 40 with Y91
Master Electrical Component List
Interior Lighting Systems Description and Operation
Sunshade, Ashtray, and IP Compartment Lamps
Garage Door Opener
G106 with Y91
Figure 5:

Sunshade, Ashtray, and IP Compartment Lamps


Object Number: 662291  Size: FS
Master Electrical Component List
Interior Lighting Systems Description and Operation
Door Jamb Switches
Dome and Reading Lamps with Y91
CTSY Fuse
CTSY Fuse
CTSY Fuse
CTSY Fuse
PWR ACCY, GAUGES, and PARK LPS Fuses
G200
Components through S202 and S205 to G201
Components through S202 and S205 to G201
G201
Figure 6:

Door Jamb Switches


Object Number: 662298  Size: FS
Master Electrical Component List
Interior Lighting Systems Description and Operation
Sunshade, Ashtray, and IP Compartment Lamps
CTSY Fuse
G201
G200
G200
G401
Underhood Lamp, Power Window and Lock Switch Illumination
Underhood Lamp, Power Window and Lock Switch Illumination