GM Service Manual Online
For 1990-2009 cars only
Makes
🢒
Chevrolet
🢒
2001
🢒
Express
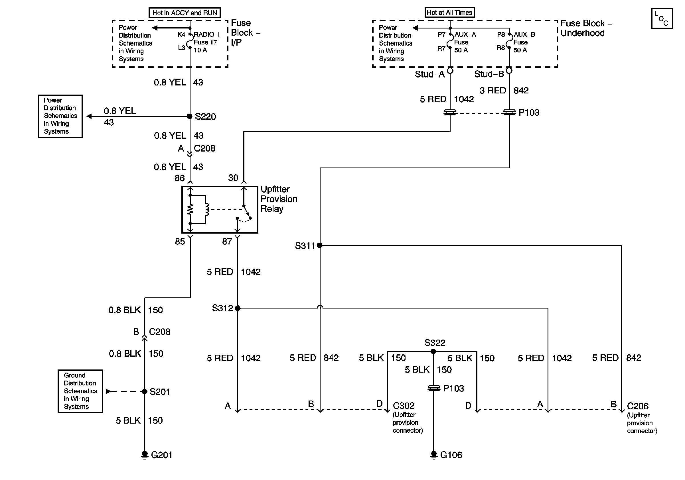
🢒 Upfitter Provision Schematics
Upfitter Provision Schematics
Master Electrical Component List
Ignition A, Ignition B Fuses, and Ignition Switch
Battery, Auxiliary Battery, and Underhood Fuse/Relay Center
Radio 1, Wiper, Transmission, and Crank Fuses
G201