GM Service Manual Online
For 1990-2009 cars only
Makes
🢒
Chevrolet
🢒
2001
🢒
Express
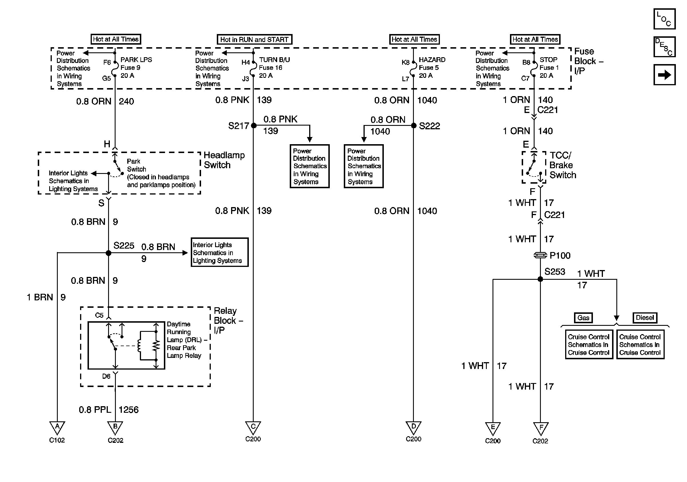
🢒 PARK LPS, TURN B/U, HAZARD, and STOP Fuses
PARK LPS, TURN B/U, HAZARD, and STOP Fuses
PARK LPS, TURN B/U, HAZARD, and STOP Fuses
Master Electrical Component List
Exterior Lighting Systems Description and Operation
Turn/Hazard Lamp Flasher
Lighting and Battery Fuses
Ignition A, Ignition B Fuses, and Ignition Switch
Lighting and Battery Fuses
PWR ACCY, GAUGES, and PARK LPS Fuses
PWR ACCY, GAUGES, and PARK LPS Fuses
Front Lamps
Rear Lamps
Courtesy, Air Bags, and Turn Backup Fuses
Power Windows, Heated Mirrors, Rear Defogger, and Hazard Fuses
Turn/Hazard Lamp Flasher
Turn/Hazard Lamp Flasher
Turn/Hazard Lamp Flasher
Rear Lamps
4.3L, 5.0L and 5.7L Engines
6.5L Diesel Engine