Notice: Use the correct fastener in the correct location. Replacement fasteners
must be the correct part number for that application. Fasteners requiring
replacement or fasteners requiring the use of thread locking compound or sealant
are identified in the service procedure. Do not use paints, lubricants, or
corrosion inhibitors on fasteners or fastener joint surfaces unless specified.
These coatings affect fastener torque and joint clamping force and may damage
the fastener. Use the correct tightening sequence and specifications when
installing fasteners in order to avoid damage to parts and systems.
- If replacement of
the intake manifold was required, install a NEW EGR valve gasket (3), the
EGR valve (2), and EGR valve nuts (1).
Tighten
Tighten the EGR valve nuts to 22 N·m (16 lb ft).
Important: Lubricate the port of the MAP sensor with clean engine oil. Avoid dipping
the sensor port directly into the lubricant or using a solid type of lubricant,
as they may block the vacuum port signal.
- If replacement of the intake manifold was required, install the MAP
sensor and bolt.
Tighten
Tighten the MAP sensor bolt to 12 N·m (106 lb in).
Important: Apply a very light film of clean engine oil to the purge solenoid seal.
- If replacement of the intake manifold was required, install the purge
solenoid and bolt.
Tighten
Tighten the purge solenoid bolt to 10 N·m (89 lb in).
- If replacement of the
intake manifold was required, install the fuel rail with injectors. Install
the fuel rail studs and nuts.
Tighten
Tighten the fuel rail studs and nuts to 12 N·m (106 lb in).
- If replacement of the
intake manifold was required, install the fuel pressure regulator vacuum hose.
- If replacement of the
intake manifold is required, install a NEW throttle body gasket and the throttle
body. Install the throttle body nuts.
Tighten
Tighten the throttle body nuts to 10 N·m (89 lb in).
- Install the intake manifold
splash shield.
- Ensure the splash shield
(2) snap fits between the cylinder heads (1).
- Install NEW intake manifold
end seals.
- Install NEW intake manifold
side gaskets.
- Ensure the intake manifold
gasket tabs align with the hole in the head gasket.
- Ensure the intake manifold gasket tabs align with the slot in
the intake manifold end seals.
- Install the intake manifold.
- Apply threadlock GM U.S. P/N 12345382, Canada P/N 10953489,
or equivalent to a minimum of eight threads of the intake manifold
bolts.
Important:
| • | The entire intake manifold tightening sequence must be followed
exactly, or an oil leak resulting in engine damage may occur. Ensure the intake
manifold is tightened without allowing the intake manifold to shift. |
| • | The entire intake manifold tightening sequence must be promptly
completed due to anaerobic thread adhesive. The final pass of the tightening
sequence must be completed before the adhesive starts to cure, or false
torque readings and ineffective thread locking may result. |
- Install the intake manifold bolts.
- Tighten the intake manifold bolts in sequence, using four passes.
Tighten
- Snug the intake manifold bolts in sequence to 5 N·m
(44 lb in) on the first pass.
- Snug the intake manifold bolts in sequence to 5 N·m
(44 lb in) on the second pass. Inspect the intake manifold joints
for signs of intake manifold shifting. Correct as required.
- Tighten the intake manifold bolts in sequence to 10 N·m
(89 lb in) on the third pass.
- Tighten the intake manifold bolts in sequence to 12 N·m
(106 lb in) on the final pass.
- Connect the fuel line quick connect fittings.
- Install the EVAP canister
tube.
- Connect the EVAP canister tube to the canister.
- Connect the EVAP canister tube clip to the fuel rail.
- Connect the EVAP emission
canister tube to the purge solenoid.
- Position the engine wiring
harness to the intake manifold.
- Install the passenger rear, and the drivers front and rear harness
clip bolts to the top of the intake manifold.
Tighten
Tighten the engine wiring harness clip bolts to 5 N·m (44 lb in).
- Install the harness to the passenger front clip. Close the clip.
- Connect the following electrical connectors:
- Connect the vacuum hose to the rear of the intake manifold.
- Connect the following
electrical connectors:
- Install the ECT sensor wire clip to the ignition coil harness.
- Connect the following
electrical connectors:
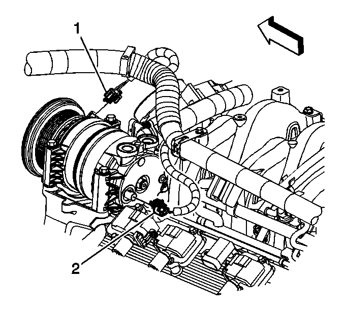
| • | Purge valve solenoid (1) |
| • | Ignition coil harness (2) |
- Position the EGR valve
pipe.
- Install the EGR valve pipe bolts (2) to the EGR valve.
Tighten
Tighten the EGR valve pipe bolts to 25 N·m (19 lb ft).
- Position the A/C compressor.
- Connect the following A/C compressor electrical connectors:
| • | A/C high pressure switch (2) |
- Install the A/C compressor
bolts.
Tighten
Tighten the A/C compressor bolts to 50 N·m (37 lb ft).
- Install the oil fill tube
and bolt.
Tighten
Tighten the oil fill tube bracket bolt to 12 N·m (106 lb in).
- Install the engine cover. Refer to
Engine Cover Replacement
in Interior Trim.
- Position the coolant recovery
reservoir.
- Install the coolant recovery reservoir bolt.
Tighten
Tighten the coolant recovery reservoir bolt to 7 N·m (62 lb in).
- Install the air cleaner
duct (3).
- Position and tighten the clamp (2) at the throttle body (1).
Tighten
Tighten the air cleaner duct clamp to 4 N·m (35 lb in).
- Install the air cleaner.
- Install the air cleaner bolts.
Tighten
Tighten the air cleaner bolts to 10 N·m (89 lb in).
- Tighten the clamp at the air cleaner.
Tighten
Tighten the air cleaner duct clamp to 4 N·m (35 lb in).
- Connect the following
electrical connectors: