GM Service Manual Online
For 1990-2009 cars only
Figure 1:

Module Power, Ground, Serial Data and MIL


Object Number: 760433  Size: FS
Master Electrical Component List
Powertrain Control Module Description
Engine Data Sensors: Pressure and Temperature, MAF and VSS
OBD II Symbol Description Notice
Battery, Auxiliary Battery, and Underhood Fuse/Relay Center
Ignition A, Ignition B Fuses, and Ignition Switch
Ignition A, Ignition B Fuses, and Ignition Switch
Gages Fuse
ECM 1 and Ignition E Fuses - 8.1L
ECM B, Horn, and A/C Fuses
Headlamp Switch, Instrument Cluster, Park/Neutral Position Switch
G101 - Gasoline Engines
Data Link Connector (DLC)
Figure 2:

Engine Data Sensors: Pressure and Temperature, MAF and VSS


Object Number: 760447  Size: FS
Master Electrical Component List
Powertrain Control Module Description
Engine Data Sensors: Heated Oxygen Sensors
Module Power, Ground, Serial Data and MIL
OBD II Symbol Description Notice
Figure 3:

Engine Data Sensors: Heated Oxygen Sensors


Object Number: 760458  Size: FS
Master Electrical Component List
Powertrain Control Module Description
Engine Data Sensors: Electronic Throttle Controls
Engine Data Sensors: Pressure and Temperature, MAF and VSS
OBD II Symbol Description Notice
Engine 1 Fuse - 6.5L and 8.1L
Ignition A, Ignition B Fuses, and Ignition Switch
G103 - 8.1L Engine
Figure 4:

Engine Data Sensors: Electronic Throttle Controls


Object Number: 760454  Size: FS
Master Electrical Component List
Powertrain Control Module Description
Ignition Controls: Odd Ignition Coils
Engine Data Sensors: Heated Oxygen Sensors
OBD II Symbol Description Notice
ABS, Blower, AIR, Rear Blower and ETC Fuses
ABS, Blower, AIR, Rear Blower and ETC Fuses
G101 - Gasoline Engines
Figure 5:

Ignition Controls: Odd Ignition Coils


Object Number: 760439  Size: FS
Master Electrical Component List
Powertrain Control Module Description
Engine Data Sensors: Pressure and Temperature, MAF and VSS
Ignition Controls: Even Ignition Coils
OBD II Symbol Description Notice
Ignition A, Ignition B Fuses, and Ignition Switch
ECM 1 and Ignition E Fuses - 8.1L
G103 - 8.1L Engine
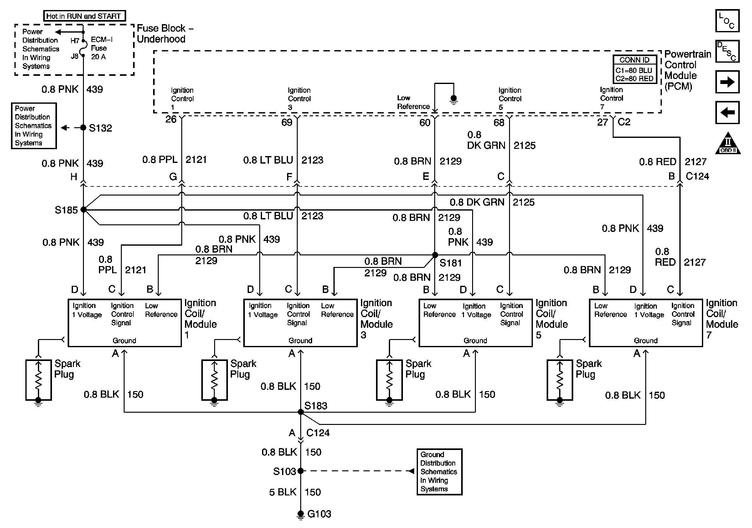
Figure 6:

Ignition Controls: Even Ignition Coils


Object Number: 760440  Size: FS
Master Electrical Component List
Powertrain Control Module Description
Ignition Controls: Sensors
Ignition Controls: Odd Ignition Coils
OBD II Symbol Description Notice
Ignition A, Ignition B Fuses, and Ignition Switch
ECM 1 and Ignition E Fuses - 8.1L
G103 - 8.1L Engine
Figure 7:

Ignition Controls: Sensors


Object Number: 760437  Size: FS
Master Electrical Component List
Powertrain Control Module Description
Engine Data Sensors: Pressure and Temperature, MAF and VSS
Ignition Controls: Even Ignition Coils
OBD II Symbol Description Notice
Figure 8:

Fuel Controls: Fuel Pump Controls


Object Number: 760442  Size: FS
Master Electrical Component List
Powertrain Control Module Description
Fuel Controls: Fuel Injectors
Ignition Controls: Sensors
OBD II Symbol Description Notice
Battery, Auxiliary Battery, and Underhood Fuse/Relay Center
ECM B, Horn, and A/C Fuses
G101 - Gasoline Engines
G103 - 8.1L Engine
Gages
Figure 9:

Fuel Controls: Fuel Injectors


Object Number: 760445  Size: FS
Master Electrical Component List
Powertrain Control Module Description
Fuel Controls: EVAP Controls
Fuel Controls: Fuel Pump Controls
OBD II Symbol Description Notice
Ignition A, Ignition B Fuses, and Ignition Switch
ECM 1 and Ignition E Fuses - 8.1L
Figure 10:

Fuel and Device Controls: EVAP and EGR Controls


Object Number: 790896  Size: FS
Master Electrical Component List
Powertrain Control Module Description
Controlled/Monitored Subsystem References
Fuel Controls: Fuel Injectors
OBD II Symbol Description Notice
Ignition A, Ignition B Fuses, and Ignition Switch
Engine 1 Fuse - 6.5L and 8.1L
Figure 11:

Controlled/Monitored Subsystem References


Object Number: 760464  Size: FS
Master Electrical Component List
Powertrain Control Module Description
Transmission Controls
Fuel Controls: EVAP Controls
OBD II Symbol Description Notice
8.1L Engine
Wheel Speed Sensors, VSS and Brake Pressure Switch
Charging System: Gasoline Engines
A/C Fuses, ECM-B, IGN-E, Compressor Clutch, A/C Compressor Low Pressure Cutout Switch, G101, G103 (Gasoline Engines)
A/C Fuses, ECM-B, IGN-E, Compressor Clutch, A/C Compressor Low Pressure Cutout Switch, G101, G103 (Gasoline Engines)
Figure 12:

Transmission Controls


Object Number: 760462  Size: FS
Master Electrical Component List
Powertrain Control Module Description
Controlled/Monitored Subsystem References
OBD II Symbol Description Notice
Solenoid and TCC/Brake Switch Controls
Sensor, Solenoid and GND Controls