GM Service Manual Online
For 1990-2009 cars only
Figure 1:

Battery, Auxiliary Battery, and Underhood Fuse/Relay Center


Object Number: 754513  Size: FS
Master Electrical Component List
Lighting and Battery Fuses
Upfitter Provision Schematics
Figure 2:

Lighting and Battery Fuses


Object Number: 754515  Size: FS
Master Electrical Component List
Ignition A, Ignition B Fuses, and Ignition Switch
Battery, Auxiliary Battery, and Underhood Fuse/Relay Center
Figure 3:

Ignition A, Ignition B Fuses, and Ignition Switch


Object Number: 754516  Size: FS
Master Electrical Component List
ABS, Blower, AIR, Rear Blower and ETC Fuses
Lighting and Battery Fuses
Figure 4:

ABS, Blower, AIR and Rear Blower Fuses


Object Number: 754518  Size: FS
Master Electrical Component List
ECM B, Horn, and A/C Fuses
Ignition A, Ignition B Fuses, and Ignition Switch
Figure 5:

ECM B, Horn, and A/C Fuses


Object Number: 754520  Size: FS
Master Electrical Component List
Engine 1 Fuse - 4.3L, 5.0L, and 5.7L
ABS, Blower, AIR, Rear Blower and ETC Fuses
Figure 6:

Engine 1 Fuse - 4.3L, 5.0L, and 5.7L


Object Number: 754522  Size: FS
Master Electrical Component List
Engine 1 Fuse - 6.5L and 8.1L
ECM B, Horn, and A/C Fuses
Figure 7:

Engine 1 Fuse - 6.5L and 8.1L


Object Number: 754523  Size: FS
Master Electrical Component List
ECM 1 and Ignition E Fuses - 4.3L
Engine 1 Fuse - 4.3L, 5.0L, and 5.7L
Figure 8:

ECM 1 and Ignition E Fuses - 4.3L


Object Number: 754525  Size: FS
Master Electrical Component List
ECM 1 and Ignition E Fuses - 5.0L and 5.7L
Engine 1 Fuse - 6.5L and 8.1L
Figure 9:

ECM 1 and Ignition E Fuses - 5.0L and 5.7L


Object Number: 754527  Size: FS
Master Electrical Component List
ECM 1 and Ignition E Fuses (6.5L)
ECM 1 and Ignition E Fuses - 4.3L
Figure 10:

ECM 1 and Ignition E Fuses (6.5L)


Object Number: 754529  Size: FS
Master Electrical Component List
ECM 1 and Ignition E Fuses - 8.1L
ECM 1 and Ignition E Fuses - 5.0L and 5.7L
Figure 11:

ETC, ECM 1 and Ignition E Fuses - 8.1L


Object Number: 754531  Size: FS
Master Electrical Component List
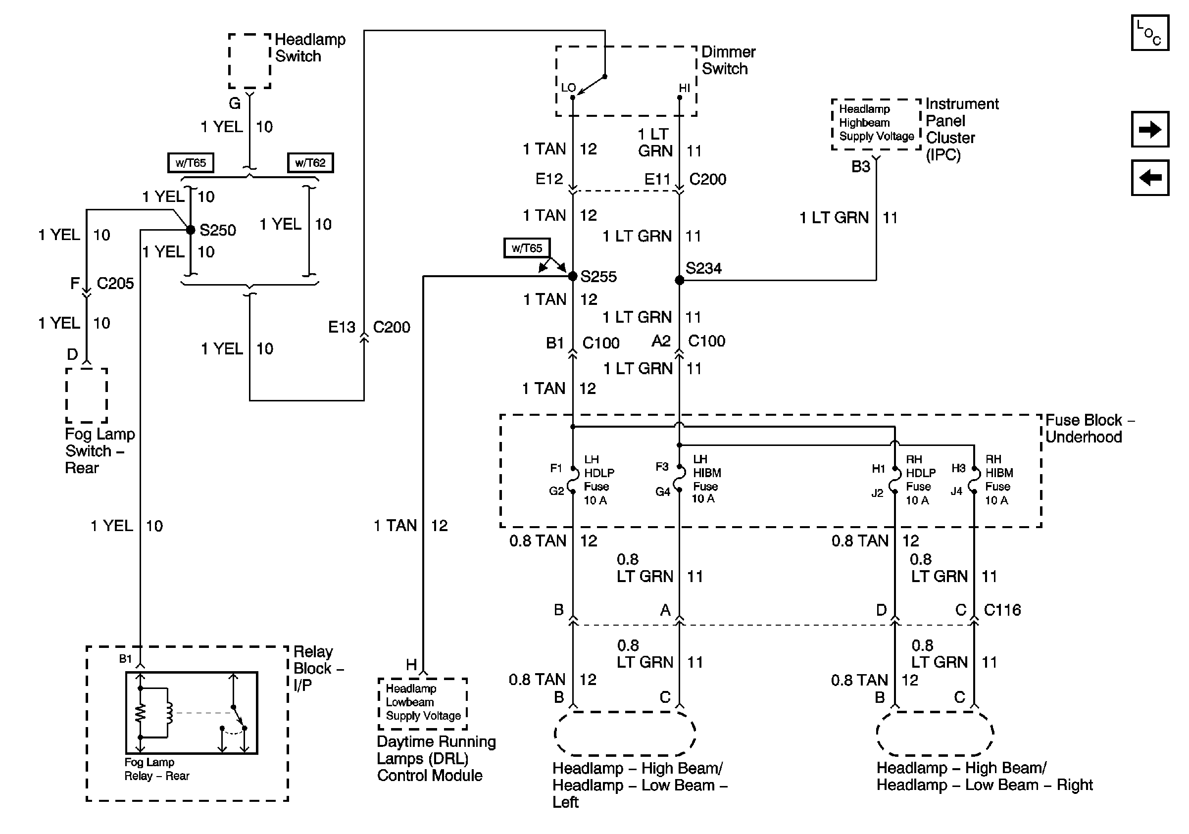
Left/Right Headlamps, Left/Right High Beam Fuses
ECM 1 and Ignition E Fuses (6.5L)
Figure 12:

Left/Right Headlamps, Left/Right High Beam Fuses


Object Number: 754532  Size: FS
Master Electrical Component List
Power Windows, Heated Mirrors, Rear Defogger, and Hazard Fuses
ECM 1 and Ignition E Fuses - 8.1L
Figure 13:

Power Windows, Heated Mirrors, Rear Defogger, and Hazard Fuses


Object Number: 754533  Size: FS
Master Electrical Component List
Power Accessory Fuse
Left/Right Headlamps, Left/Right High Beam Fuses
Figure 14:

Power Accessory Fuse


Object Number: 754534  Size: FS
Master Electrical Component List
Stop, Power Auxiliary, Cigar Lighter, and Radio B Fuses
Power Windows, Heated Mirrors, Rear Defogger, and Hazard Fuses
Figure 15:

Stop, Power Auxiliary, Cigar Lighter, and Radio B Fuses


Object Number: 754536  Size: FS
Master Electrical Component List
Park Lamps, Security, and DRL Fuses
Power Accessory Fuse
Figure 16:

Park Lamps, Security, and DRL Fuses


Object Number: 754537  Size: FS
Master Electrical Component List
Courtesy, Air Bags, and Turn Backup Fuses
Stop, Power Auxiliary, Cigar Lighter, and Radio B Fuses
Illumination Fuse and Headlamp Switch
Figure 17:

Courtesy, Air Bags, and Turn Backup Fuses


Object Number: 754539  Size: FS
Master Electrical Component List
Circuit 40 with Y91
Park Lamps, Security, and DRL Fuses
Circuit 40 with Y91
SIR Handling Caution
Figure 18:

Circuit 40 with Y91


Object Number: 770801  Size: FS
Master Electrical Component List
Radio 1, Wiper, Transmission, and Crank Fuses
Courtesy, Air Bags, and Turn Backup Fuses
Courtesy, Air Bags, and Turn Backup Fuses
Figure 19:

Radio 1, Wiper, Transmission, and Crank Fuses


Object Number: 754540  Size: FS
Master Electrical Component List
Gages Fuse
Circuit 40 with Y91
Figure 20:

Gages Fuse


Object Number: 754542  Size: FS
Master Electrical Component List
Cruise, Heater A/C, and Brake Fuses
Radio 1, Wiper, Transmission, and Crank Fuses
Figure 21:

Cruise, Heater A/C, and Brake Fuses


Object Number: 754543  Size: FS
Master Electrical Component List
Rear HVAC Fuse
Gages Fuse
PWR, Switch and Alarm Delay Module
Figure 22:

Rear HVAC Fuse


Object Number: 754544  Size: FS
Master Electrical Component List
Illumination Fuse and Headlamp Switch
Cruise, Heater A/C, and Brake Fuses
Figure 23:

Illumination Fuse and Headlamp Switch


Object Number: 754545  Size: FS
Master Electrical Component List
Rear Fuse Block Wiring
Rear HVAC Fuse
Park Lamps, Security, and DRL Fuses
Figure 24:

Rear Fuse Block Wiring


Object Number: 774747  Size: FS
Master Electrical Component List
RSA-T Fuse
Illumination Fuse and Headlamp Switch
Battery, Auxiliary Battery, and Underhood Fuse/Relay Center
Upfitter Provision Schematics
Figure 25:

RSA-T Fuse


Object Number: 770805  Size: FS
Master Electrical Component List
Power Amp, Fog Lamp, and Bose Amp Fuses
Rear Fuse Block Wiring
Upfitter Provision Schematics
Cigar Lighter/Accessory Power Outlets
Figure 26:

Power Amp, Fog Lamp, and Bose Amp Fuses


Object Number: 770807  Size: FS
Master Electrical Component List
RSA-T Fuse
Upfitter Provision Schematics
Cigar Lighter/Accessory Power Outlets