GM Service Manual Online
For 1990-2009 cars only

Headlights/Daytime Running Lights (DRL) Schematics Domestic

Figure 1:

DRL Control Module, Headlamp and Dimmer Switches


Object Number: 788316  Size: FS
Master Electrical Component List
Exterior Lighting Systems Description and Operation
Headlamps, Ignition Switch
Battery, Auxiliary Battery, and Underhood Fuse/Relay Center
Ignition A, Ignition B Fuses, and Ignition Switch
Lighting and Battery Fuses
Lighting and Battery Fuses
Gages Fuse
Headlamp Switch, Instrument Cluster, Park/Neutral Position Switch
PWR, Switch and Alarm Delay Module
Components through S202 and S205 to G201
Headlamps, Ignition Switch
Headlamps, Ignition Switch
Headlamps, Ignition Switch
Headlamps, Ignition Switch
Headlamps, Ignition Switch
Front Fog Lamps (Domestic)
Figure 2:

Headlamps, Ignition Switch


Object Number: 788319  Size: FS
Master Electrical Component List
Exterior Lighting Systems Description and Operation
DRL Control Module, Headlamp and Dimmer Switches
DRL Control Module, Headlamp and Dimmer Switches
DRL Control Module, Headlamp and Dimmer Switches
DRL Control Module, Headlamp and Dimmer Switches
DRL Control Module, Headlamp and Dimmer Switches
G201
G108 and G109 - Domestic
G108 and G109 - Domestic

Headlights/Daytime Running Lights (DRL) Schematics Export

Figure 1:

DRL Control Module, Headlamp Switch


Object Number: 788321  Size: FS
Master Electrical Component List
Exterior Lighting Systems Description and Operation
DRL Rear Park Lamp Relay
Ignition A, Ignition B Fuses, and Ignition Switch
Lighting and Battery Fuses
Battery, Auxiliary Battery, and Underhood Fuse/Relay Center
Gages Fuse
DRL Rear Park Lamp Relay
DRL Rear Park Lamp Relay
DRL Rear Park Lamp Relay
PWR ACCY, GAUGES and PARK LPS Fuses
Rear Fog Lamps (Export)
DRL Rear Park Lamp Relay
PWR ACCY, GAUGES and PARK LPS Fuses
Components through S202 and S205 to G201
DRL Rear Park Lamp Relay
Headlamps, Ignition Switch
Headlamps, Ignition Switch
DRL Rear Park Lamp Relay
Headlamps, Ignition Switch
Figure 2:

DRL Rear Park Lamp Relay


Object Number: 788322  Size: FS
Master Electrical Component List
Exterior Lighting Systems Description and Operation
Headlamps, Ignition Switch
DRL Control Module, Headlamp Switch
DRL Control Module, Headlamp Switch
DRL Control Module, Headlamp Switch
DRL Control Module, Headlamp Switch
DRL Control Module, Headlamp Switch
DRL Control Module, Headlamp Switch
DRL Control Module, Headlamp Switch
Rear Fog Lamps (Export)
Components through S202 and S205 to G201
G201
Rear Lamps
DRL Control Module, Headlamp Switch
Figure 3:

Headlamps, Ignition Switch


Object Number: 788323  Size: FS
Master Electrical Component List
Exterior Lighting Systems Description and Operation
Rear Lamps
DRL Rear Park Lamp Relay
DRL Control Module, Headlamp Switch
DRL Control Module, Headlamp Switch
DRL Control Module, Headlamp Switch
G201
G201
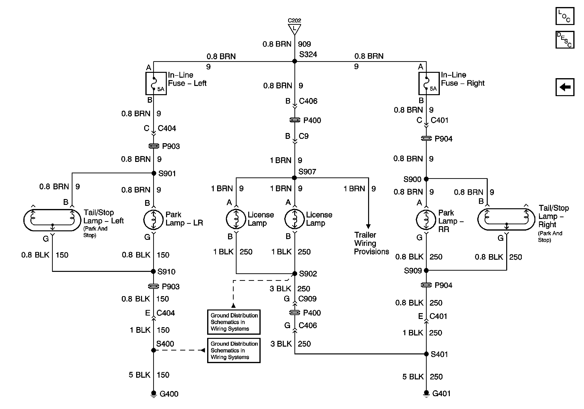
Figure 4:

Rear Lamps


Object Number: 788324  Size: FS
Master Electrical Component List
Exterior Lighting Systems Description and Operation
Headlamps, Ignition Switch
DRL Rear Park Lamp Relay
G401
G400