GM Service Manual Online
For 1990-2009 cars only
Makes
🢒
Chevrolet
🢒
2002
🢒
Express
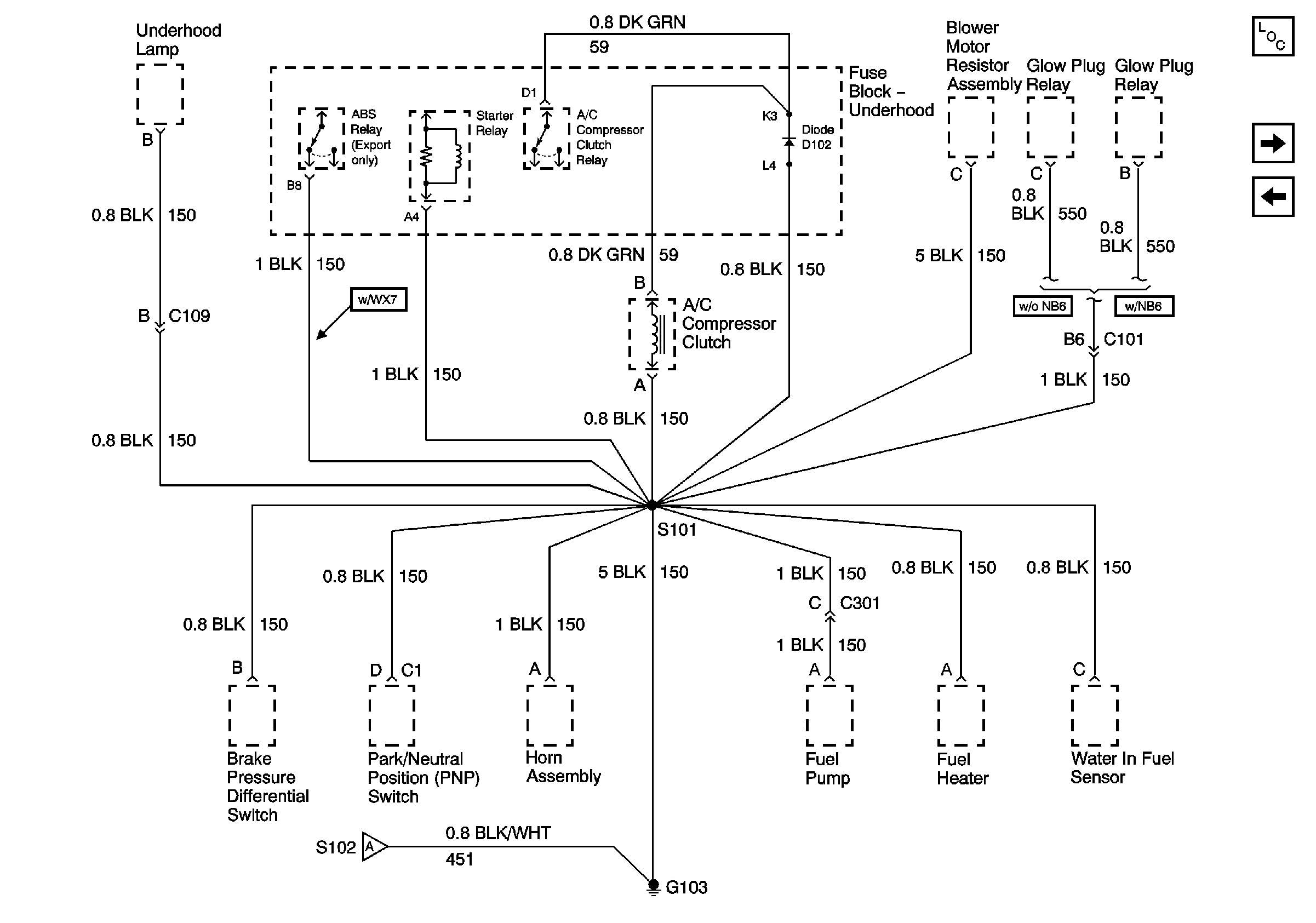
🢒 G103 - 6.5L Diesel Engine
G103 - 6.5L Diesel Engine
G103 - 6.5L Diesel Engine
Master Electrical Component List
Components through S152 to G103 - Gasoline Engines
G103 - 8.1L Engine
G101 - Diesel Engine