GM Service Manual Online
For 1990-2009 cars only
Makes
🢒
Chevrolet
🢒
2002
🢒
Express
🢒 4.3L, 5.0L and 5.7L Engines
4.3L, 5.0L and 5.7L Engines
4.3L, 5.0L and 5.7L Engines
Master Electrical Component List
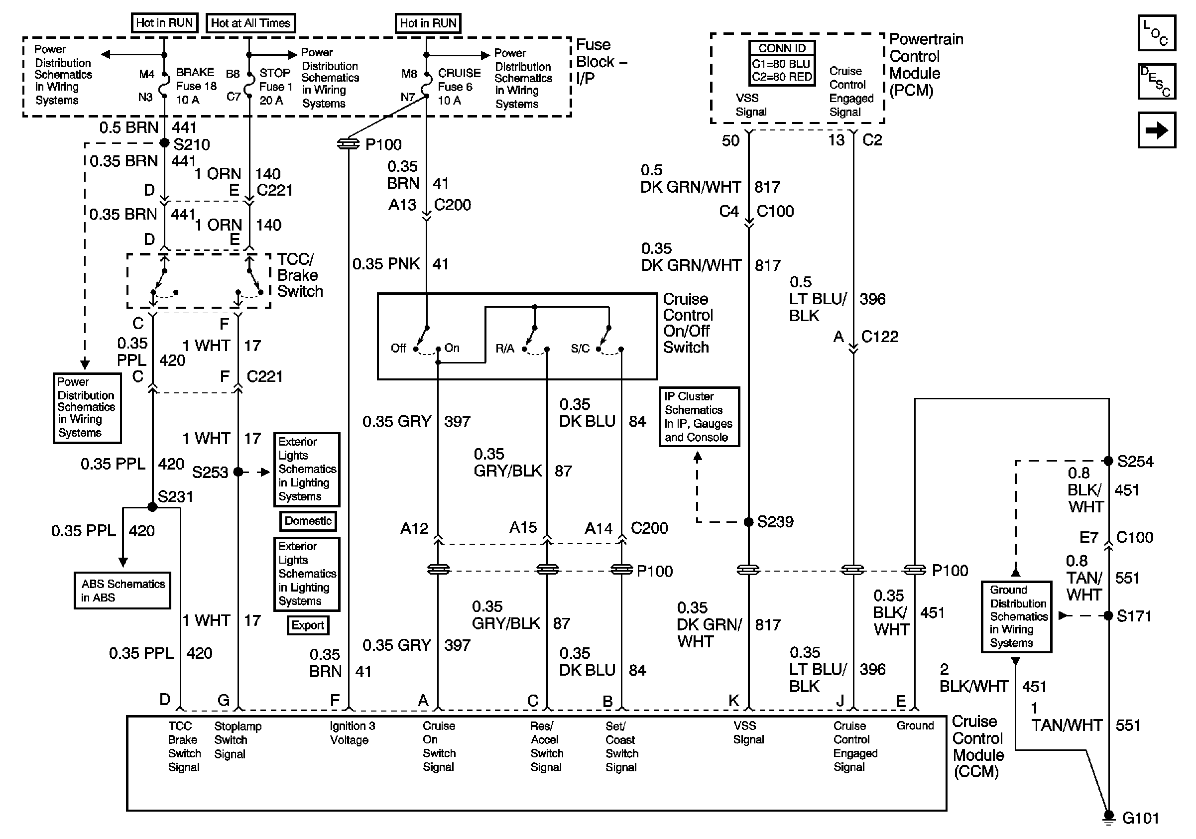
Cruise Control Description and Operation 4.3L, 5.0L, and 5.7L
6.5L Diesel Engine
Ignition A, Ignition B Fuses, and Ignition Switch
Lighting and Battery Fuses
Ignition A, Ignition B Fuses, and Ignition Switch
Cruise, Heater A/C, and Brake Fuses
Power, Ground, DLC and Indicator
PARK LPS, TURN B/U, HAZARD and STOP Fuses
PARK LPS, TURN B/U, HAZARD and STOP Fuses
Gages
G101 - Gasoline Engines