GM Service Manual Online
For 1990-2009 cars only
Makes
🢒
Chevrolet
🢒
2002
🢒
Express
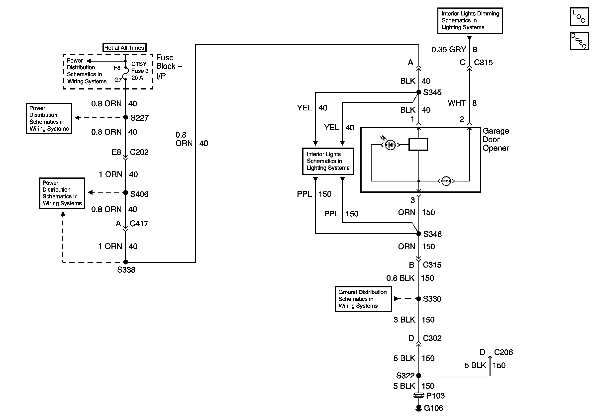
🢒 Garage Door Opener
Garage Door Opener
Master Electrical Component List
Garage Door Opener Description and Operation
Lighting and Battery Fuses
Courtesy, Air Bags, and Turn Backup Fuses
Circuit 40 with Y91
Dome and Reading Lamps with Y91
G106 with Y91
Additional Control Illumination Lamps with Y91