GM Service Manual Online
For 1990-2009 cars only
Figure 1:

Power, Ground, MIL, and DLC


Object Number: 837728  Size: FS
Master Electrical Component List
Powertrain Control Module Description
5 Volt Reference (4.3L)
OBD II Symbol Description Notice
B+ Bus - Underhood Fuse Block
IGN B Fuse
O2A, O2B, SPARE, BTSI BU, PCM IGN 1, BTSI, and TRLR BU Fuses
CRANK, IGN O, TBC ACC, FR WPR, BRKS, and HVAC Fuses
CRANK, IGN O, TBC ACC, FR WPR, BRKS, and HVAC Fuses
G103, G104, G105, G106, G300, and G301
Data Link Schematics
Figure 2:

5 Volt Reference


Object Number: 904971  Size: FS
Master Electrical Component List
Powertrain Control Module Description
Engine Data Sensors
Power, Ground, MIL, and DLC
OBD II Symbol Description Notice
Figure 3:

Engine Data Sensors


Object Number: 837735  Size: FS
Master Electrical Component List
Powertrain Control Module Description
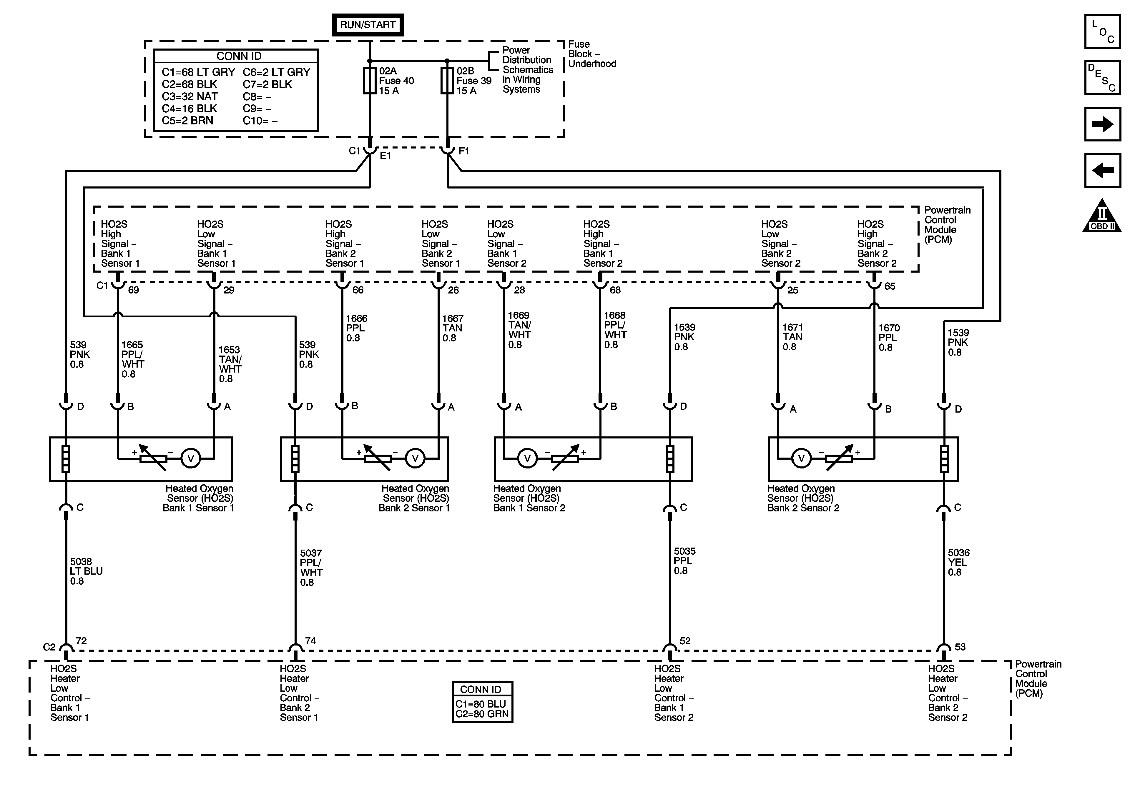
Oxygen Sensors
5 Volt Reference (4.3L)
OBD II Symbol Description Notice
IGN B Fuse
O2A, O2B, SPARE, BTSI BU, PCM IGN 1, BTSI, and TRLR BU Fuses
O2A, O2B, SPARE, BTSI BU, PCM IGN 1, BTSI, and TRLR BU Fuses
Cruise Control
Temperature/Pressure/Range Switches, and VSS
G103, G104, G105, G106, G300, and G301
Figure 4:

Oxygen Sensors


Object Number: 837737  Size: FS
Master Electrical Component List
Powertrain Control Module Description
Ignition Controls
Engine Data Sensors
OBD II Symbol Description Notice
IGN B Fuse
Figure 5:

Ignition Controls


Object Number: 837740  Size: FS
Master Electrical Component List
Powertrain Control Module Description
Fuel Controls
Oxygen Sensors
OBD II Symbol Description Notice
ENG 1, and ENG 2 Fuses - 4.3L
ENG 1, and ENG 2 Fuses - 4.3L
Fuel and Device Controls
G102
Figure 6:

Fuel Controls


Object Number: 837755  Size: FS
Master Electrical Component List
Powertrain Control Module Description
Fuel Injection Controls
Ignition Controls
OBD II Symbol Description Notice
B+ Bus - Underhood Fuse Block
Gages
G400
G102
Figure 7:

Fuel Injection Controls


Object Number: 837757  Size: FS
Master Electrical Component List
Powertrain Control Module Description
Fuel and Device Controls
Fuel Controls
OBD II Symbol Description Notice
IGN B Fuse
ENG 1, and ENG 2 Fuses - 4.3L
Figure 8:

Fuel, EVAP, and Device Controls


Object Number: 837764  Size: FS
Master Electrical Component List
Powertrain Control Module Description
Controlled/Monitored Subsystem, and Transmission - A/T References
Fuel Injection Controls
OBD II Symbol Description Notice
B+ Bus - Underhood Fuse Block
ENG 1, and ENG 2 Fuses - 4.3L
ENG 1, and ENG 2 Fuses - 4.3L
TRLR STOP/TRN, CAN VENT,LH-LOBM, RH-LOBM, LH-HIBM, and RH-HIBM Fuses
Gages
Power, Ground, DLC and Indicator
Cruise Control
ENG 1, and ENG 2 Fuses - 4.3L
Figure 9:

Controlled/Monitored Subsystem and Transmission Controls - A/T References


Object Number: 837766  Size: FS
Master Electrical Component List
Powertrain Control Module Description
Fuel and Device Controls
OBD II Symbol Description Notice
Compressor Controls (C60)
Wheel Speed Sensors, VSS and Brake Pressure Switch
Cruise Control
Charging System
Starting System
Gages
Indicators
Temperature/Pressure/Range Switches, and VSS
Power, and Solenoid Valve Controls
Power, and Solenoid Valve Controls