GM Service Manual Online
For 1990-2009 cars only
Figure 1:

Driver, Passenger and Cargo Mini Wedges


Object Number: 848130  Size: FS
Master Electrical Component List
Interior Lighting Systems Description and Operation
Courtesy Lamps - YF7
Controls and Backlighting - 1 of 3
Headlamp and Panel Dimmer Switch, Park Lamp Relay, and FR PRK, LR PRK, RR PRK, TRLR PRK, UPFTR PRK Fuses
Headlights
Splice Pack SP347, and G347 - 1 of 3
Splice Pack SP347, and G347 - 2 of 3
Splice Pack SP347, and G347 - 1 of 3
G302
G402 (Passenger/Cargo) and G403 (PRP)
Figure 2:

Courtesy Lamps - YF7


Object Number: 848133  Size: FS
Master Electrical Component List
Interior Lighting Systems Description and Operation
Courtesy Lamps w/o YF7 - 1 of 2
Driver, Passenger, and Cargo Mini Wedges
B+ Bus - Body Fuse Block
G103, G104, G105, G106, G300, and G301
G302
Figure 3:

Courtesy Lamps - w/o YF7 - Page 1 of 2


Object Number: 848136  Size: FS
Master Electrical Component List
Interior Lighting Systems Description and Operation
Courtesy Lamps w/o YF7 - 2 of 2
Courtesy Lamps - YF7
B+ Bus - Body Fuse Block
G103, G104, G105, G106, G300, and G301
Underhood Lamp, Rear Door Ajar Switches, and Vanity Mirrors
Courtesy Lamps w/o YF7 - 2 of 2
G401 (Passenger/Cargo)
G302
Splice Pack SP347, and G347 - 1 of 3
Figure 4:

Courtesy Lamps - w/o YF7 - Page 2 of 2


Object Number: 848138  Size: FS
Master Electrical Component List
Interior Lighting Systems Description and Operation
Underhood Lamp, Rear Door Ajar Switches, and Vanity Mirrors
Courtesy Lamps w/o YF7 - 1 of 2
Courtesy Lamps w/o YF7 - 1 of 2
Underhood Lamp, Rear Door Ajar Switches, and Vanity Mirrors
Splice Pack SP347, and G347 - 3 of 3
Splice Pack SP347, and G347 - 1 of 3
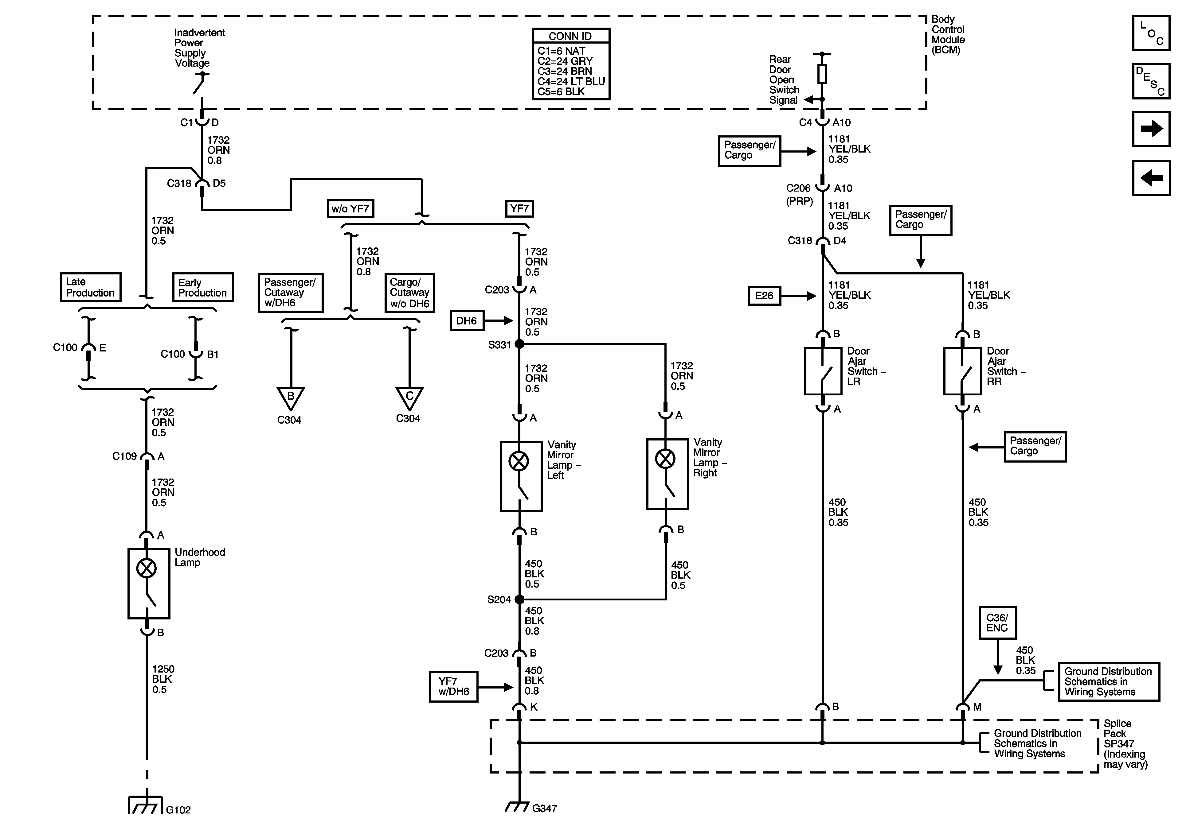
Figure 5:

Underhood Lamp, Rear Door Ajar Switches and Vanity Mirrors


Object Number: 848140  Size: FS
Master Electrical Component List
Interior Lighting Systems Description and Operation
Dome Fluorescent Work Lamps
Courtesy Lamps w/o YF7 - 2 of 2
Courtesy Lamps w/o YF7 - 2 of 2
Courtesy Lamps w/o YF7 - 1 of 2
Splice Pack SP347, and G347 - 2 of 3
Splice Pack SP347, and G347 - 1 of 3
G102
Figure 6:

Dome Fluorescent Work Lamps PRP w/UF2


Object Number: 889860  Size: FS
Master Electrical Component List
Interior Lighting Systems Description and Operation
Underhood Lamp, Rear Door Ajar Switches, and Vanity Mirrors
B+ Bus - Body Fuse Block
RR BLOWER, AUXILIARY 1, OSRVM, and SPARE Fuses, PWR WND Circuit Breaker
Fuse Block - Rear, Work Lamps and Access Panel Relays
G402 (Passenger/Cargo) and G403 (PRP)