GM Service Manual Online
For 1990-2009 cars only
Makes
🢒
Chevrolet
🢒
2003
🢒
Express
🢒
Body and Accessories
🢒
Wiring Systems
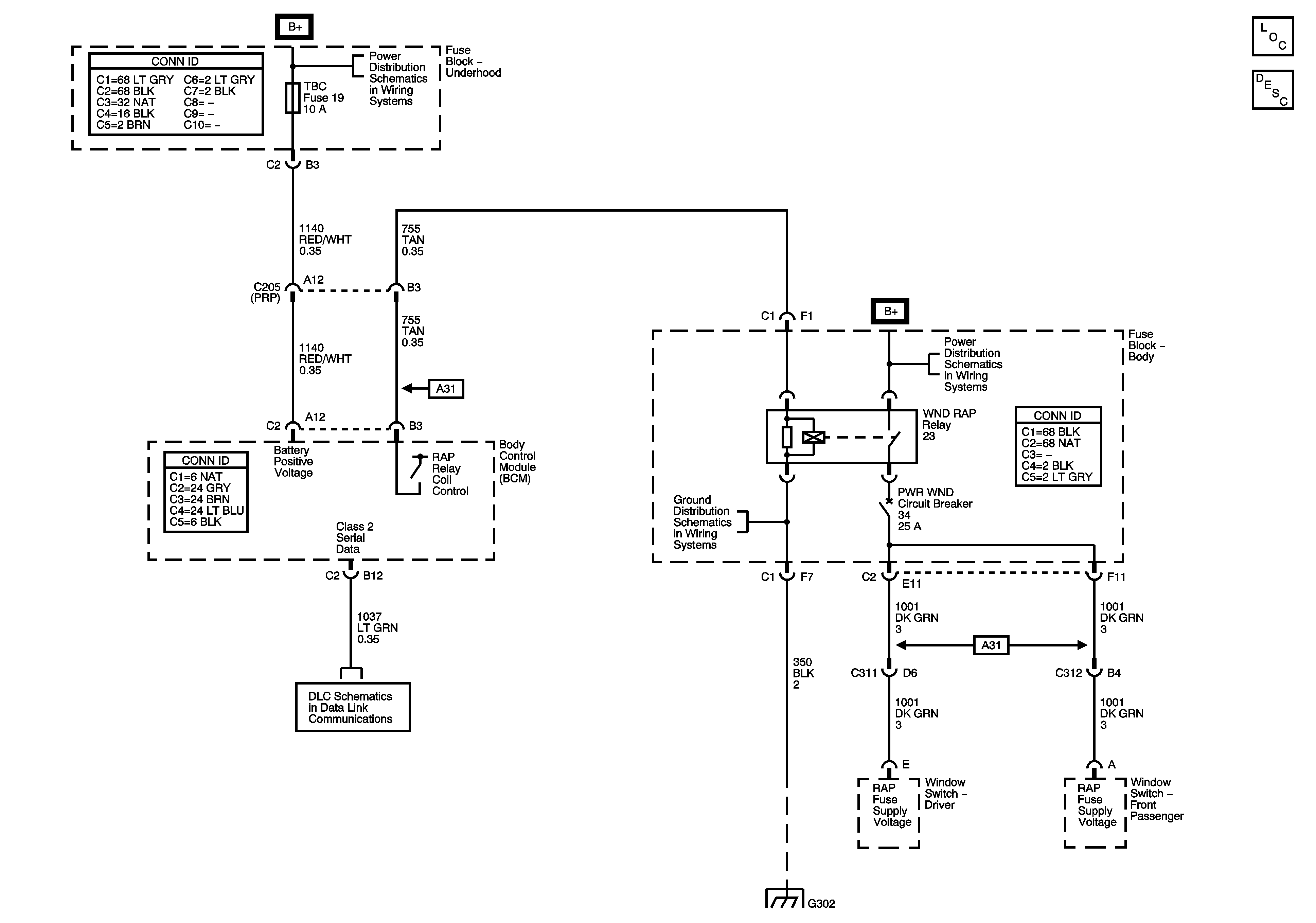
🢒 Retained Accessory Power (RAP) Schematics
Master Electrical Component List
Retained Accessory Power (RAP) Description and Operation
B+ Bus - Body Fuse Block
B+ Bus - Underhood Fuse Block
G103, G104, G105, G106, G300, and G301
Data Link Schematics
G302