GM Service Manual Online
For 1990-2009 cars only
Figure 1:

Module Power, Ground, Serial Data and MIL


Object Number: 1247808  Size: FS
Master Electrical Component List
Powertrain Control Module Description
5 Volt and Low Reference
OBD II Symbol Description Notice
PCM BAT, ABS, TRLR, BLOW, STOP LP, IPC AUX PWR and CIGAR Fuses
IGN B Fuse, ACCY/RUN and RUN/START Bus Bars
O2A, O2B, SPARE, BTSI/BU, PCM IGN 1, BTSI and TRLR BU Fuses
Crank, IGN 0, TBC ACC, FR WPR, BRKS and HVAC Fuses
Crank, IGN 0, TBC ACC, FR WPR, BRKS and HVAC Fuses
G103, G104, G105, G106, G300 and G301
Data Link Connector (DLC)
Figure 2:

5-Volt and Low Reference


Object Number: 1247817  Size: FS
Master Electrical Component List
Powertrain Control Module Description
Engine Data Sensors - Pressure, Temperature and Position
Module Power, Ground, Serial Data and MIL
OBD II Symbol Description Notice
Figure 3:

Engine Data Sensors - Pressure, Temperature and Position


Object Number: 1247819  Size: FS
Master Electrical Component List
Powertrain Control Module Description
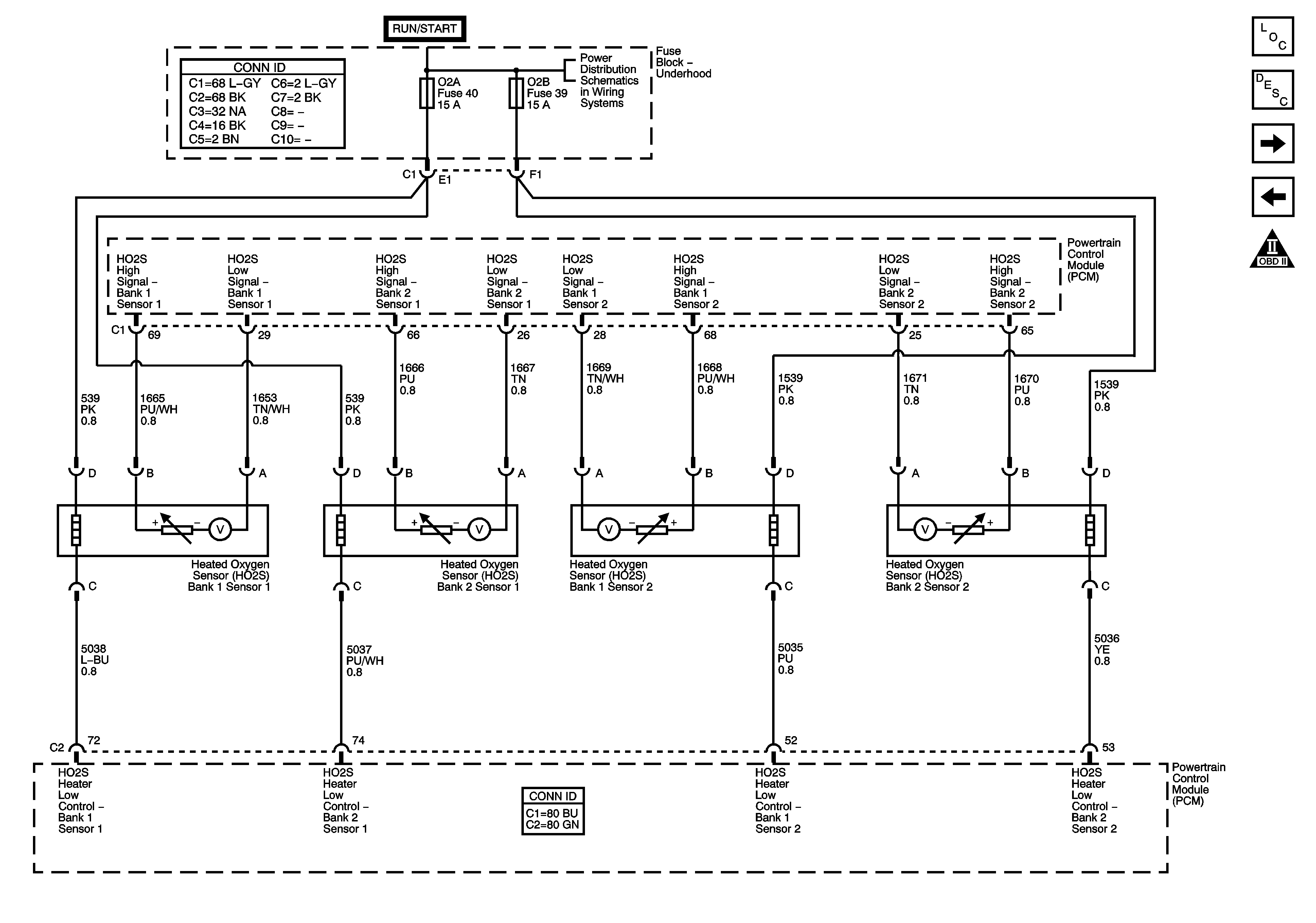
Engine Data Sensors - Oxygen Sensors
5 Volt and Low Reference
OBD II Symbol Description Notice
IGN B Fuse, ACCY/RUN and RUN/START Bus Bars
ENG 1 and ENG 2 Fuses - 4.3L
ENG 1 and ENG 2 Fuses - 4.3L
w/o JL4
Tow/Haul and Park/Neutral Position Switch Inputs and Vehicle Speed Sensor
G103, G104, G105, G106, G300 and G301
Figure 4:

Engine Data Sensors - Oxygen Sensors


Object Number: 1247825  Size: FS
Master Electrical Component List
Powertrain Control Module Description
Ignition Controls
Engine Data Sensors - Pressure, Temperature and Position
OBD II Symbol Description Notice
IGN B Fuse, ACCY/RUN and RUN/START Bus Bars
Figure 5:

Ignition Controls


Object Number: 1247828  Size: FS
Master Electrical Component List
Powertrain Control Module Description
Fuel Controls - Fuel Pump Controls
Engine Data Sensors - Oxygen Sensors
OBD II Symbol Description Notice
IGN B Fuse, ACCY/RUN and RUN/START Bus Bars
ENG 1 and ENG 2 Fuses - 4.3L
ENG 1 and ENG 2 Fuses - 4.3L
Engine Controls Schematic Icons
G102
Figure 6:

Fuel Controls - Fuel Pump Controls


Object Number: 1247830  Size: FS
Master Electrical Component List
Powertrain Control Module Description
Fuel Controls - Fuel Injectors
Ignition Controls
OBD II Symbol Description Notice
B+ Bus - Underhood Fuse Block
Gages
G400
G102
Figure 7:

Fuel Controls - Fuel Injectors


Object Number: 1247835  Size: FS
Master Electrical Component List
Powertrain Control Module Description
Fuel Controls - EVAP and Device Controls
Fuel Controls - Fuel Pump Controls
OBD II Symbol Description Notice
IGN B Fuse, ACCY/RUN and RUN/START Bus Bars
ENG 1 and ENG 2 Fuses - 4.3L
Figure 8:

Fuel Controls - EVAP and Device Controls


Object Number: 1247838  Size: FS
Master Electrical Component List
Powertrain Control Module Description
Controlled/Monitored Subsystem and Transmission References
Fuel Controls - Fuel Injectors
OBD II Symbol Description Notice
B+ Bus - Underhood Fuse Block
IGN B Fuse, ACCY/RUN and RUN/START Bus Bars
TRLR STOP/TRN, CAN VENT, LH-LOBM, RH-LOBM, LH-HIBM and RH-HIBM Fuses
ENG 1 and ENG 2 Fuses - 4.3L
ENG 1 and ENG 2 Fuses - 4.3L
Gages
Power, Ground, Serial Data, Indicator and Stop Lamp Switch - w/o VSES
w/o JL4
Figure 9:

Controlled/Monitored Subsystem and Transmission References


Object Number: 1247841  Size: FS
Master Electrical Component List
Powertrain Control Module Description
Fuel Controls - EVAP and Device Controls
OBD II Symbol Description Notice
Compressor Controls - C60
Wheel Speed Sensors and VSS - w/o VSES
w/o JL4
Charging System
Starting System
Gages
Tow/Haul and Park/Neutral Position Switch Inputs and Vehicle Speed Sensor
Valve Controls and Switch Inputs
Valve Controls and Switch Inputs