GM Service Manual Online
For 1990-2009 cars only
Figure 1:

Power, Ground, Serial Data, Indicator and Stop Lamp Switch (w/o JL4)


Object Number: 1401614  Size: FS
Master Electrical Component List
ABS Description and Operation W/O JL4
Control Module References
Wheel Speed Sensors and VSS - w/o JL4
Ignition Switch - ACCY/RUN, RUN/START Bus Bars and IGN A Fuse
Ignition Switch - ACCY/RUN, RUN/START Bus Bars and IGN B Fuse
IGN E, ISRV, SIR, SPARE andTBC IGN 1 Fuses
B+ Bus - Underhood Fuse Block
Data Link Connector (DLC) Schematics
Fuel Controls - EVAP and Device Controls
Fuel Controls - EVAP and Device Controls
w/o JL4
Figure 2:

Wheel Speed Sensors and VSS (w/o JL4)


Object Number: 1401616  Size: FS
Master Electrical Component List
ABS Description and Operation W/O JL4
Control Module References
Power, Ground, Serial Data, Indicator, VSS and Stop Lamp Switch - JL4
Power, Ground, Serial Data, Indicator and Stop lamp Switch - w/o JL4
Antilock Brake System Schematic Icons
Antilock Brake System Schematic Icons
Figure 3:

Power, Ground, Serial Data, Indicator, VSS and Stop Lamp Switch (JL4)


Object Number: 1401617  Size: FS
Master Electrical Component List
ABS Description and Operation W/JL4
Control Module References
Wheel Speed Sensors - JL4
Wheel Speed Sensors and VSS - w/o JL4
Ignition Switch - ACCY/RUN, RUN/START Bus Bars and IGN B Fuse
IGN E, ISRV, SIR, SPARE andTBC IGN 1 Fuses
Ignition Switch - ACCY/RUN, RUN/START Bus Bars and IGN A Fuse
B+ Bus - Body Fuse Block
AUXILIARY 1, OSRVM, RR BLOWER and SPARE Fuses
B+ Bus - Underhood Fuse Block
Steering Wheel/ Speed Position Inputs, Traction Control Switch and Precharge Pump - JL4
JL4
Data Link Connector (DLC) Schematics
Figure 4:

Wheel Speed Sensors (JL4)


Object Number: 1401620  Size: FS
Master Electrical Component List
ABS Description and Operation W/JL4
Control Module References
Yaw and Lateral Acceleration Sensor Inputs - JL4
Power, Ground, Serial Data, Indicator, VSS and Stop Lamp Switch - JL4
Antilock Brake System Schematic Icons
Antilock Brake System Schematic Icons
Antilock Brake System Schematic Icons
Antilock Brake System Schematic Icons
Antilock Brake System Schematic Icons
Antilock Brake System Schematic Icons
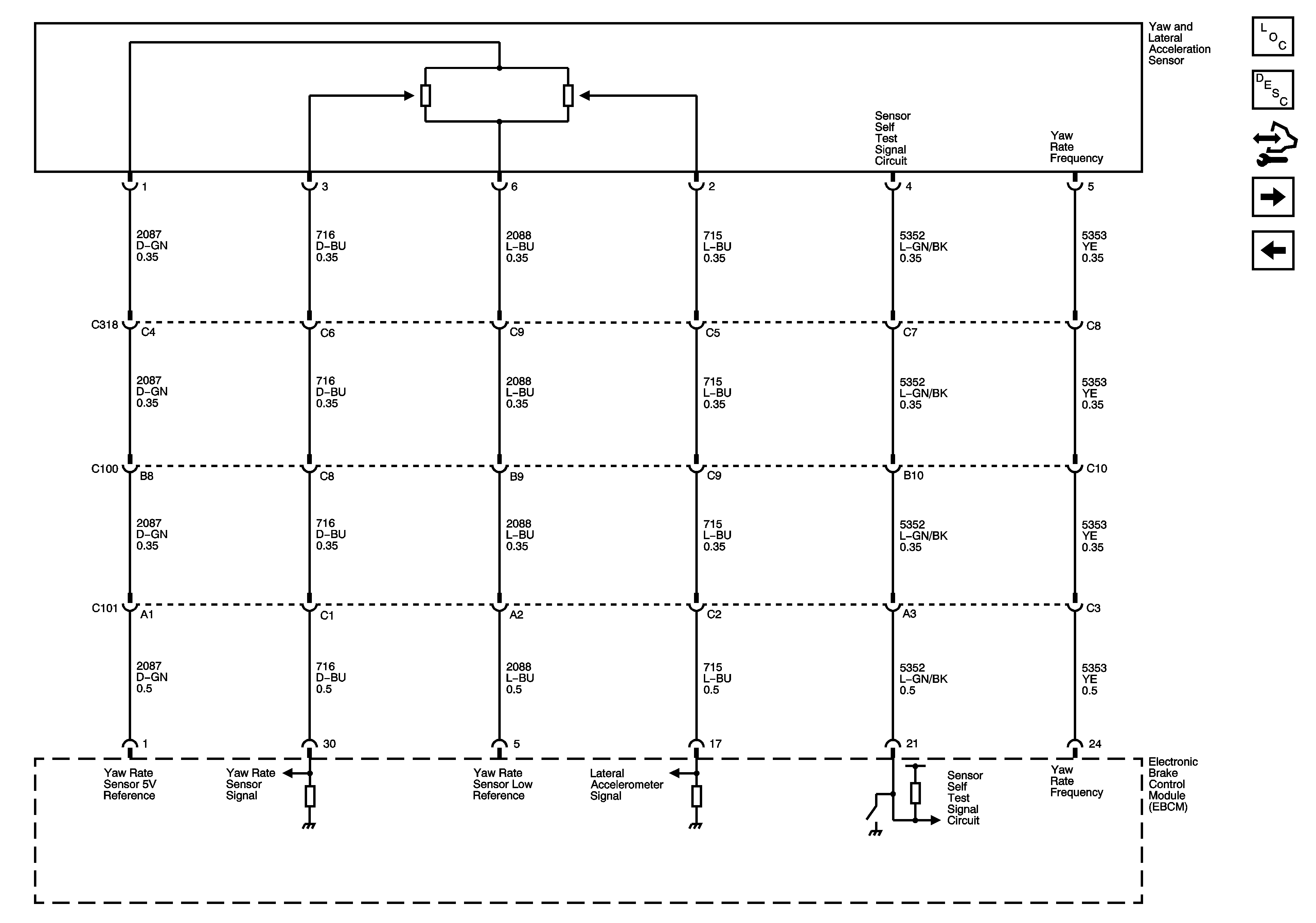
Figure 5:

Yaw and Lateral Acceleration Sensor Inputs (JL4)


Object Number: 1401622  Size: FS
Master Electrical Component List
ABS Description and Operation W/JL4
Control Module References
Steering Wheel/ Speed Position Inputs, Traction Control Switch and Precharge Pump - JL4
Wheel Speed Sensors - JL4
Figure 6:

Steering Wheel/Speed Position Inputs, Traction Control Switch and Precharge Pump (JL4)


Object Number: 1401624  Size: FS
Master Electrical Component List
ABS Description and Operation W/JL4
Control Module References
Yaw and Lateral Acceleration Sensor Inputs - JL4
Ignition Switch - ACCY/RUN, RUN/START Bus Bars and IGN B Fuse
BTSI, BTSI/BU, O2A, O2B, PCM IGN 1, SPARE and TRLR BU Fuses
BTSI, BTSI/BU, O2A, O2B, PCM IGN 1, SPARE and TRLR BU Fuses
Power, Ground, Serial Data, Indicator, VSS and Stop Lamp Switch - JL4
I/P Dimming Supply Voltage - 1 of 3 and LED Dimming Supply Voltage
G303 and G304
G303 and G304