| Figure 1: |
B+ Bus - Underhood Fuse Block (1 of 2)
|
| Figure 2: |
B+ Bus - Underhood Fuse Block (2 of 2)
|
| Figure 3: |
B+ Bus - Body Fuse Block
|
| Figure 4: |
BCM 1-7, AUX PWR OUTLET, LTR/DLL, FRT BLWR, TRLR WRG and FOH MDL Fuses
|
| Figure 5: |
ABS MTR, ABS MDL, WSW, HORN, FUEL PUMP and A/C CMPRSR Fuses
|
| Figure 6: |
LT HIGH BEAM, RT HIGH BEAM, LT STP/TRN TRLR, RT STP/TRN TRLR, AUX STOP LAMP and STRTR SOL Fuses
|
| Figure 7: |
LT LO BEAM, RT LO BEAM, DRL 1, DRL 2, SEO and TCM BATT Fuses
|
| Figure 8: |
WPR, ECM BATT(G), CNSTR VENT SOL(G) and FCSM BATT Fuses
|
| Figure 9: |
RUN/CRNK BUS - TRANS, TCM IGN, ECM IGN, AIR BAG, STR/WHL SNSR(G), BRK SW, I/P CLSTR and FCSM IGN(G) Fuses
|
| Figure 10: |
PWR/TRN BUS - GLOW PLUG(D), O2 SNSR 1(G), O2 SNSR 2(G), ECM PWR/TRN and MAF/CNSTR Fuses
|
| Figure 11: |
PWR/TRN BUS - FUEL HTR(D), V6 FUEL INJ(G), EVEN IGN IJN(G) and ECM PWR/TRN Fuses
|
| Figure 12: |
PWR/TRN BUS - ODD IGN/INJ(G) and FAN CLTCH(D) Fuses
|
| Figure 13: |
REAR BLWR, HVAC CNTRL, I/P CLSTR, RDO/CHIME, RFA/TPM, OSRVM SW Fuses and PWR SEATS Circuit Breaker
|
| Figure 14: |
IGN SW/PK3 MDL Fuse and Ignition Switch
|
| Figure 15: |
REAR DEFOG, OSRVM HTR and AIR BAG/AOS Fuses, PWR WDO Circuit Breaker
|
| Figure 16: |
DRV DR UNLCK, FRT PASS DR UNLCK, REAR PASS DR UNLCK and CARGO DR UNLCK Fuses
|
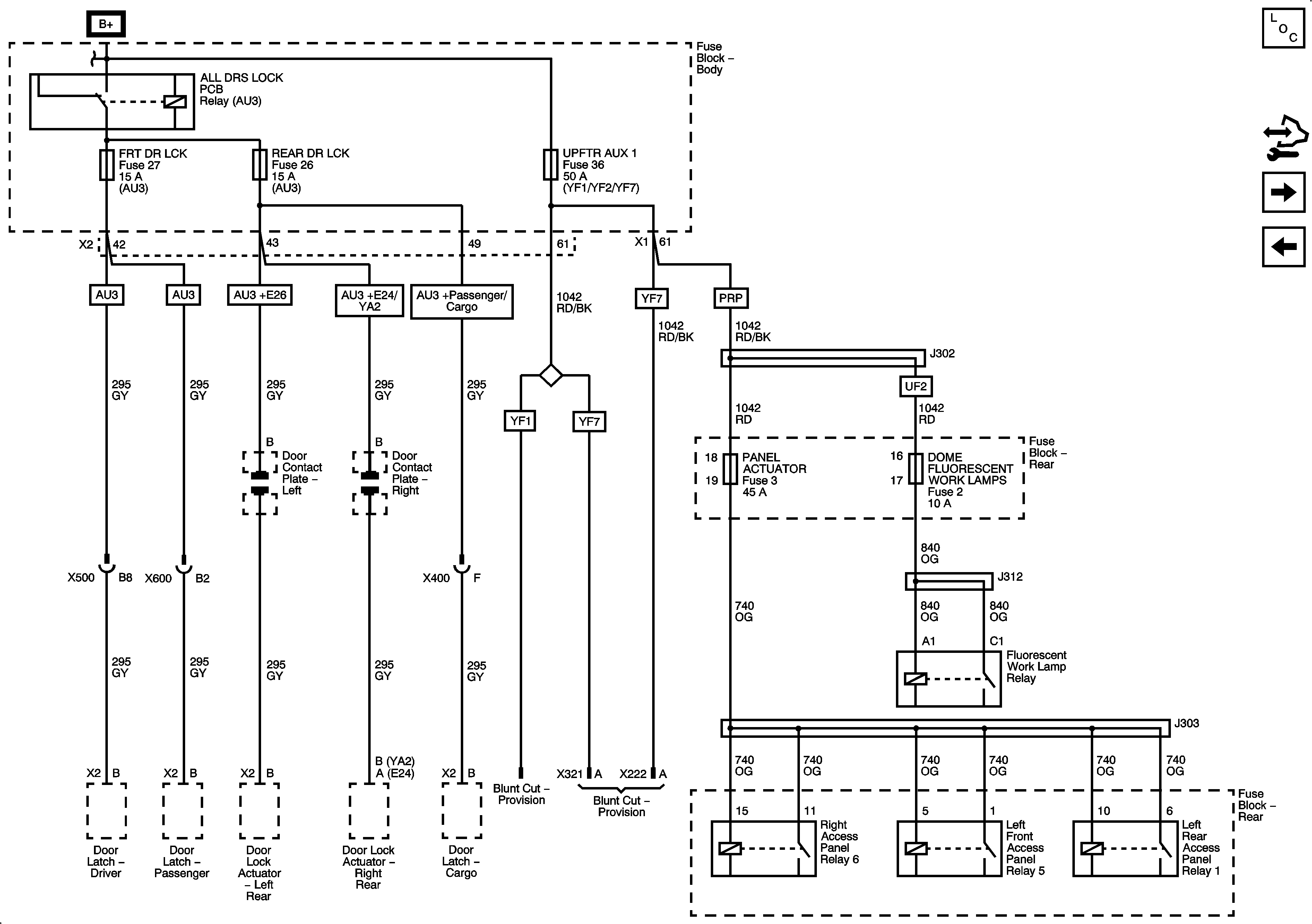
| Figure 17: |
FRT DR LCK, REAR DR LCK and UPFTR AUX 1 Fuses
|
| Figure 18: |
RUN BUS - HVAC 1 and HVAC 2 Fuses
|
| Figure 19: |
RUN BUS - CMPS, UPFTR AUX 2, AUX/TRLR BCK/UP and T/LAMP Fuses
|
| Figure 20: |
UPFTR PARK LMPS, FRT PRK LAMP, TRLR PRK LAMP, AUX PRK LAMP, LT REAR PRK LAMP and RT REAR PRK LAMP Fuses
|
| Figure 21: |
UPFTR CTSY LMPS Fuse
|