GM Service Manual Online
For 1990-2009 cars only
Makes
🢒
Chevrolet
🢒
2009
🢒
Express
🢒
Diagnostic Navigation
🢒
Vehicle Diagnostic Information
🢒 Interior Lights Schematics
Figure
1:
Inadvertant Lamp Control
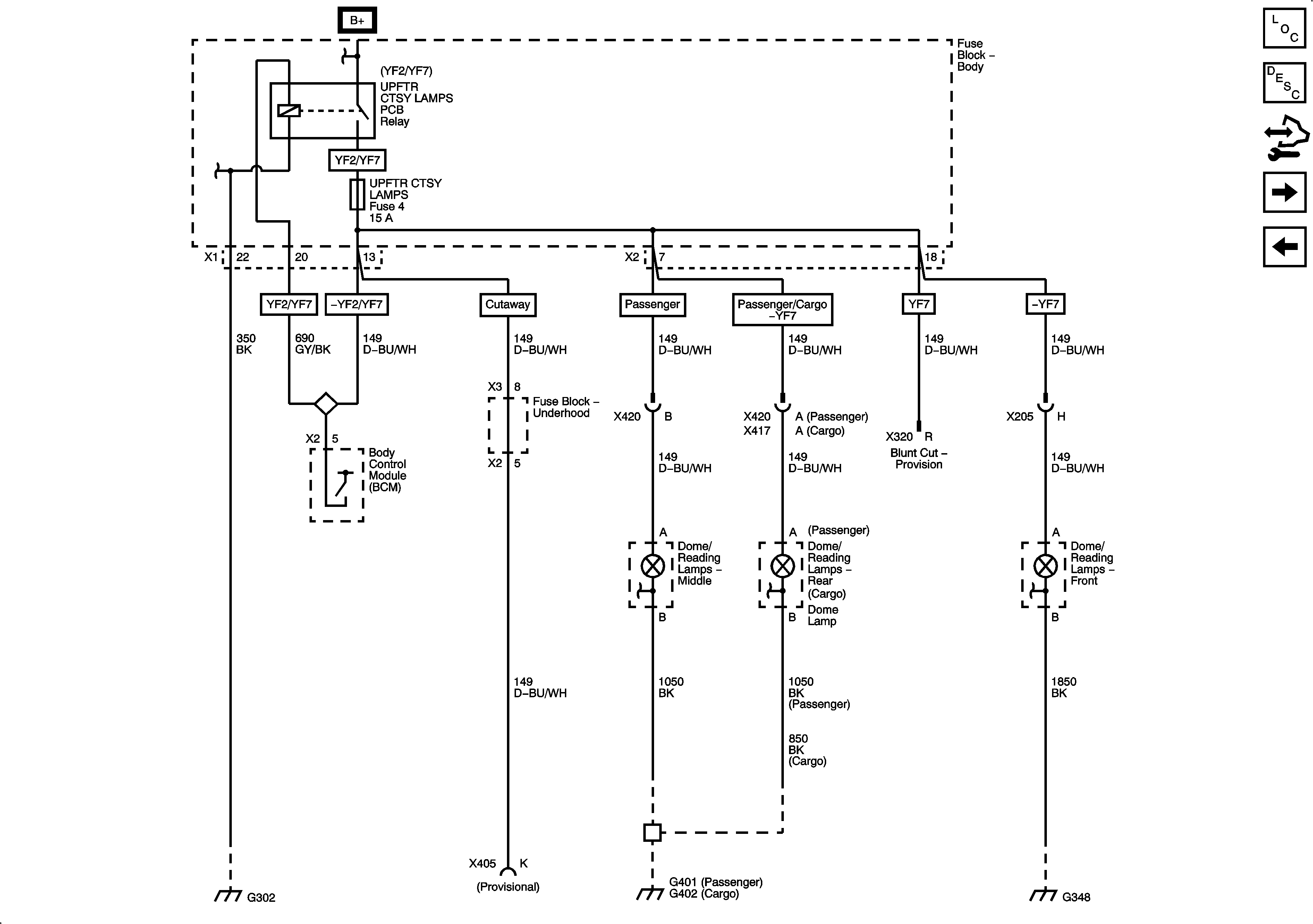
Figure
2:
Courtesy Lamp Control
Figure
3:
Dome Fluorescent Work Lamps (PRP with UF2)