GM Service Manual Online
For 1990-2009 cars only

Engine Controls Schematics Alternative Fuels

Figure 1:

Power, Ground, MIL and Serial Data


Object Number: 697671  Size: FS
Fuel Controls, Fuel Pump
Engine Controls, PCM 4 of 4
OBD II Symbol Description Notice
Powertrain Control Module Connector End Views
Figure 2:

Fuel Controls, Fuel Pump


Object Number: 697673  Size: FS
Fuel Controls, High Pressure Lock-Off Solenoids
Power, Ground, MIL and Serial Data
OBD II Symbol Description Notice
Powertrain Control Module Connector End Views
Figure 3:

Fuel Controls, High Pressure Lock-Off Solenoids


Object Number: 697674  Size: FS
Fuel Controls, Idle, Low Pressure and Fuel Control Solenoids
Fuel Controls, Fuel Pump
OBD II Symbol Description Notice
Figure 4:

Fuel Controls, Idle, Low Pressure and Fuel Control Solenoids


Object Number: 697677  Size: FS
Fuel Controls, Fuel Gauge
Fuel Controls, High Pressure Lock-Off Solenoids
OBD II Symbol Description Notice
Figure 5:

Fuel Controls, Fuel Gage


Object Number: 697679  Size: FS
Engine Data Sensors, ECT, IAT, TP and MAP
Fuel Controls, Idle, Low Pressure and Fuel Control Solenoids
OBD II Symbol Description Notice
Powertrain Control Module Connector End Views
Figure 6:

Engine Data Sensors, ECT, IAT, TP and MAP


Object Number: 697681  Size: FS
Engine Data Sensors, MAF, EVAP and VSS
Fuel Controls, Fuel Gauge
OBD II Symbol Description Notice
Powertrain Control Module Connector End Views
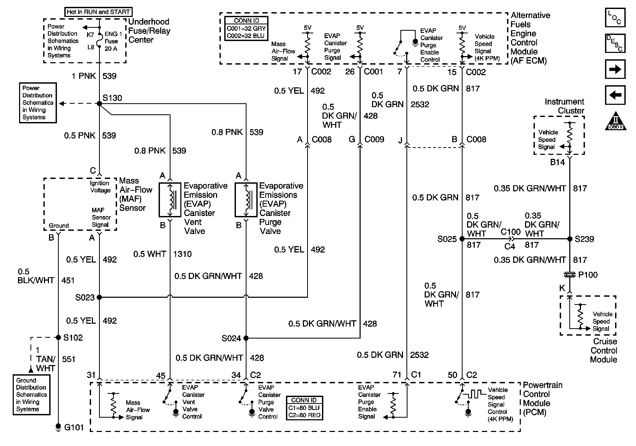
Figure 7:

Engine Data Sensors, MAF, EVAP and VSS


Object Number: 697684  Size: FS
Engine Data Sensors, FTP and FTT
Engine Data Sensors, ECT, IAT, TP and MAP
OBD II Symbol Description Notice
Powertrain Control Module Connector End Views
Figure 8:

Engine Data Sensors, FTP and FTT


Object Number: 697687  Size: FS
Engine Data Sensors, HO2S
Engine Data Sensors, MAF, EVAP and VSS
OBD II Symbol Description Notice
Figure 9:

Engine Data Sensors, HO2S


Object Number: 697738  Size: FS
Engine Controls, PCM 1 of 4
Engine Data Sensors, FTP and FTT
OBD II Symbol Description Notice
Powertrain Control Module Connector End Views
Figure 10:

Engine Controls, PCM (1 of 4)


Object Number: 698184  Size: FS
Engine Controls, PCM 2 of 4
Engine Data Sensors, HO2S
OBD II Symbol Description Notice
Powertrain Control Module Connector End Views
Figure 11:

Engine Controls, PCM (2 of 4)


Object Number: 698186  Size: FS
Engine Controls, PCM 3 of 4
Engine Controls, PCM 1 of 4
OBD II Symbol Description Notice
Powertrain Control Module Connector End Views
Figure 12:

Engine Controls, PCM (3 of 4)


Object Number: 698187  Size: FS
Engine Controls, PCM 4 of 4
Engine Controls, PCM 2 of 4
OBD II Symbol Description Notice
Powertrain Control Module Connector End Views
Figure 13:

Engine Controls, PCM (4 of 4)


Object Number: 698189  Size: FS
Power, Ground, MIL and Serial Data
Engine Controls, PCM 3 of 4
OBD II Symbol Description Notice
Powertrain Control Module Connector End Views