GM Service Manual Online
For 1990-2009 cars only
Figure 1:

Module Power, Ground, Serial Data, and MIL


Object Number: 1565177  Size: FS
Master Electrical Component List
Powertrain Control Module Description
Control Module References
Engine Data Sensors - 5-Volt and Low Reference
OBD II Symbol Description Notice
B+ Bus - Underhood Fuse Block - Gas
Ignition Switch - ACCY/RUN, RUN/START Bus Bars and IGN B Fuse
BTSI, BTSI BCK/UP, ECM/TCM/GLOW PLUG CNTRL MDL IGN 1, FUEL HTR, O2 SNSR A, O2 SNSR B, PCM IGN 1, SPARE and TRLR BCK/UP Fuses
BRK, CRNK, FRT WPR, HVAC, IGN 1, TBC ACCY and TBC/TCM ACCY Fuses
BRK, CRNK, FRT WPR, HVAC, IGN 1, TBC ACCY and TBC/TCM ACCY Fuses
G103, G104, G105, G106, G107, G108, G300, G301, and G305
Power, Ground, DLC, and Splice Pack SP200
Figure 2:

Engine Data Sensors - 5-Volt and Low Reference


Object Number: 1565178  Size: FS
Master Electrical Component List
Powertrain Control Module Description
Control Module References
Engine Data Sensors - Pressure, Temperature, and Position
Module Power, Ground, Serial Data, and MIL
OBD II Symbol Description Notice
Figure 3:

Engine Data Sensors - Pressure, Temperature, and Position


Object Number: 1565179  Size: FS
Master Electrical Component List
Powertrain Control Module Description
Control Module References
Engine Data Sensors - Oxygen Sensors
Engine Data Sensors - 5-Volt and Low Reference
OBD II Symbol Description Notice
Ignition Switch - ACCY/RUN, RUN/START Bus Bars and IGN B Fuse
ENG 1, ENG 2, and SPARE Fuses - 4.3L and 6.6L
ENG 1, ENG 2, and SPARE Fuses - 4.3L and 6.6L
G103, G104, G105, G106, G107, G108, G300, G301, and G305
Gas - w/o JL4
Pressure Controls, Temperature, and VSS
Figure 4:

Engine Data Sensors - Oxygen Sensors


Object Number: 1565181  Size: FS
Master Electrical Component List
Powertrain Control Module Description
Control Module References
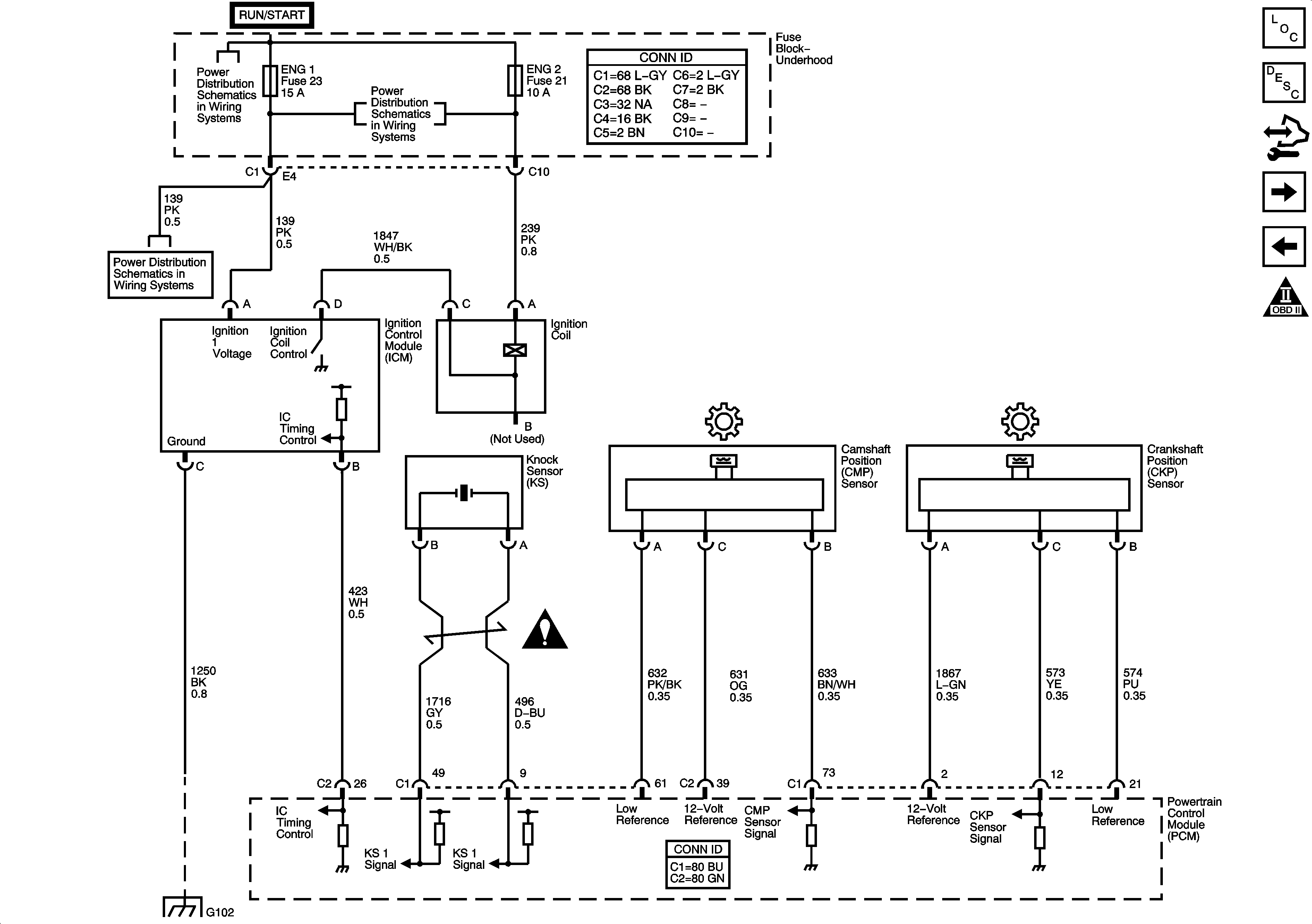
Ignition Controls
Engine Data Sensors - Pressure, Temperature, and Position
OBD II Symbol Description Notice
Ignition Switch - ACCY/RUN, RUN/START Bus Bars and IGN B Fuse
G103, G104, G105, G106, G107, G108, G300, G301, and G305
Figure 5:

Ignition Controls


Object Number: 1565182  Size: FS
Master Electrical Component List
Powertrain Control Module Description
Control Module References
Fuel Controls - Fuel Pump Controls
Engine Data Sensors - Oxygen Sensors
OBD II Symbol Description Notice
Ignition Switch - ACCY/RUN, RUN/START Bus Bars and IGN B Fuse
ENG 1, ENG 2, and SPARE Fuses - 4.3L and 6.6L
ENG 1, ENG 2, and SPARE Fuses - 4.3L and 6.6L
Engine Controls Schematic Icons
Figure 6:

Fuel Controls - Fuel Pump Controls


Object Number: 1565185  Size: FS
Master Electrical Component List
Powertrain Control Module Description
Control Module References
Fuel Controls - Fuel Injectors
Ignition Controls
OBD II Symbol Description Notice
B+ Bus - Underhood Fuse Block - Gas
Gages
G400
G102
Figure 7:

Fuel Controls - Fuel Injectors


Object Number: 1565186  Size: FS
Master Electrical Component List
Powertrain Control Module Description
Control Module References
Fuel Controls - EVAP and Device Controls
Fuel Controls - Fuel Pump Controls
OBD II Symbol Description Notice
ENG 1, ENG 2, and SPARE Fuses - 4.3L and 6.6L
Ignition Switch - ACCY/RUN, RUN/START Bus Bars and IGN B Fuse
Figure 8:

Fuel Controls - EVAP and Device Controls


Object Number: 1565188  Size: FS
Master Electrical Component List
Powertrain Control Module Description
Control Module References
Controlled/Monitored Subsystem and Transmission References
Fuel Controls - Fuel Injectors
OBD II Symbol Description Notice
B+ Bus - Underhood Fuse Block - Gas
AUX PWR, BLWR, CNSTR VENT SOL, IPC, LTR, REAR FOG LMPS, and STOP LAMP Fuses
Ignition Switch - ACCY/RUN, RUN/START Bus Bars and IGN B Fuse
ENG 1, ENG 2, and SPARE Fuses - 4.3L and 6.6L
ENG 1, ENG 2, and SPARE Fuses - 4.3L and 6.6L
Gages
Figure 9:

Controlled/Monitored Subsystem and Transmission References


Object Number: 1565189  Size: FS
Master Electrical Component List
Powertrain Control Module Description
Control Module References
Fuel Controls - EVAP and Device Controls
OBD II Symbol Description Notice
Compressor Controls (C60)
Wheel Speed Sensors and VSS (w/o JL4)
Gas - w/o JL4
Charging System - Diesel
Starting System - Gas
Gages
Power, Ground, Serial Data, Indicator, and Stop Lamp Switch (w/o JL4)
PNP Switch, Tow/Haul Switch, Serial Data, and Indicator
Shift Controls and Stop Lamp Switch
Pressure Controls, Temperature, and VSS