GM Service Manual Online
For 1990-2009 cars only
Makes
🢒
Chevrolet
🢒
2007
🢒
Express - AWD
🢒
Driver Information and Entertainment
🢒
Displays and Gages
🢒 Instrument Cluster Schematics
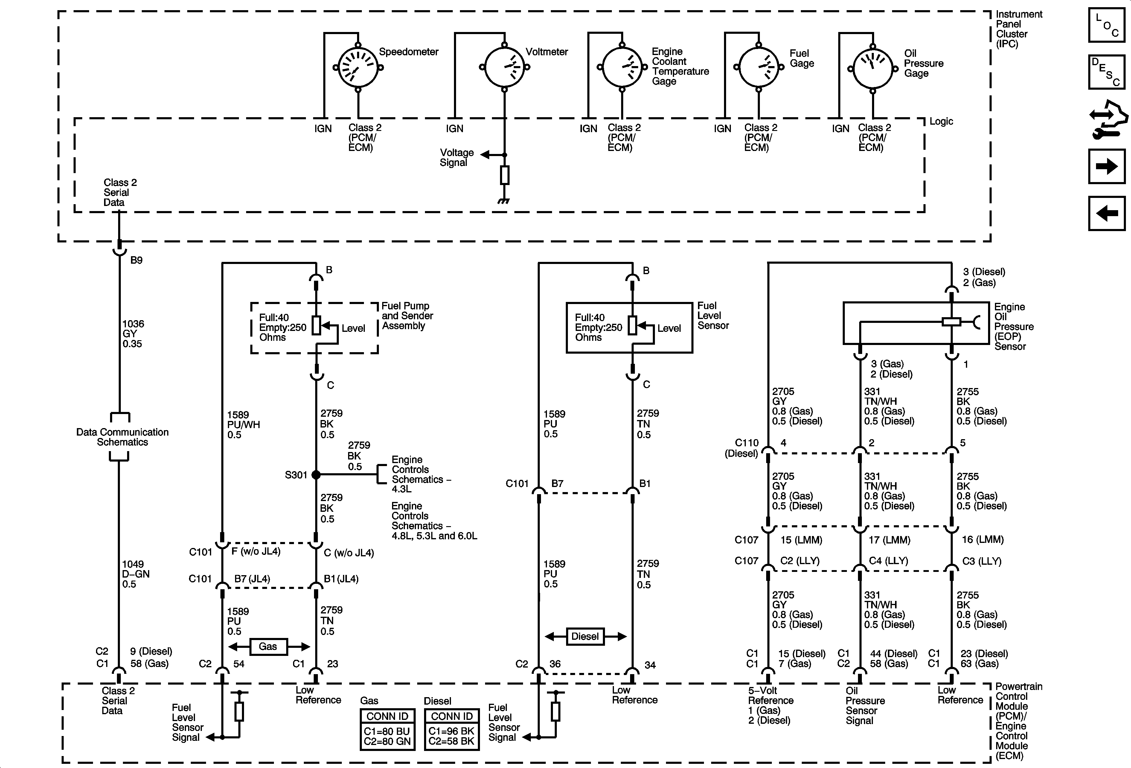
Figure
1:
Power, Ground, and Serial Data
Master Electrical Component List
Instrument Cluster Description and Operation
Control Module References
Gages
B+ Bus - Underhood Fuse Block - Gas
Ignition Switch - ACCY/RUN, RUN/START Bus Bars and IGN B Fuse
AIRBAG, FAN CLTCH, IGN E, ISRVM, SPARE and TBC IGN 1 Fuses
AIRBAG, FAN CLTCH, IGN E, ISRVM, SPARE and TBC IGN 1 Fuses
G302
G303
Power, Ground, DLC and Splice Pack SP200
Figure
2:
Gages
Master Electrical Component List
Instrument Cluster Description and Operation
Control Module References
Indicators
Power, Ground and Serial Data
Power, Ground and Serial Data
Fuel Controls - Fuel Pump Controls
Fuel Controls - Fuel Pump Controls
Figure
3:
Indicators
Master Electrical Component List
Indicator/Warning Message Description and Operation
Control Module References
Gages
Seat Belt Schematics
Turn Signals
Power, Ground, DLC and Splice Pack SP200
Hydraulic Brakes Schematics
G103, G104, G105, G106, G107, G108, G300, G301 and G305
G103, G104, G105, G106, G107, G108, G300, G301 and G305