GM Service Manual Online
For 1990-2009 cars only
Makes
🢒
Chevrolet
🢒
2007
🢒
Express - AWD
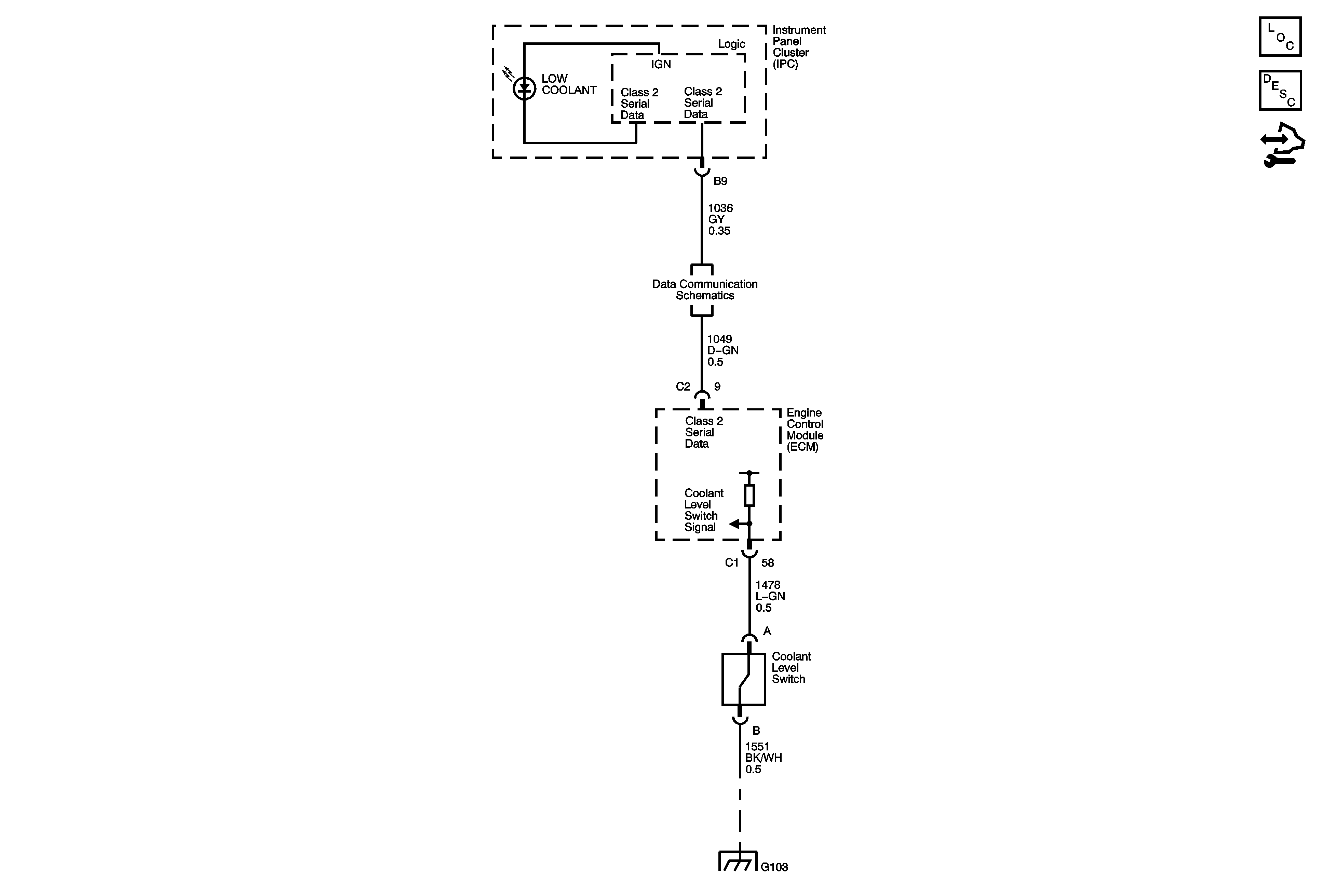
🢒 Engine Cooling Schematics (6.6L)
Engine Cooling Schematics (6.6L)
6.6L
Master Electrical Component List
Cooling System Description and Operation
Control Module References
Power, Ground, DLC and Splice Pack SP200
G103, G104, G105, G106, G107, G108, G300, G301 and G305