GM Service Manual Online
For 1990-2009 cars only
Makes
🢒
Chevrolet
🢒
2006
🢒
HHR
🢒
Engine
🢒
Engine Electrical
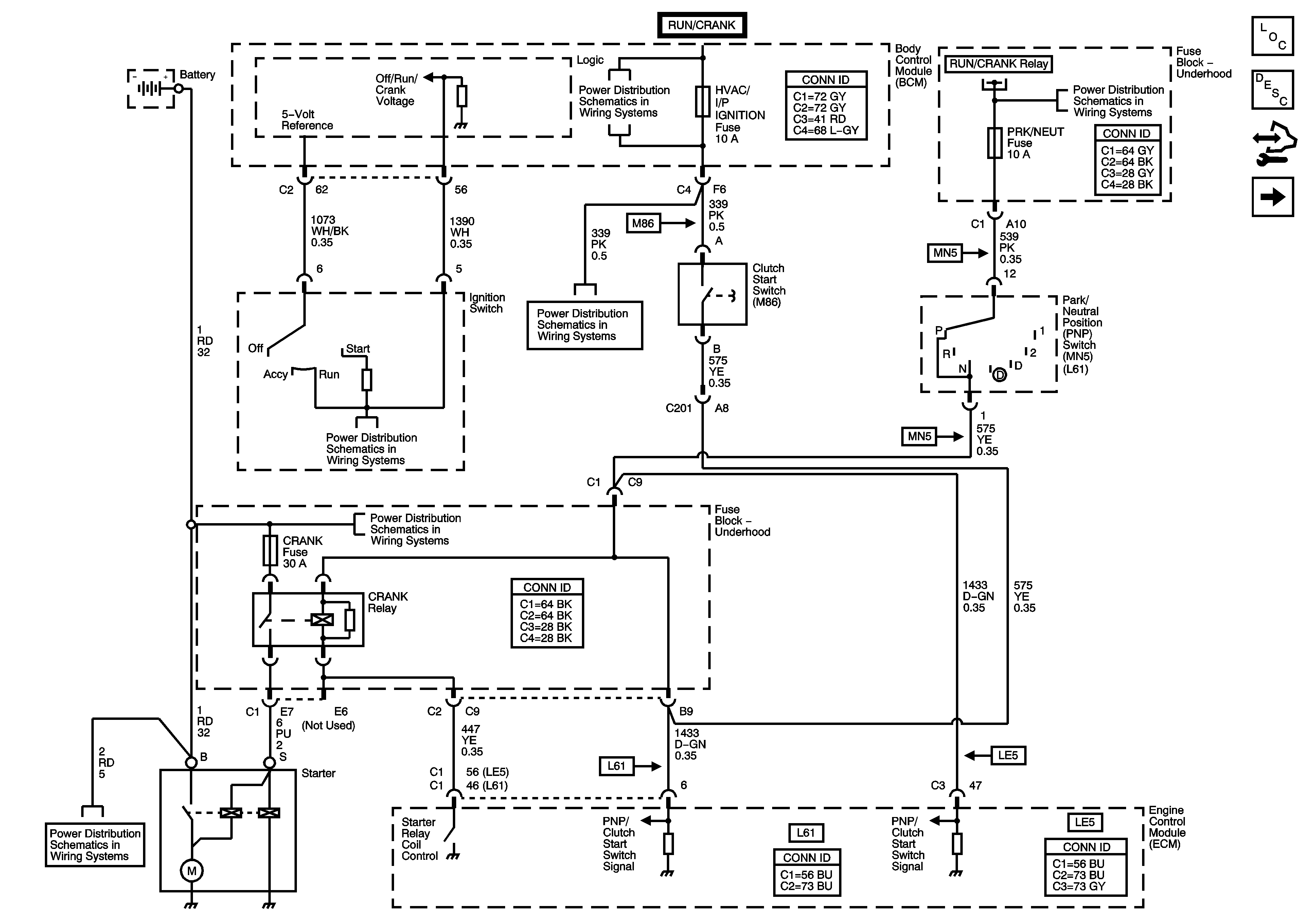
🢒 Starting and Charging Schematics
Figure
1:
Starting
Master Electrical Component List
Starting System Description and Operation
Control Module References
Charging
Body Control Module - BCM 2, HVAC / PK3, CLUSTER, IGN SW, STOP LPS, and AMP Fuses
Power Distribution Schematics
Body Control Module - RUN / CRANK and HVAC Relays, I/P IGN, BCM3, WPR, AIR BAG, EPS / STR WHL CNTRL and HVAC / IP IGNITION Fuses
Body Control Module - RUN / CRANK and HVAC Relays, I/P IGN, BCM3, WPR, AIR BAG, EPS / STR WHL CNTRL and HVAC / IP IGNITION Fuses
Power Distribution Schematics
Underhood Fuse Block - B+ Bus
Figure
2:
Charging
Master Electrical Component List
Charging System Description and Operation
Control Module References
Starting
Underhood Fuse Block - B+ Bus
DLC Power Ground, and Low Speed GMLAN
High Speed GMLAN