GM Service Manual Online
For 1990-2009 cars only
Figure 1:

Inputs


Object Number: 1558426  Size: FS
Master Electrical Component List
Exterior Lighting Systems Description and Operation
Control Module References
Park/Turn Signal/DRL, Tail/Stop and Turn Signal, License and Side Marker Lamps
DLC Power Ground, and Low Speed GMLAN
High Speed GMLAN
G201 and G203
Dimmer Switch, Radio, Hazard, Fog Lamps, Steering Wheel Controls, and Rear Wiper/Washer Switches
G201 and G203
Headlights/Daytime Running Lights (DRL)
Figure 2:

Park/Turn Signal/DRL, Tail/Stop and Turn Signal, License, and Side Marker Lamps


Object Number: 1558428  Size: FS
Master Electrical Component List
Exterior Lighting Systems Description and Operation
Control Module References
Center High Mounted Stop Lamp, B+
Inputs
G401 and G403
G402
Underhood Fuse Block - B+ Bus
Body Control Module - RUN / CRANK and HVAC Relays, I/P IGN, BCM3, WPR, AIR BAG, EPS / STR WHL CNTRL and HVAC / IP IGNITION Fuses
G109
G402
Dimmer Switch, Radio, Hazard, Fog Lamps, Steering Wheel Controls, and Rear Wiper/Washer Switches
G401 and G403
G402
G111
G109
Figure 3:

Center High Mounted Stop Lamp and B+


Object Number: 1558431  Size: FS
Master Electrical Component List
Exterior Lighting Systems Description and Operation
Control Module References
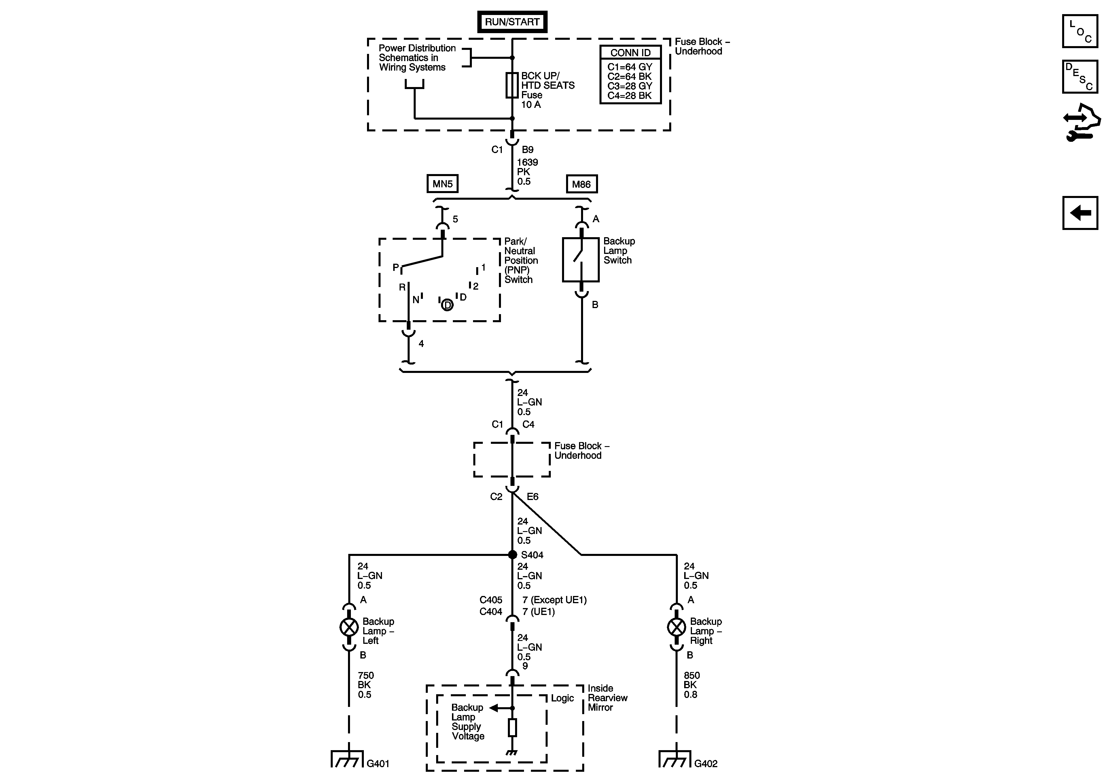
Backup Lamps
Park/Turn Signal/DRL, Tail/Stop and Turn Signal, License and Side Marker Lamps
Body Control Module - BCM 2, HVAC / PK3, CLUSTER, IGN SW, STOP LPS, and AMP Fuses
G402
Figure 4:

Backup Lamps


Object Number: 1558435  Size: FS
Master Electrical Component List
Exterior Lighting Systems Description and Operation
Control Module References
Center High Mounted Stop Lamp, B+
Underhood Fuse Block - B+ Bus
G401 and G403
G402