GM Service Manual Online
For 1990-2009 cars only
Makes
🢒
Chevrolet
🢒
2006
🢒
HHR
🢒 Engine Data Sensors - Pressure, Temperature, and MAF/IAT
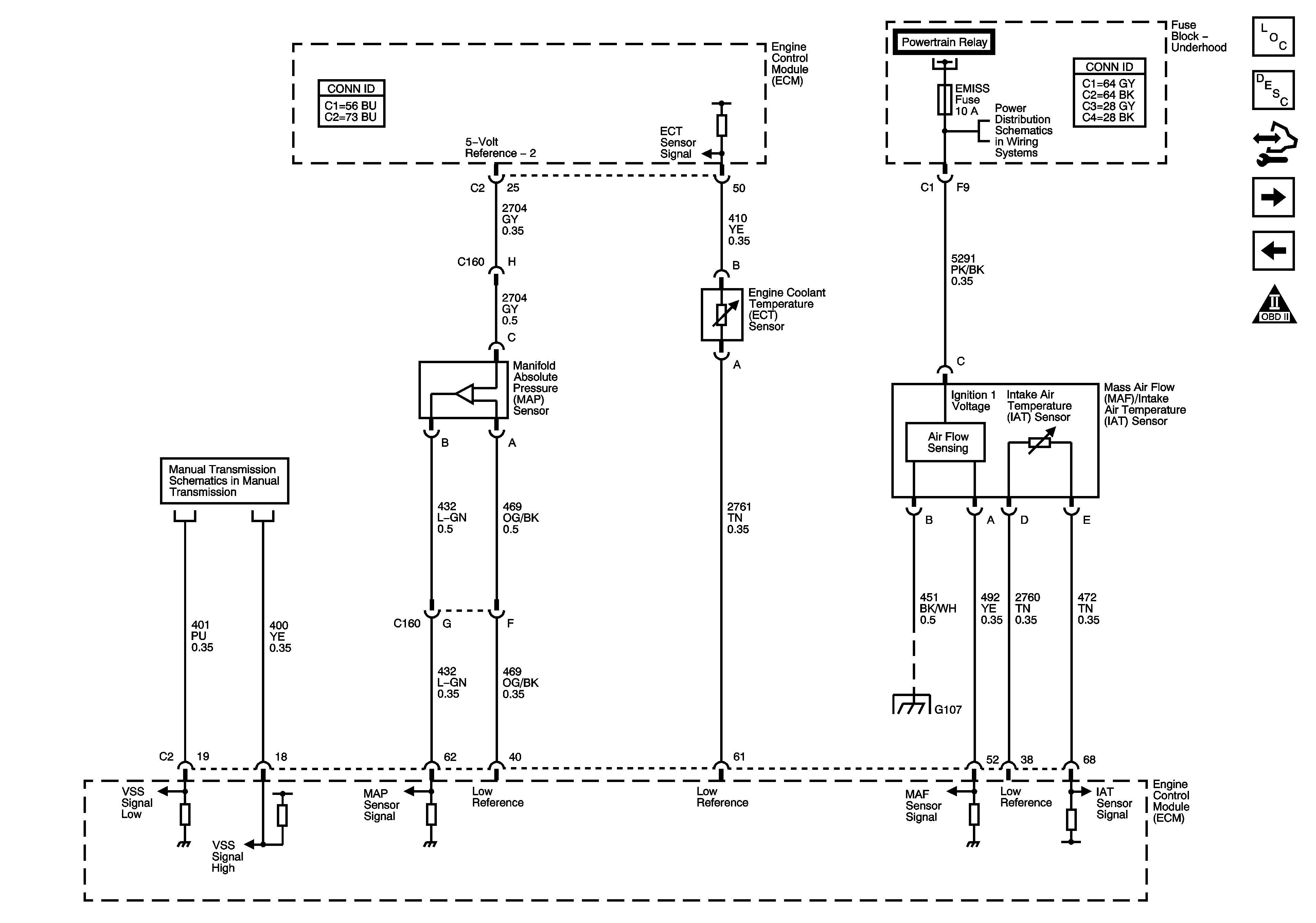
Engine Data Sensors - Pressure, Temperature, and MAF/IAT
Engine Data Sensors - Pressure, Temperature, and MAF/IAT
Master Electrical Component List
Engine Control Module Description
Control Module References
Engine Data Sensors - HO2S
Engine Data Sensors - 5-volt Reference Bussing
Engine Controls Schematic Icons
Underhood Fuse Block - LIFTGATE RELEASE, POWERTRAIN Relay, LIFTGATE / SUNROOF, EMISSION, INJ IGN MOD and ECM Fuses
Manual Transmission
G103, G105, G017, and G108