GM Service Manual Online
For 1990-2009 cars only
Makes
🢒
Chevrolet
🢒
2006
🢒
HHR
🢒 Interior Lights
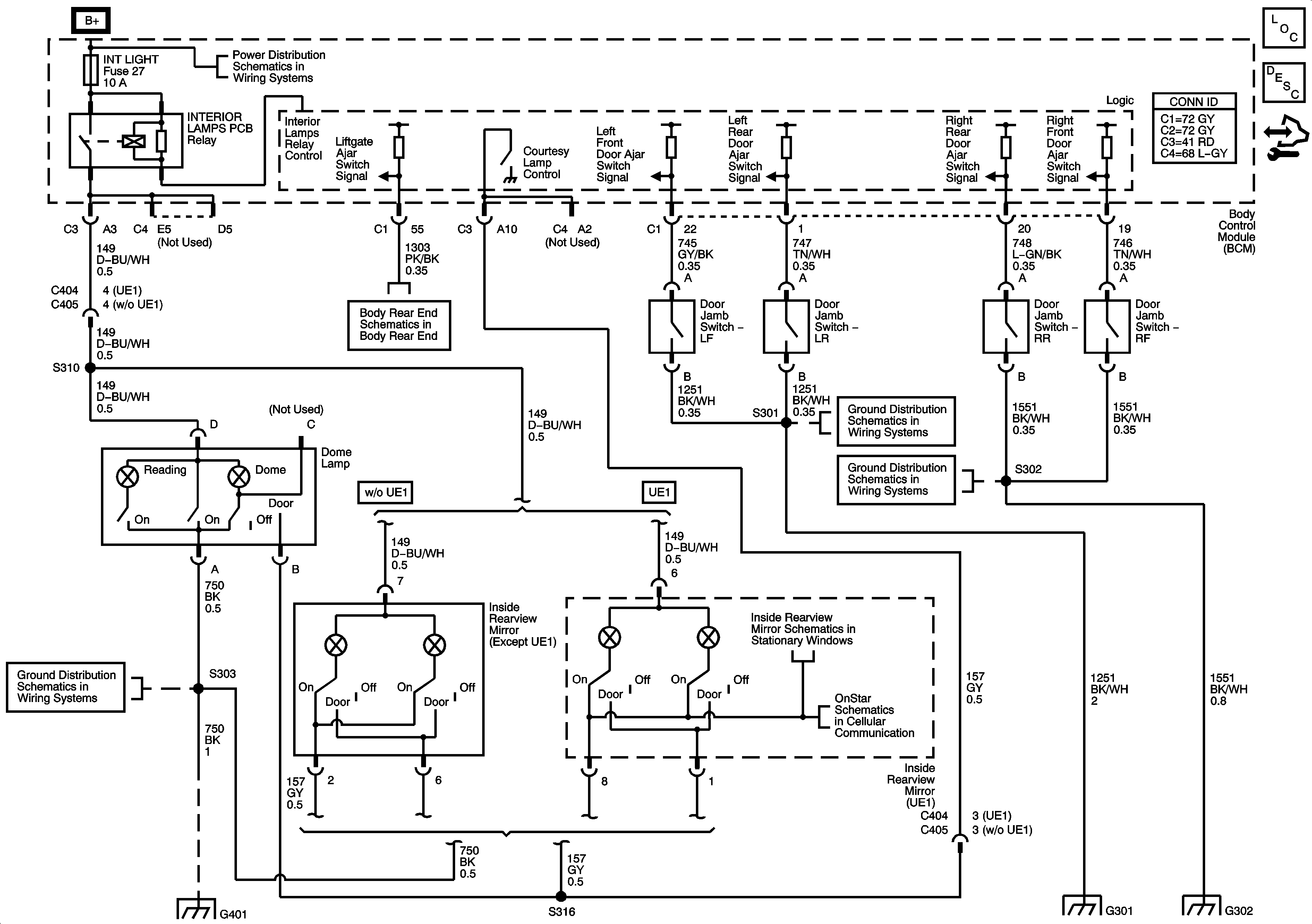
Interior Lights
Master Electrical Component List
Interior Lighting Systems Description and Operation
Control Module References
G401 and G403
Body Rear End Schematics
G301 and G306
G302
Body Control Module - RAP, DRIVERS DOOR UNLOCK PCB, DOOR UNLOCK PCB, DOOR LOCK PCB and INTERIOR LAMPS PCB Relays, RDO, PWR WINDW, DR LCK, INT LIGHT, ECM / TCM, SDM, S ROOF and SPARE Fuses
G401 and G403
G301 and G306
G302