GM Service Manual Online
For 1990-2009 cars only
Makes
🢒
Chevrolet
🢒
2007
🢒
HHR
🢒
Body Systems
🢒
Lighting
🢒 Exterior Lights Schematics
Figure
1:
Inputs
Master Electrical Component List
Exterior Lighting Systems Description and Operation
Control Module References
Park/Turn Signal/DRL, License and Side Marker Lamps
DLC Power, Ground, and Low Speed GMLAN
High Speed GMLAN
Headlights/Daytime Running Lights (DRL)
G201, G203
Dimmer Switch, Radio, Hazard, Fog Lamp, Steering Wheel Controls and Rear Wiper/Washer Switches
Figure
2:
Park/Turn Signal/DRL, Tail/Stop and Turn Signal, License, and Side Marker Lamps
Master Electrical Component List
Exterior Lighting Systems Description and Operation
Control Module References
Center High Mounted Stop Lamp, B+
Inputs
Underhood Fuse Block - B+ Bus
Dimmer Switch, Radio, Hazard, Fog Lamp, Steering Wheel Controls and Rear Wiper/Washer Switches
G111
G111
G109
G109
G401, G403
G401, G403
G402
G402
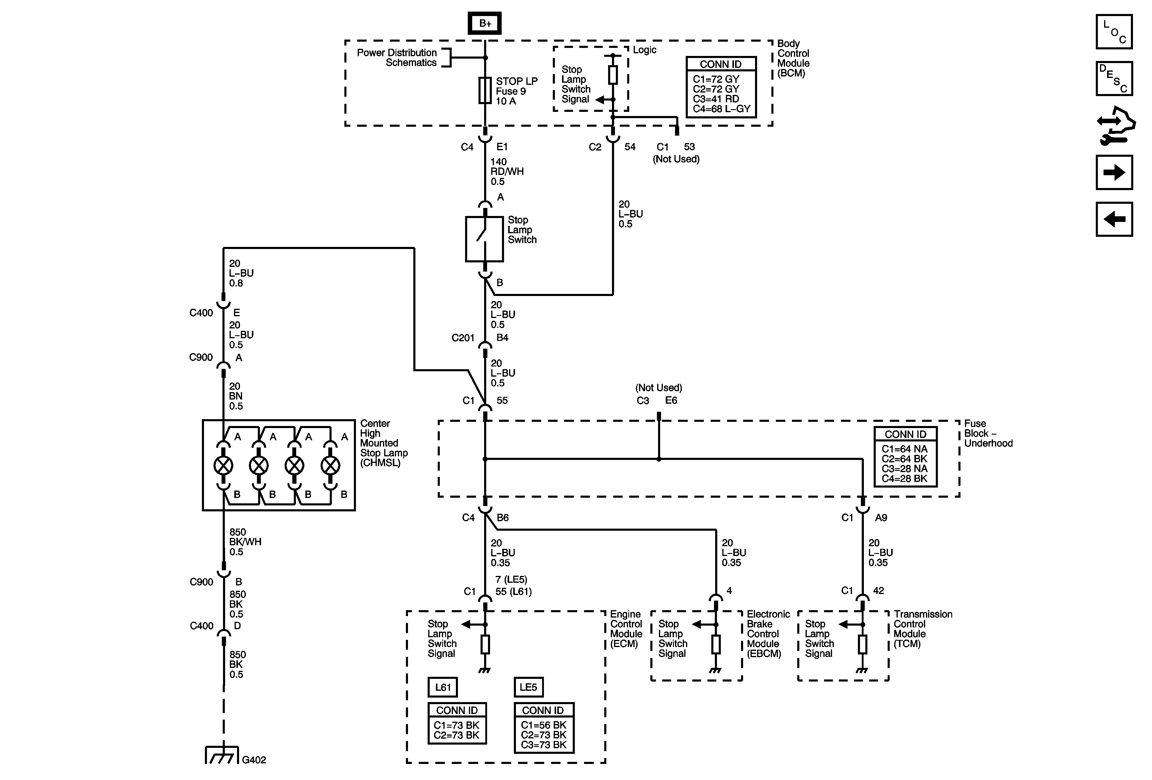
Figure
3:
Center High Mounted Stop Lamp and B+
Master Electrical Component List
Exterior Lighting Systems Description and Operation
Control Module References
Backup Lamps
Park/Turn Signal/DRL, License and Side Marker Lamps
Body Control Module - BCM2, HVAC/PK3, CLUSTER, IGN SW, STOP LPS, and AMP Fuses
G402
Figure
4:
Backup Lamps
Master Electrical Component List
Exterior Lighting Systems Description and Operation
Control Module References
Center High Mounted Stop Lamp, B+
Underhood Fuse Block - LOW BEAM, HIGH BEAM, DRL Relays, HTD SEAT, DRL, RT LO BEAM, LT LO BEAM, LT HI BEAM, RT HI BEAM Fuses
G401, G403
G402