GM Service Manual Online
For 1990-2009 cars only
Makes
🢒
Chevrolet
🢒
2007
🢒
HHR
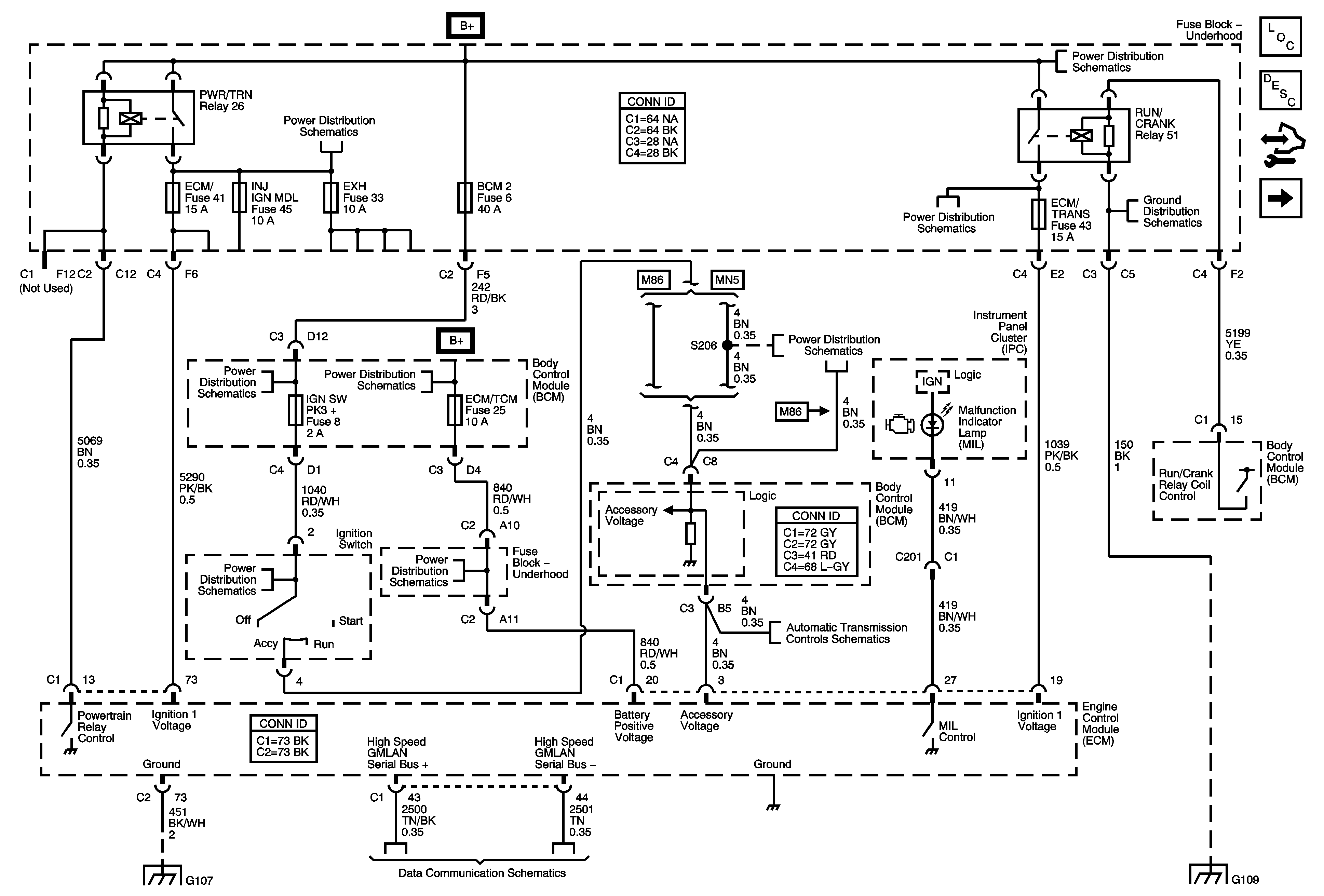
🢒 Power, Ground, MIL and DLC
Power, Ground, MIL and DLC
Power, Ground, MIL, and DLC
Master Electrical Component List
Engine Control Module Description
Control Module References
Engine Data Sensors 5-Volt and Low References
Underhood Fuse Block - L/GATE RELEASE, PWR/TRN Relays, L/GATE/S ROOF, EXH, INJ IGN MOD, and ECM Fuses
Body Control Module - BCM2, HVAC/PK3, CLUSTER, IGN SW, STOP LPS, and AMP Fuses
Body Control Module - BCM2, HVAC/PK3, CLUSTER, IGN SW, STOP LPS, and AMP Fuses
Body Control Module - BCM2, HVAC/PK3, CLUSTER, IGN SW, STOP LPS, and AMP Fuses
Underhood Fuse Block - RUN/CRANK Relay, I/P IGN, PRK/NEUT, HTD/SEAT/BKC/UP, ABS (10A), ECM TRANS, ABS (30A), EPS, BCM2, BCM3, FRT AUX PWR OUTLET, S-BAND Fuses
Underhood Fuse Block - RUN/CRANK Relay, I/P IGN, PRK/NEUT, HTD/SEAT/BKC/UP, ABS (10A), ECM TRANS, ABS (30A), EPS, BCM2, BCM3, FRT AUX PWR OUTLET, S-BAND Fuses
Body Control Module - RAP, DRIVER DOOR UNLOCK PCB, DOOR UNLOCK PCB, DOOR LOCK PCB, and INTERIOR LAMPS PCB Relays, RDO, PWR WINDW, DR LCK, INT LIGHT, ECM/TCM, SDM, S ROOF and SPARE Fuses
TCM Power, Ground
G103, G105, G107, G108
High Speed GMLAN
G109
Body Control Module - RAP, DRIVER DOOR UNLOCK PCB, DOOR UNLOCK PCB, DOOR LOCK PCB, and INTERIOR LAMPS PCB Relays, RDO, PWR WINDW, DR LCK, INT LIGHT, ECM/TCM, SDM, S ROOF and SPARE Fuses
Body Control Module - RAP, DRIVER DOOR UNLOCK PCB, DOOR UNLOCK PCB, DOOR LOCK PCB, and INTERIOR LAMPS PCB Relays, RDO, PWR WINDW, DR LCK, INT LIGHT, ECM/TCM, SDM, S ROOF and SPARE Fuses