GM Service Manual Online
For 1990-2009 cars only
Makes
🢒
Chevrolet
🢒
2007
🢒
HHR
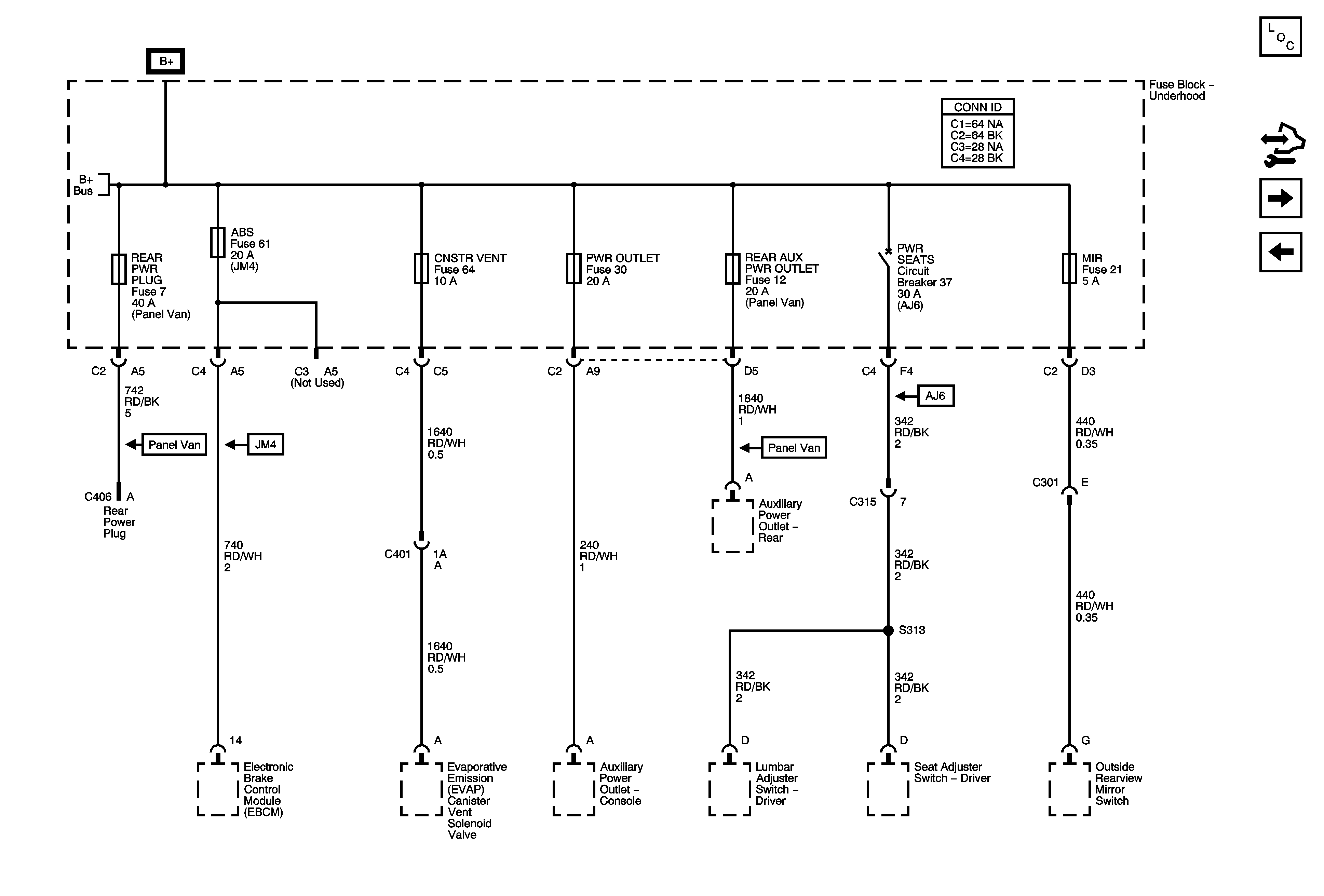
🢒 Underhood Fuse Block - ABS (20A), CNSTR VENT, PWR OUTLET, REAR POWER PLUG, REAR AUX PWR OUTLET and MIR Fuses, PWR SEATS Circuit Breaker
Underhood Fuse Block - ABS (20A), CNSTR VENT, PWR OUTLET, REAR POWER PLUG, REAR AUX PWR OUTLET and MIR Fuses, PWR SEATS Circuit Breaker
Underhood Fuse Block - ABS (20A), CNSTR VENT, PWR OUTLET, REAR POWER PLUG, REAR AUX PWR OUTLET and MIR Fuses and POWER SEATS Circuit Breaker
Master Electrical Component List
Control Module References
Body Control Module - RAP, DRIVER DOOR UNLOCK PCB, DOOR UNLOCK PCB, DOOR LOCK PCB, and INTERIOR LAMPS PCB Relays, RDO, PWR WINDW, DR LCK, INT LIGHT, ECM/TCM, SDM, S ROOF and SPARE Fuses
Underhood Fuse Block - LOW BEAM, HIGH BEAM, DRL Relays, HTD SEAT, DRL, RT LO BEAM, LT LO BEAM, LT HI BEAM, RT HI BEAM Fuses
Underhood Fuse Block - B+ Bus