GM Service Manual Online
For 1990-2009 cars only

Removal Procedure


    Object Number: 2002696  Size: SH
  1. Remove the upper baffle deflector. Refer to Radiator Air Upper Baffle and Deflector Replacement
  2. Loosen the charge air cooler outlet pipe clamp (1) at the intake manifold (2).
  3. Remove the front bumper fascia extension. Refer to Front Bumper Fascia Extension Replacement .
  4. Disconnect the engine wiring harness electrical connector from the intake air pressure and temperature sensor.
  5. Disconnect the vacuum hose from the outlet pipe.

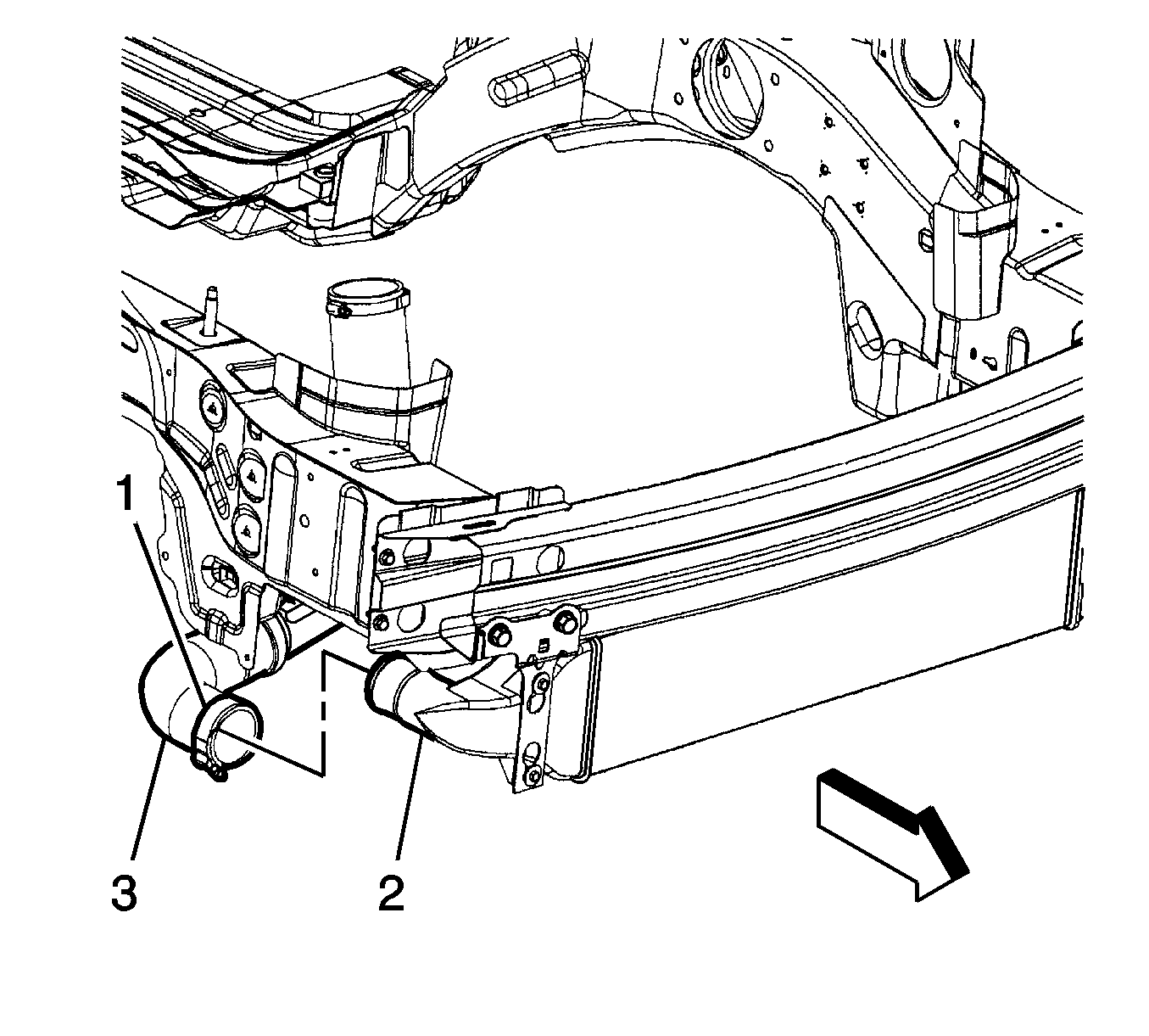
  6. Object Number: 2002697  Size: SH
  7. Loosen the charge air cooler outlet pipe clamp (1) at the charge air cooler assembly (2).
  8. Remove the right radiator support in order to reposition the radiator and allow the pipe to be removed. Refer to Radiator Support Replacement .
  9. Remove the charge air cooler outlet pipe (3).

Installation Procedure

    Notice: Refer to Fastener Notice in the Preface section.


    Object Number: 2002697  Size: SH
  1. Install the charge air cooler outlet pipe (3) to the charge air cooler assembly (2).
  2. Tighten
    Tighten the clamp to 5 N·m (44 lb in).

  3. Install the right radiator support. Refer to Radiator Support Replacement .

  4. Object Number: 2002696  Size: SH
  5. Connect the vacuum hose to the outlet pipe.
  6. Connect the engine wiring harness electrical connector to the intake air pressure and temperature sensor.
  7. Install the charge air cooler outlet pipe to the intake manifold (2) and tighten the charge air cooler outlet pipe clamp (1).
  8. Tighten
    Tighten the clamp to 5 N·m (44 lb in).

  9. Install the front bumper fascia extension. Refer to Front Bumper Fascia Extension Replacement .
  10. Install the upper baffle deflector. Refer to Radiator Air Upper Baffle and Deflector Replacement .