GM Service Manual Online
For 1990-2009 cars only
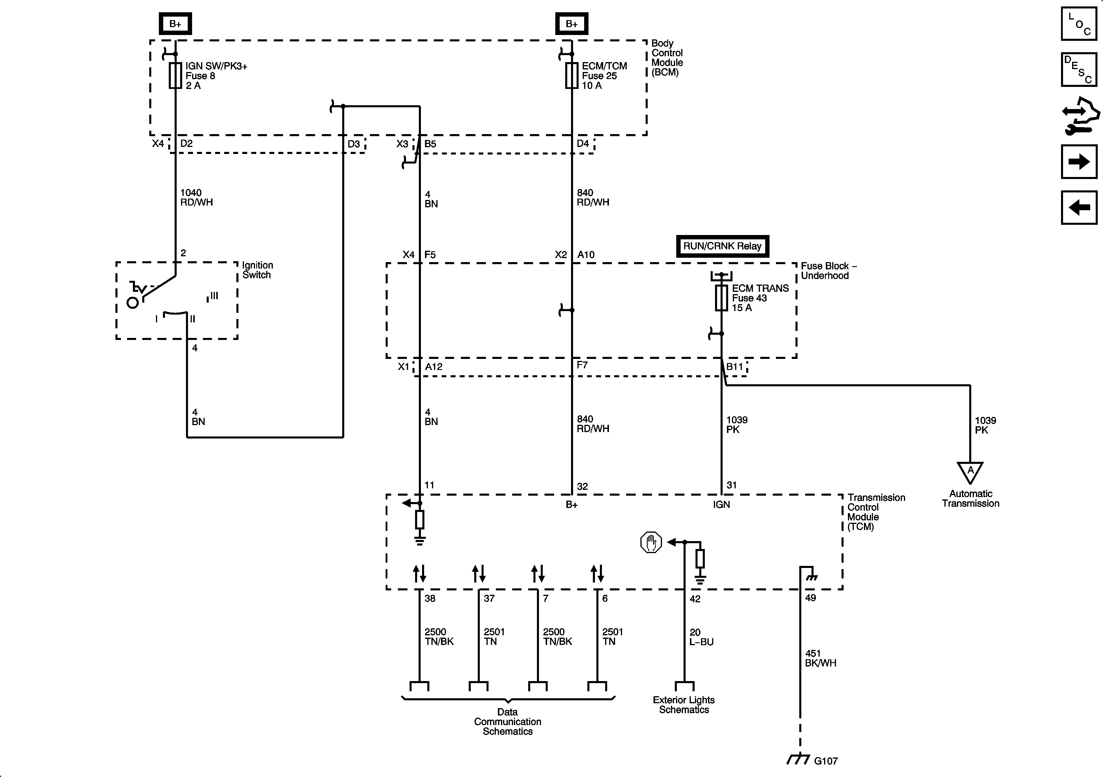
Figure 1:

TCM, Power, and Ground


Object Number: 2085259  Size: FS
Master Electrical Component List
Electronic Component Description
Control Module References
Transmission Solenoid and VSS
Figure 2:

Transmission Solenoid and VSS


Object Number: 2085261  Size: FS
Master Electrical Component List
Electronic Component Description
Control Module References
Transmission Switches, TFT and A/T ISS Sensors
TCM, Power, Ground
Figure 3:

Transmission Switches, TFT, and A/T ISS Sensors


Object Number: 2085263  Size: FS
Master Electrical Component List
Electronic Component Description
Control Module References
PNP Switch
Transmission Solenoid and VSS
Figure 4:

PNP Switch


Object Number: 2085265  Size: FS
Master Electrical Component List
Electronic Component Description
Control Module References
Transmission Switches, TFT and A/T ISS Sensors