GM Service Manual Online
For 1990-2009 cars only
Makes
🢒
Chevrolet
🢒
2009
🢒
HHR
🢒
Diagnostic Navigation
🢒
Vehicle Diagnostic Information
🢒 Release Systems Schematics
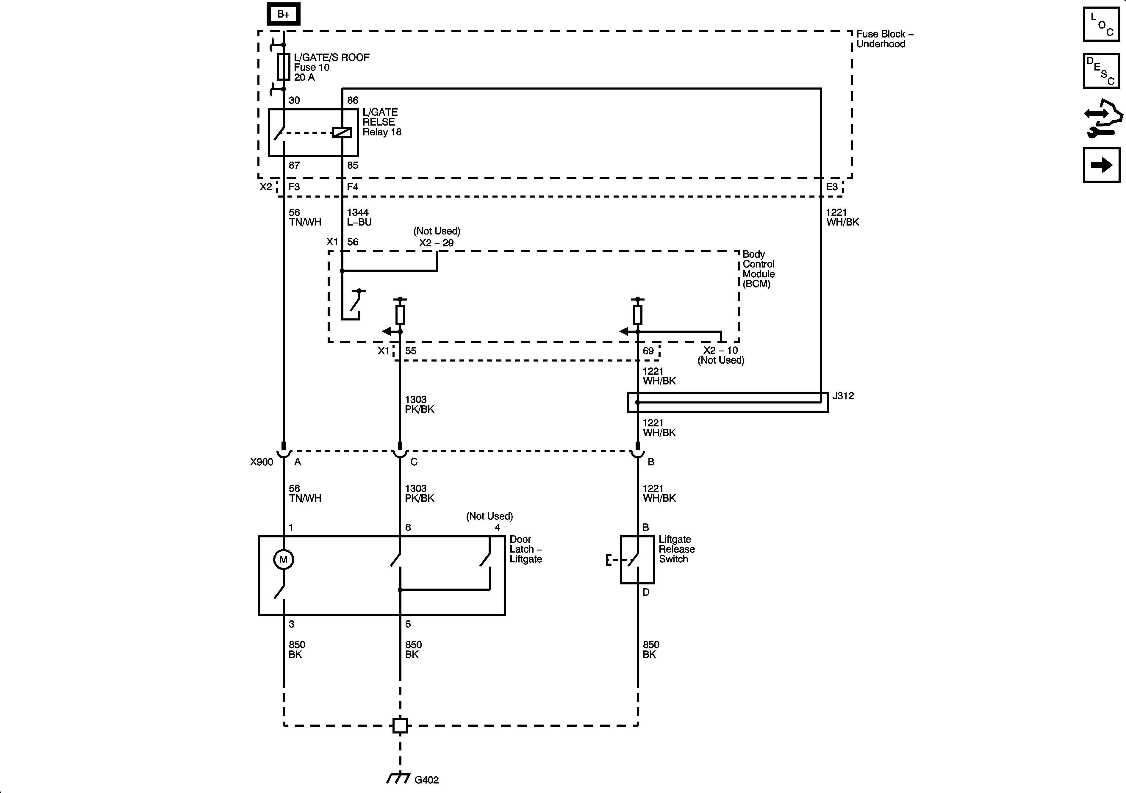
Figure
1:
Liftgate
Master Electrical Component List
Rear Hatch/Gate Description and Operation
Control Module References
Figure
2:
Rear Access Panel Schematics (Panel Van) 1 of 2
Master Electrical Component List
Access Panel Description and Operation
Control Module References
Rear Access Panel Schematics (Panel Van) 1 of 2
Figure
3:
Rear Access Panel Schematics (Panel Van) 2 of 2
Master Electrical Component List
Access Panel Description and Operation
Control Module References
Rear Access Panel Schematics (Panel Van) 1 of 2