GM Service Manual Online
For 1990-2009 cars only
Makes
🢒
Chevrolet
🢒
2000
🢒
Impala
🢒 Interior Lamps - Roof Lamps
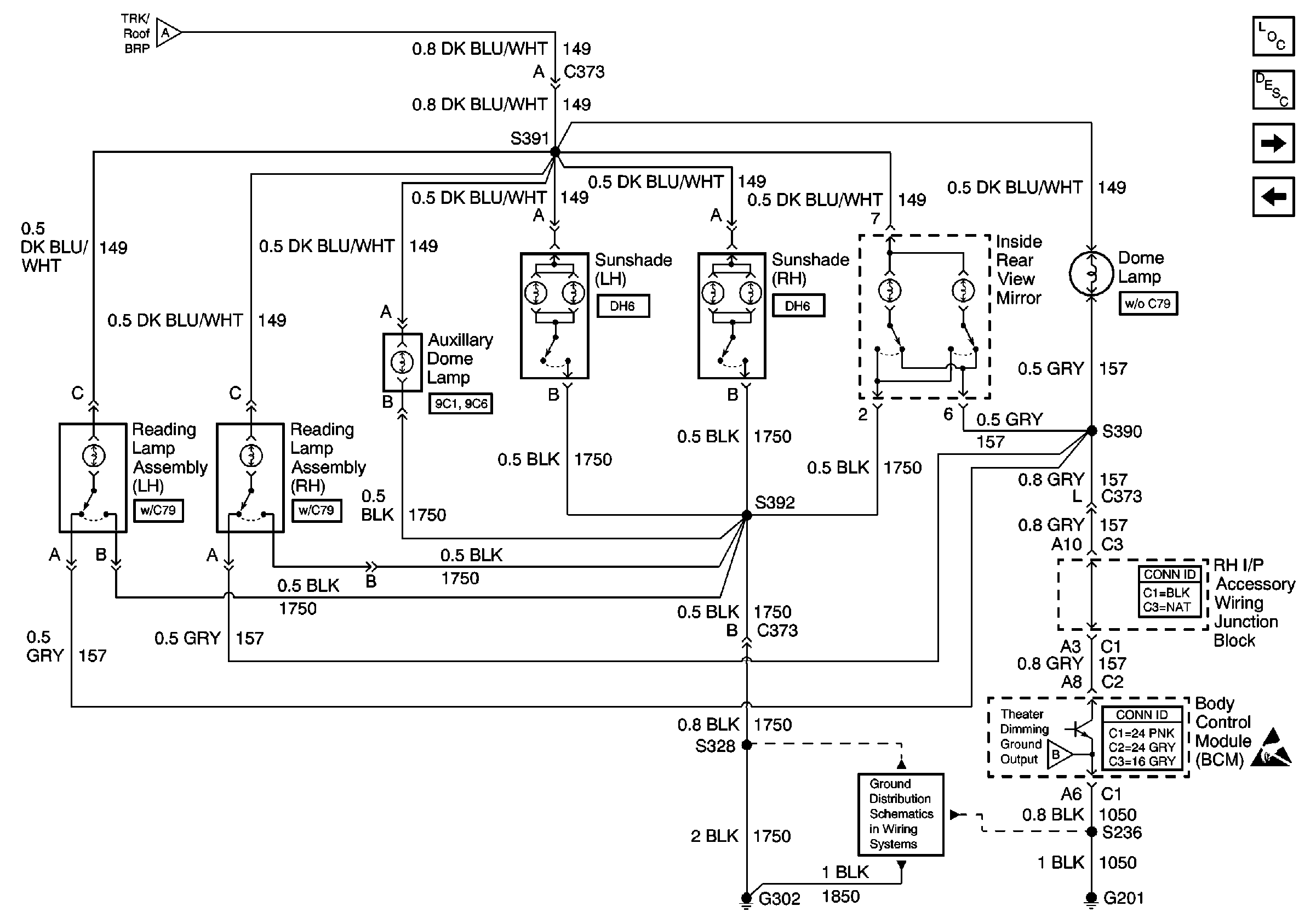
Interior Lamps - Roof Lamps
Interior Lamps -- Roof Lamps
Lighting Systems Components
Interior Lights Circuit Description
Door Lock Switches
BCM, Footwell Lamps and Rear Compartment Lamp
BCM, Footwell Lamps and Rear Compartment Lamp
G302
Handling ESD Sensitive Parts Notice